This ebook is for the use of anyone anywhere in the United States and most other parts of the world at no cost and with almost no restrictions whatsoever. You may copy it, give it away or re-use it under the terms of the Project Gutenberg License included with this ebook or online at https://www.gutenberg.org/license. If you are not located in the United States, you'll have to check the laws of the country where you are located before using this ebook.
Title: Home-made Electrical Apparatus
Author: Alfred Powell Morgan
Release Date: November 24, 2020 [EBook #63878]
Language: English
Character set encoding: UTF-8
*** START OF THIS PROJECT GUTENBERG EBOOK HOME-MADE ELECTRICAL APPARATUS ***
Produced by James Simmons.
This file was produced from page images at the Internet Archive.
Transcriber's Note
This book was transcribed from scans of the original found at the Internet Archive. The page scans were done by Google. The original book was done as three volumes, but the edition I have transcribed put all three volumes together as a clothbound book. As a result it had three identical prefaces and duplicated ads. I have included one preface, at the beginning, and put the ads at the end of the book. I have rotated a couple of illustrations.
Arts and Science Series No. 7
Home-made
Electrical Apparatus
A Practical Handbook for Amateur
Experimenters
In Three Parts
Volume I
Second Edition
BY
A. M. Powell
PUBLISHED BY
COLE & MORGAN, Inc.
Publishers of the Arts and Science Series
P.O. BOX 473 CITY HALL STATION
NEW YORK, N. Y.
Printed in U. S. A.
Copyright 1918
by
COLE & MORGAN, Inc.
The purpose of this book is to aid the young experimenter in building and operating his own electrical apparatus and instruments. Every boy of now-a-days experiments with electricity and the right sort of book which furnishes him with ideas gets close to his heart. Of books upon electricity there is no end. That is granted. But there are very few practical books for the young experimenter who wishes to construct miscellaneous electrical apparatus for his own amusement and instruction which really amounts to something and which is worth his pains when the labor has been finished.
This book is therefore offered as a volume of instruction for making all sorts of batteries, rectifiers, motors, etc., which are entirely out of the toy class and yet are not so elaborate that they cannot be easily constructed at home by the average boy who is willing to put a little care into his work. The materials required are such that they can he procured without any great expense.
It has been planned to present the material in such a manner that it will aid the judgment of the young experimenter and assist him in developing his own ideas. Without exception, all of the apparatus described in the following pages has been actually constructed by the author, not only once but many times and put to a practical test before being embodied into the book. You may therefore be sure that if you follow the instructions carefully, that the result will in each case be a substantial piece of apparatus which is capable of fulfilling all of your expectations.
The drawings have all been reproduced on a large scale and in almost every case the dimensions of even the smallest details have been given. Some of the apparatus has been described in the pages of the "Boys' Magazine" and since its publication the readers of that magazine have written to the author asking questions about the apparatus which have enabled him when rewriting the material for publication in book form to clear up many questions and further explain in a little more detail many of the problems which naturally occur to the boy who likes to build his own electrical devices.
THE AUTHOR.
Static Electricity. How to Build a Wimshurst Machine. Experiments with Static Electrical Apparatus.
Static Electricity is an extremely interesting subject for the amateur experimenter, in view of the many spectacular experiments which may be performed with it. The number of such experiments is almost unlimited.
Static electricity was the first evidence of the wonderful force which in the present day moves trains, lights our homes, etc., to come to the notice of man. Long before the days of batteries, dynamos, telegraphs, electric lights and before, perhaps, such things were even dreamed of, static electricity absorbed the attention of scientists, and the names of some of the world's greatest men such as for instance, Aristotle, Roger Bacon, Gilbert, Boyle, Newton, Franklin, etc., are closely linked with its history. It is probably safe to say that experiments with static electricity led the famous Italian, Galvani, to the discovery of the sort of electricity called galvanic currents, and to the battery. Galvanic current is the sort of electricity produced by batteries and has the same properties in many ways as that generated by huge dynamos in the power houses of to-day.
The modern boy can duplicate these old experiments far more easily and on a larger scale than any of the old scientists could, owing to the fact that he is supplied with explicit directions and can easily obtain the necessary materials at a neighboring hardware or electrical store, whereas men like Newton and Franklin not only had to devise or invent their own apparatus but make their materials as well.
Static electricity and lightning are the same thing.
A boy can produce static electricity in small quantities by rubbing a glass rod with a piece of flannel or silk.
Rub the rod briskly and then hold it over some tiny bits of paper or specks of dust and watch them jump up to meet the rod, just as if the latter were a magnet attracting small tacks or nails. It is static electricity which gives the rod this wonderful power. If you rub the rod briskly and then hold it close to your cheek, you will feel a slight tickling and hear a faint crackling sound. If this is done in the dark you may be able to see a very faint phosphorescent light or even small sparks.
The quantity of electricity produced in this manner by rubbing a glass rod is extremely limited and while a number of very interesting and instructive experiments may be performed in this manner, the most spectacular ones are only possible with the aid of a "static-machine".
The most practical form of static machine is that known as the "Wimshurst". It consists of two circular plates made of glass or hard rubber arranged so that by turning a crank, they may be revolved in opposite directions. On these plates are a number of small strips of tinfoil. The static electricity is generated on these tinfoil strips and collected by two metal rods having small pins arranged along them in a row.
A simple form of Wimshurst machine which any boy can easily make is illustrated in Figure 1. It will generate considerable static electricity and will make sparks two inches long.
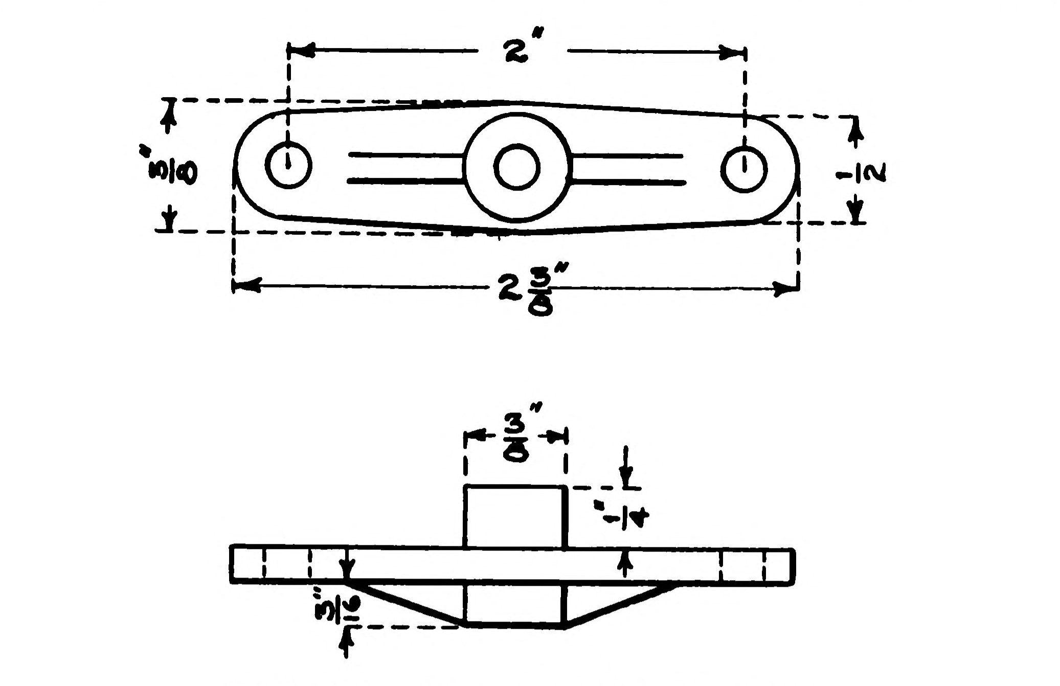
The Plates on these machines are hard rubber. They are illustrated in Figure 2. Glass is usually used for static machine plates, but has the disadvantage of breaking easily. It is also hard for the young experimenter to cut out circular glass plates and drill them. The author has had very good success with hard rubber.
Two plates are required for the machine. They should be in the form of circles seven inches in diameter and be perfectly true. They need to be only one-sixteenth of an inch thick. The rubber should be perfectly flat and not warped at any point.
The Sectors, as the tinfoil strips are called, are wedge shaped pieces having rounded ends as shown in Figure 3. They should be cut of heavy tinfoil. Thirty-two sectors are required, sixteen for each plate. They are seven-sixteenths of an inch wide at the top, one inch long and five-sixteenth of an inch wide at the bottom.
The plates should be very carefully cleaned by rubbing with a dry cloth and then laid on a flat surface all ready to receive the sectors.
The sectors should be stuck to the plates with thick shellac. They should be arranged all on one face, symmetrically and at equal distances apart, with the inner ends resting on a circle four and one-half inches in diameter. Each sector should be carefully pressed down on the rubber so that it sticks smoothly without any air bubbles or creases.
Both plates should be treated in the same manner.
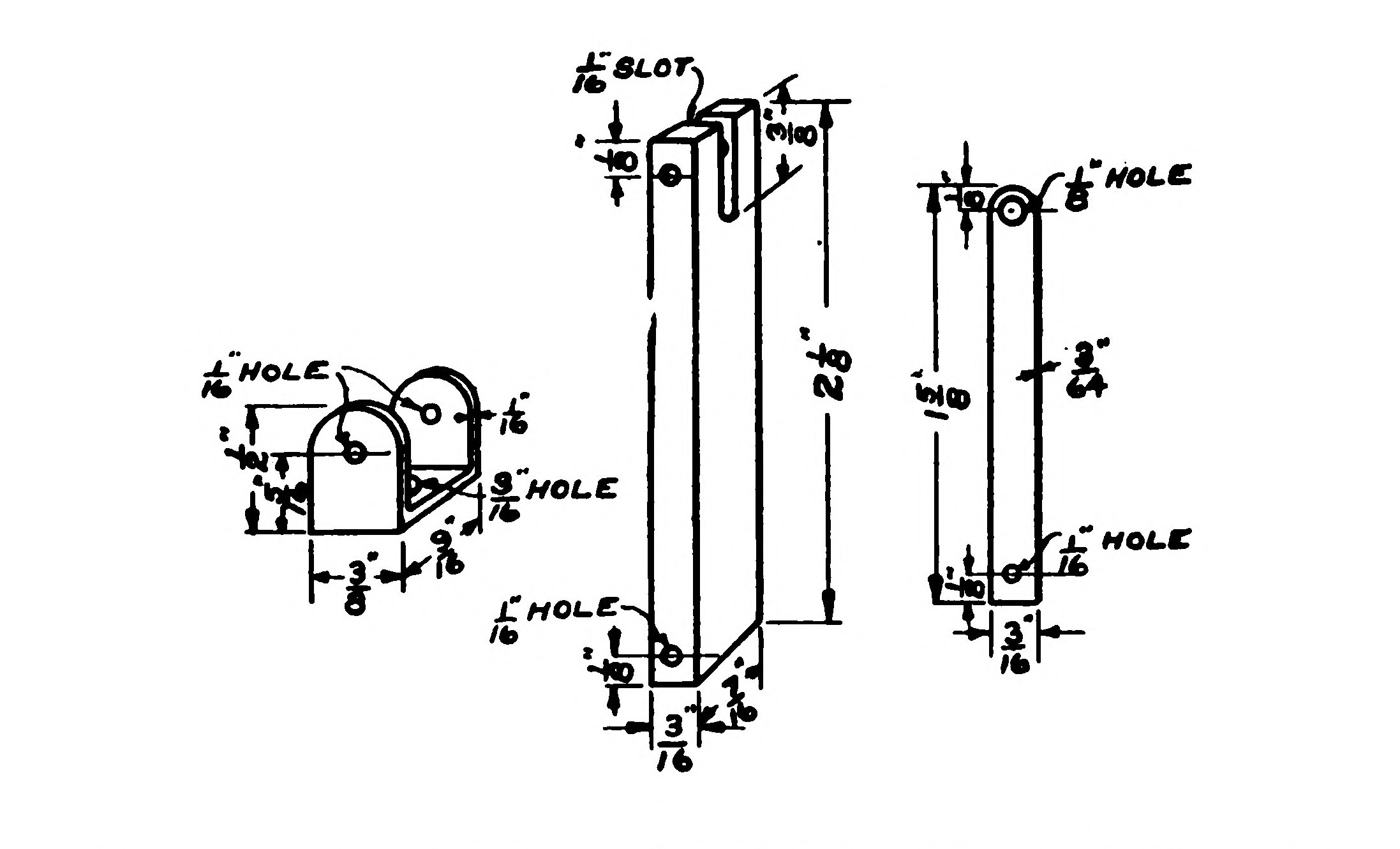
The Pulley illustrated in Figure 4 is one inch in diameter and eleven-sixteenths of an inch thick. Two of these pulleys will be required. The hole through the centre should be about three-sixteenths of an inch in diameter. One pulley should be attached to each of the rubber plates. The large face of the pulley should be against the face of the plate upon which the tinfoil sectors are mounted. The hole in the centre of the pulley should line up perfectly with a hole of the same size in the centre of each one of the plates. The plates are fastened to the pulleys by three small brass nails driven into the wood through small holes in the rubber.
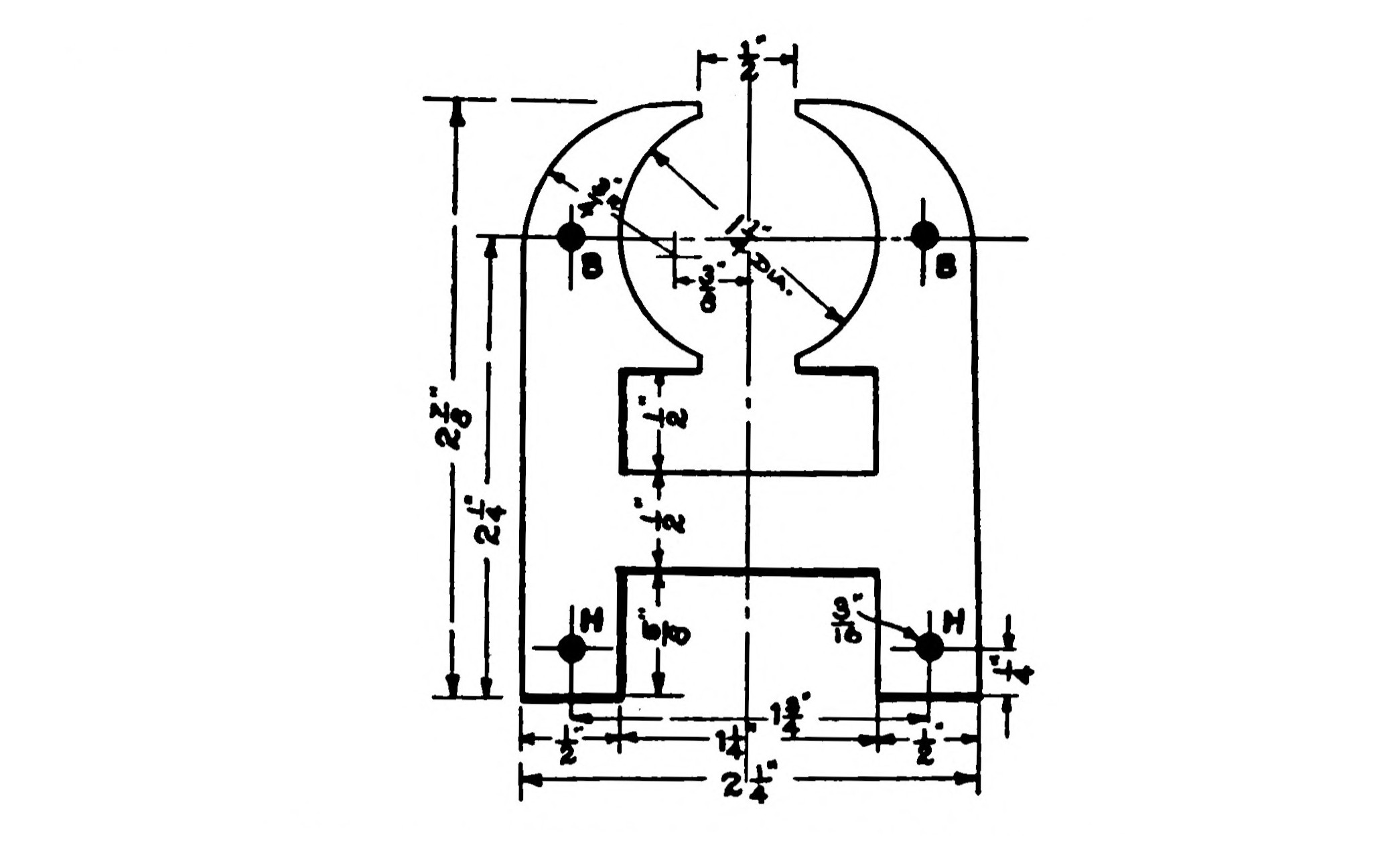
The Base of the machine is a rectangular shaped piece of wood six inches long, four inches wide and three-quarters of an inch thick. A notch, one inch wide and one-half an inch deep is cut in the centre of the front and back as shown in Figure 5. The purpose of these notches is to receive the uprights.
The Uprights are strips of wood, seven inches long, one inch wide and one-half an inch thick. The tipper end of each of the uprights is rounded as shown in Figure 6.
Two holes should be bored through each of the uprights from front to back. The lower hole is three-sixteenths of an inch in diameter and two and one-quarter inches from the bottom. The upper hole is six and one-half inches from the bottom and is between one-eighth and three-sixteenths of an inch in diameter so that a three-sixteenth rod driven into it will fit tightly.
The uprights should be mounted in position in the base and fastened with screws.
The plates are mounted between the upper ends of the uprights in the position shown in Figure 1, by driving a short piece of 3/16 round brass rod through the uprights into the holes in the centre of the pulleys. The rod used to mount the back plate should be one and one-half inches long and that used for the front plate one and five-eighths inches long. The 3/16 hole in the pulleys should be large enough so that the latter will revolve freely.
The plates are revolved by two driving pulleys provided with a crank for turning.
The Driving Pulleys are shown in Figure 8. They are not so easy to make as the small pulleys attached to the plates. They are turned out of wood and should be both alike. The exact shape and dimensions are shown in the illustration. The hole through the centre should be a scant three-sixteenths of an inch so that the pulleys will force onto a 3/16 rod very tightly.
The Crank is bent out of a piece of brass or steel rod about seven inches long. The straight portion, forming the shaft upon which the pulleys are mounted, is three and seven-eighths inches long. The portion at right angles to this, forming what is known as the "throw" of the crank, is one inch and seven-eighths. The part forming the crank handle is one inch and one-quarter long.
The driving pulleys are placed between the two standards with the small projecting portions or "bosses" nearest the uprights. The straight portion of the crank should then be slipped through the hole in the front upright and driven tightly into the driving pulleys. The driving pulleys should fit so tightly onto the shaft that they will not slip. The end of the shaft should project through the pulleys far enough so that is rests in the hole in the rear standard.
The holes in the uprights or standards should be just large enough so that the shaft will turn freely. The driving pulleys should be lined up so that the groove in each comes directly under the groove in the corresponding pulley attached to the plate above.
The Belts consist simply of heavy cotton cord. The rear belt should be crossed so that the rear plate runs in the opposite direction from the front plate when the crank is turned.
The electricity is collected from the sectors on the plates by two
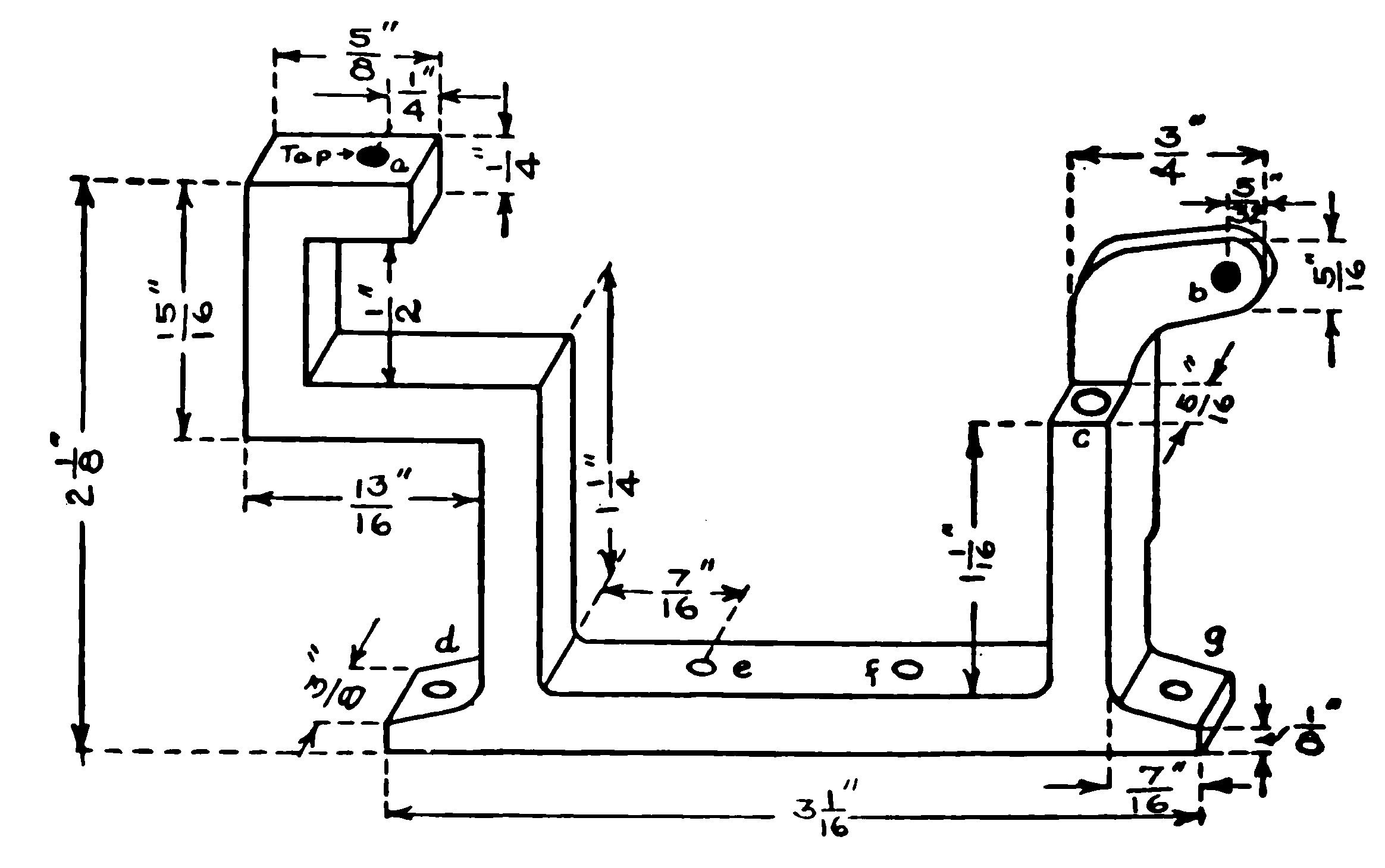
Collectors. These are illustrated in Figure 10 and consists of a piece of 5/32 brass rod, about six inches long, bent into the shape shown. Two small tufts of "tinsel" are soldered to the U-shaped portion of the collector so that when the latter is placed in its proper position on the machine, they will brush against the tinfoil-sectors as they pass when the plates revolve.
The other end of the rod is threaded to fit into a hole in a small brass ball about three-eighths or one-half inch in diameter. Many experimenters may have difficulty in securing a suitable brass ball for this purpose. An ordinary binding post may be used instead. The hole in the bottom of a binding post is usually threaded to fit an 8-32 screw. The end of the rod is just the right size to receive an 8-32 thread and so there should be no trouble in getting the parts to fit. The brass ball is marked "A" in the illustration. The ball is preferable to the binding because it has no sharp corners from which the electricity might leak. Static electricity leaks from sharp edges or corners and they must always be avoided as far as possible in the construction of static apparatus.
The end of the rod where it screws into the ball or binding post should be threaded back for a distance of about three-quarters of an inch and two brass nuts screwed onto the rod. These nuts are marked "C" in the illustration.
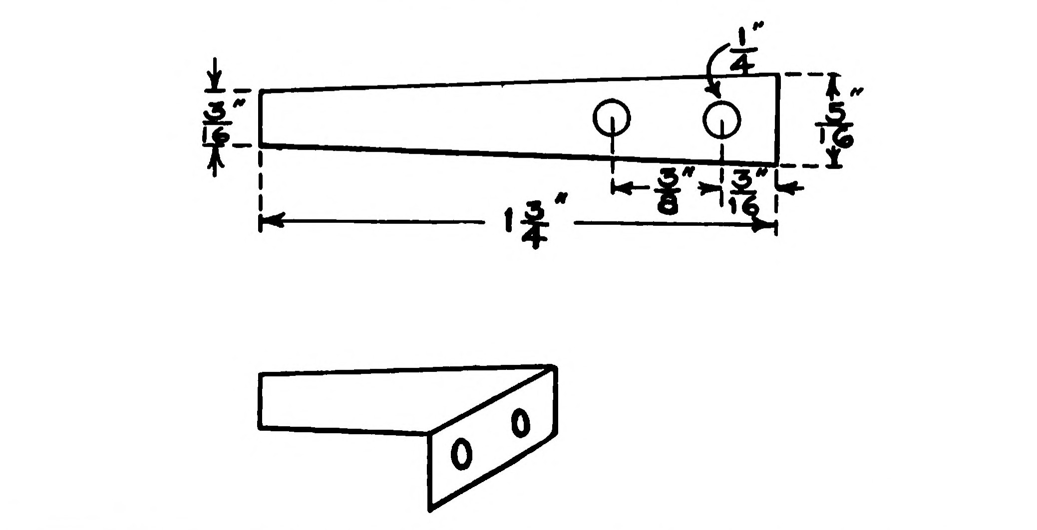
The collectors are held in position by the supporting bar illustrated in Figure 13. This bar is made of a strip of hard rubber, five and one quarter inches long, five-eighths of an inch wide and three-sixteenths of an inch thick.
Three holes, each five-thirty-seconds of an inch in diameter, should be bored in the bar. One hole should be exactly in the centre and the other holes seven-sixteenths of an inch back from the end.
The centre hole is slipped over the end of the shaft which projects through the front standard supporting the plate and the bar fastened across the support at right angles like a cross by driving in two small brass nails or screws through holes made in the rubber for that purpose.
The threaded portion of the collector rods should be slipped through the holes near the ends of the hard rubber bar and clamped firmly in position by placing one of the nuts "C" on the back and the other on the front and tightening them up.
The exact position of the collectors is best understood from Figure 1. They are lettered C R in the illustration. The brass balls B are screwed onto the ends of the rods after the nuts have been tightened. Each of these balls should have a hole, one-eighth of an inch in diameter drilled through it at right angles to the collector rod. The hole provided in the binding post for the accommodation of the wire may be used in case binding posts are employed instead of the rods.
These holes are to accommodate the Discharge Rods, which are two round brass rods, one-eighth of an inch in diameter and three and one-half inches long. One end of each of the rods is fitted with a small brass ball.
The other end of each is provided with a small insulating handle. A No. 8003 Electrose Knob is just the thing. These knobs are provided with a threaded bushing so that they may be screwed onto the rod.
The proper position for the discharge rods is shown in Figure 1. By sliding the rods back and forth in the balls on the ends of the collectors, the distance between the balls on the ends of the rods may be varied.
The spark discharge from the machine, when the latter is completed, takes place between these balls.
The machine still remains to be fitted with the "neutralizers" and a set of Leyden jars.
The Neutralizers are illustrated in Figure 14. Two are required. They consist of a piece of one-eighth inch brass rod, six inches long, having the ends bent over at right angles so as to form a shallow U. The distance between the ends when bent should be about three and five-eights inches. A tuft of tinsel should be soldered to the ends of each of the neutralizers.
Each neutralizer rod is supported by a hard rubber washer three-quarters of an inch in diameter and five-sixteenths of an inch thick. In the centre of the washer a hole should be drilled, which will fit snugly onto the rods upon which the plates are mounted and revolve. The neutralizer rod passes through a hole in the upper part of the washer as shown in the illustration.
Before the neutralizers can be put into position it will be necessary to pull out the rods which support the plates so that the plates can be removed. The hard rubber washers supporting the neutralizers are then slipped over the rods so that one will come between each support and plate when the latter is put back into position. The rods should be turned so that the tinsel tufts touch the sectors. The rubber washers should fit snugly on the rods so that the neutralizer will stay in any position in which it is placed. The proper position for the front neutralizer is a little less than half way between vertical and horizontal as shown in Figure 1. The neutralizer behind the rear plate should be at right angles to that in front.
The machine is now all ready for operation. In order for it to operate satisfactorily it is necessary for it to be warm and dry. It is, therefore, a very good idea to thoroughly dry the woodwork and give it a coat of varnish or shellac so that it cannot absorb any moisture. It may be necessary to start the machine by rubbing a glass rod with a piece of flannel or silk and then touching the rod to some of the sectors. The handle of the machine should be turned from left to right, that is, in such a direction that the front plate revolves in the same direction as the hands of a clock.
If the machine is in proper working order a stream of small sparks should flow between the spark balls on the ends of the discharger rods, provided they are not over a half inch apart, when the crank is turned.
The spark can be intensified and lengthened by fitting the machine with two small Leyden jars.
The Leyden Jars are made from small test tubes three inches long. The inside of the tube should be coated with tinfoil to within about one inch from the top. The outside of the tube should be coated in the same manner for the same distance. The tinfoil can be secured to the glass with shellac.
The top of the Leyden jars is closed with an ordinary cork. A piece of heavy brass wire bent into the form of a hook should pass through the cork and make connection with the tinfoil on the inside of the tube. One Leyden Jar should be hung over each of the collector rods by means of the hook. The tinfoil coatings on the outside of the jars should be connected together by a piece of wire running across from one tube to the other.
The machine is now complete and ready for performing a number of very interesting experiments.
A Leyden Jar is a very simple device for accumulating and storing static electricity. It consists simply of a wide mouthed jar or bottle coated with tinfoil part way up on both the outside and the inside in exactly the same manner as the small test tubes used on the static machine.
Not all glass jars are suitable for making Leyden Jars. The quality of the glass varies considerably and some will be found far superior to the rest.
The glass vessels used by chemists and called "beaker glasses" usually make excellent Leyden Jars.
It is not very difficult to make a good Leyden Jar. After you have selected the jar or bottle you wish to use, clean and dry it very thoroughly. Then give the inside a thorough brushing over with shellac. Cut a strip of tinfoil which is long enough to go all the way around the inside of the jar and about two-thirds its height. Before the shellac is thoroughly dry but is still sticky, insert the tinfoil strip carefully into the jar and press it smoothly against the glass.
The outside of the jar should also be given a coat of shellac and covered with tinfoil in exactly the same manner. The tinfoil on the outside of the jar should be the same height as that on the inside. The bottom of the jar should be coated, both inside and out by cutting two circular pieces out of the tinfoil and sticking them on with shellac.
The jar should be provided with a wooden cover which will fit snugly into the top. The wood should be dried and then given a coat of shellac so that it cannot absorb any moisture.
It may perhaps be well at this point to emphasize how highly important it is to always keep all static electrical apparatus thoroughly dry and to construct it so that it will not collect or absorb any moisture.
A small hole should be bored through the centre of the cover so as to permit a brass rod to pass through. A piece of spring wire bent into a spiral should be attached to the lower end of the rod. When the cover is in position, the spring wire should make contact with the tinfoil on the inside of the jar.
It is a very good idea to fit the top of the rod with a small brass ball. This will prevent the electricity from "leaking" from the sharp corners on the end of the rod. Static electricity leaks very easily from sharp corners or points, but does not escape so readily from round corners or balls.
The Leyden jar may be "charged" with electricity from the static machine by connecting a wire from one of the discharge rods to the outside tinfoil coating on the jar. Another wire should be connected from the other discharge rod to the rod on the jar which connects with the inside tinfoil coating.
Turning the handle of the machine rapidly for ten or fifteen seconds will charge the jar. Disconnect the wires as promptly as possible so that the electricity in the jar will not have a chance to leak back into the machine. Be very careful while doing this, however, because if you should happen to touch the tinfoil on the outside of the jar and the rod which connects with the inside coating at the same time you will get one of the surprises of your life.
The shock won't really hurt you any but it will be very uncomfortable and somewhat surprising.
You can discharge a Leyden jar by bringing a piece of wire which is connected to the outside coating, near to the knob on the rod. When the wire is close to the ball the electricity will jump across the space in the shape of a snapping white spark.
The Leyden jar can be used in connection with a number of experiments described later on.
Bottled Lightning. A very pretty effect can be obtained by passing the spark from a Leyden jar or a static machine over a "lightning board." A "lightning board" consists of a pane of glass having a number of small squares of tinfoil stuck on it so that when the electrical discharge is passed over it, sparks take place between the little tinfoil squares and produce an effect something like miniature lightning.
A lightning board suitable for the static machine just described may be made from a strip of ordinary window glass about nine inches long and two inches wide.
Clean the glass thoroughly and then give it a coat of shellac on one side. As soon as the shellac becomes sticky, lay on a strip of tinfoil the same size as the glass and rub it down smoothly. When the shellac has thoroughly dried so that the tinfoil is stuck tightly to the glass, the board is ready to be cut up into squares. This can be best accomplished by means of a sharp knife and a ruler. Use care in doing the work so as not to tear the tinfoil and be sure that the knife cuts all the way through to the glass. Leave two solid strips of tinfoil at each end to which to make connections.
The lightning board should be mounted by cementing it in a slot in a cork in a bottle so that the glass bottle serves as an insulated support.
If one of the tinfoil strips left solid at the end of the board is connected to one of the discharge rods on the static machine and the other end is connected likewise to the other discharge rod innumerable little sparks will zig-zag between the tinfoil squares when the machine is set in operation. The effect is quite pretty if the experiment is performed in a dark room.
The Leyden jar can be charged by the static machine and discharged through the lightning board. The sparks produced by the Leyden jar will be much more brilliant than those of the static machine above.
A very pretty effect can be produced by arranging the tinfoil in the form of a pattern or design as for example that illustrated in Figure 19. A strip of glass about the same size as that used for the lightning board may be employed. The glass is coated with shellac and as soon as it becomes sticky, small rectangular pieces of tinfoil arranged in a zig-zag pattern and having small spaces between them, are stuck in position. The end pieces are made larger than the other strips so as to afford means for connecting the wires. The strip should then be insulated and mounted by cementing it in a slot in the cork of a glass bottle.
The apparatus shown in Figure 20 is made according to the same plan but the glass in this case is in the form of a square instead of a strip. The tinfoil strips are arranged in the form of a seven pointed star or any other pattern which may be desirable. The two large strips A and B are the ones to which the wires should be connected.
The Electric Parasol is illustrated in Figure 21. It is made by pasting some narrow strips of tissue paper, about three-sixteenths of an inch wide and three or four inches long, to a small cork which has previously been covered with tinfoil. The strips can be made most easily by cutting a small sheet of tissue paper into strips like the teeth of a comb as shown in the upper right hand corner of Figure 21. The tinfoil covered cork should be mounted on the upper end of a stiff copper or brass wire supported in a bottle.
If this wire is then connected to one of the discharge rods on the static machine and the hand held to the other, the paper strips will spread out like a parasol or umbrella, as soon as the machine is set in operation.
A novel experiment somewhat similar in principle to the "electric parasol" is that shown in Figure 22.
Three small paper birds about the size of that shown at the right hand side of the illustration should be cut out of tissue paper and each one attached to a piece of cotton thread about six inches long. The threads are then tied to one end of a T-shaped frame bent out of copper wire and supported on a bottle.
If the wire frame is then connected to one of the discharge rods and the hand held to the other while the machine is set in operation, the birds will rise in the air and fly around as far as the threads will let them.
Electric Acrobats. The apparatus shown in Figure 23 consists of a circular metal plate about four inches in diameter suspended by a wire from a wire "T" stuck in a cork in a bottle. Another circular metal plate of the same size is laid on the table below the other. The distance between the two plates should be about one inch or an inch and one-half.
Cut three or four little figures, the same size as that shown in the upper right hand part of the illustration, out of tissue paper and lay them on the bottom plate.
The circular metal plates may be made of sheet tin, copper, brass or galvanized iron. Even cardboard, provided that it is covered with tinfoil, will serve.
The upper plate should be connected to one discharge rod on the static machine and the lower plate to the other. Then as soon as the machine is set in operation the little paper figures will begin to dance up and down, stand on their heads, hang by one foot or hand, turn somersaults and perform all sorts of stunts.
Gunpowder may be ignited by the spark from a Leyden jar. A miniature mortar may be made from a piece of broom handle about an inch and one-half in diameter with a hole one inch deep in one end as shown by C Figure 24. The mortar should be fastened to a small wooden base which will support it in an inclined position as in the illustration.
Bore two small holes through the wall of the mortar, near the bottom and exactly opposite to each other Insert two short pieces of coper wire, W, W, in the holes and fasten them tightly in position. The ends of the wires should be about one-eighth of an inch apart.
A small pinch of gunpowder is then placed in the bottom of the mortar.
Charge the Leyden jar and then discharge it through the mortar by connecting it to the two wires W, W. As soon as the spark passes, the powder will explode. An experiment such as this should be performed cautiously and the face and hands should be kept away from the powder. Do not put more than a pinch of powder in the mortar at a time and by all means keep the reserve supply out of the way so that there will be no danger of exploding it by accident.
An Electric Whirligig is an interesting piece of apparatus which may be built by following the suggestions contained in Figure 25.
Mount four pieces of dowel about three inches long at the corners of a wooden base about eight inches long and two inches wide so that they form four vertical posts as shown by A, B, C, D.
The dowels, as well as the wooden base should be carefully dried and shellaced so that they will not absorb any moisture.
Stretch two pieces of straight stiff wire between the posts A C and B D, near the top. The wires should be perfectly straight and level.
The whirligig itself is made by passing a sewing needle through the axis of a small cork. Four small wires having the ends bent over at right angles should then be stuck in the cork as shown in the upper left hand part of Figure 25. All of the wires should point in the same direction.
The four wires should all be the same length so that the whirligig is perfectly balanced. The cork is then covered with tinfoil so that there will be an electrical connection between the four small wires and the needle forming the shaft.
The two wires A C and B D are connected together by a wire A B and a piece of flexible wire led to the Wimshurst machine. The opposite side of the Wimshurst machine is then grounded or touched with the hand. If the whirligig is laid on the wires A C and B D as shown in the illustration and it is perfectly balanced it will commence to revolve and roll along the wires just as soon as the Wimshurst machine is set in operation. It is the escape of the electricity from the points of the four wires on the whirligig which causes this.
Other interesting experiments in static electricity may be performed with the aid of a Wimshurst machine and the experimenter who is sufficiently interested to continue farther is referred to any good book on physics or some such volume as "The Boy Electrician".
Sources of Current. One of the chief difficulties of the average young experimenter is to secure a satisfactory source of current for operating his apparatus.
There are three means at his disposal and he may draw his electricity from
A power or lighting circuit;
A dynamo;
Batteries.
Only those who are so fortunate as to live in a house wired for light and power service and supplied from the street mains, are likely to be able to utilize the first named. Those experimenters who live in towns where there are no commercial power wires or whose homes are not wired for such service will have to therefore depend upon a dynamo or a battery.
A dynamo is a very satisfactory source of current, provided some sort of power, such as a windmill, water motor or small engine is available for driving it. A hand dynamo is unsatisfactory for some purposes because the experimenter is usually unable to drive the dynamo and attend to other work at the same time.
Batteries are the most expensive source of current but for many reasons, as explained above, are all that is available to the average experimenter.
There are two classes of batteries, known as
Primary batteries;
Secondary or storage batteries.
Primary Batteries are those which generate their own current by the action of some chemical such as, for example, an acid upon a metal.
Secondary Batteries derive their current from a dynamo or other source of electricity and store it away in the form of Chemical energy until it is used up. A storage battery might be likened to a pail, which can be carried to a dynamo and filled full of electricity. Those who possess a storage battery can recharge it themselves from the 110-volt lighting or power circuit, from a dynamo or by taking it to an automobile garage where recharging is done.
Homemade batteries are not as practical as those which can be purchased ready made, but the knowledge and experience gained in making your own are so valuable that every experimenter is urged to start in this way.
Various materials such as zinc, copper, carbon, etc., can be used to make some very interesting and valuable batteries.
One of the most common mistakes made in reference to cells and batters is in calling a single cell a battery. One cell is a cell. More than one cell connected together is a battery of cells or simply a battery.
The first practical cell was invented in 1786 by an Italian professor named Volta and it is, therefore usually called the Voltaic cell.
A Voltaic cell may be easily made by the experimenter, by placing some water, mixed with sulphuric acid, in a glass tumbler or a jelly jar and then immersing therein a strip of zinc and a strip of copper, each about four inches long and one inch wide. The strips must be kept separate from one another and should be scraped clean and bright before they are placed in the solution. A copper wire is fastened to the top of each one of the strips. The acid solution should be composed of one part of acid, mixed with ten parts of water.
When mixing acid and water, always remember to pour the acid into the water and never pour water into acid. Otherwise the solution will suddenly become very hot and is liable to crack the jar. Acid should always be mixed in a glass or earthenware vessel and never in any sort of a wooden or metal receptacle, because it will attack and dissolve metals and wood.
As soon as the acid has been prepared for the Voltaic cell fill a tumbler about three quarters full and then immerse the zinc and copper strips therein. As soon as the strips are in the acid, bubbles will commence to rise from the zinc. These bubbles are a gas called hydrogen and are evidence of a chemical action which takes place in a battery. The zinc is being dissolved by the acid and during the process, sets free hydrogen gas.
It will probably be noticed that very few bubbles arise from the copper plate and that there seems to be little chemical action there.
It will also be noticed that if the two wires connected to the strips are brought together the bubbles will arise from the zinc much faster than before. That is because, when the wires are connected together, a complete electrical circuit is formed: The zinc is really being oxidized or slowly burned. If zinc is burned in the open air or in a fire it will give out its energy in the form of heat but when it is burned in an acid solution in the presence of another metal it gives out its energy in the form of electricity.
The zinc strip in a Voltaic battery is known as the negative pole or cathode, and the copper strip, as the positive pole or anode. When the electrical circuit is completed by touching the two wires connected to the poles together, the current is supposed to flow from the positive pole through the wires and back into the solution through the negative pole.
If the two wires, instead of being connected together, are connected to an electrical instrument called a voltmeter the needle or pointer on the meter will swing over and point to about one volt.
A Voltmeter is an instrument for measuring electrical pressure or potential. The pressure of an electric current is measured in volts just as the pressure of water may be measured in pounds.
If the copper strip is lifted out of the solution and a carbon plate or rod also having a wire attached is substituted in its place it will be found that the voltage or potential has increased to one and one-half volts. Zinc and carbon are said to have a greater potential difference than zinc and copper and inasmuch as it is usually desirable for a battery to have the greatest potential difference possible, zinc and carbon are employed in the batteries of to-day instead of zinc and copper.
If the wires are then disconnected from the voltmeter and connected to an electrical instrument called an ammeter, the needle or pointer will probably swing over until it indicates a current of perhaps ten amperes. An ammeter is an instrument for measuring the volume of an electric current. An ampere is a unit of current and is used to designate the rate of flow just as feet per second are used to denote rate of flow in the case of water in a pipe.
If the meter is allowed to remain connected to the cell for a short time it will be noticed that the pointer will commence to slowly drop back towards zero.
The cell is then becoming polarized, which is to say that small bubbles of hydrogen which are liberated by the chemical action, collect on the carbon and cause the strength of the battery to fall off. If the battery is agitated or the carbon is lifted out and scraped it will be found that the current will immediately rise again to its first strength.
It would be a nuisance if it were continually necessary to scrape the carbon or shake the battery so as to avoid polarization and so another means is employed to secure the desired result.
This is accomplished by introducing certain chemicals into the solution which will give forth oxygen. When oxygen and hydrogen meet under proper conditions they combine and form ordinary water.
Bichromate of potash or as it is also often called potassium bichromate is the chemical most commonly employed for this purpose.
The materials required for making batteries, suitable as a source of current for the experimenter, will not be found expensive in most cases.
Carbon rods and plates may be purchased from an electrical supply house but they can also be easily and cheaply obtained from old dry cells. Dry cells may be split open with a cold chisel and a hammer. Care should be exercised not to break the carbon in removing it.
The round carbon rods used in arc lamps may be used for making batteries provided that if they are copper plated, the copper is first removed by immersing the rod in a bath of nitric acid. If this precaution is not taken there will be a "local action" set up between the copper and the carbon and the battery will not be as efficient as it will be if the copper is removed.
Carbon rods and plates are easily drilled with an ordinary hand drill. Carbon is quite brittle and breaks easily, therefore only very light pressure should be used.
While zinc rods and plates may also be purchased they are easily made by the experimenter who possesses a little ingenuity. The melting point of zinc is quite low. It can be melted in a small iron pot and cast into the form of rods or plates in plaster-of-Paris moulds. Plates may also be cut out of heavy sheet zinc.
Ordinary jelly-glasses, tumblers, fruit jars, etc., make good jars for small cells. The tops of fruit jars and batteries can be cut off so as to make the opening larger.
The cutting can be done with an ordinary glass cutter or by filling a scratch completely around the jar or bottle, at the place it is desired to cut it off, with a three cornered file. If a hot poker or wire is then held against the scratch it will commence to crack along the line and follow the hot poker as it is drawn around.
Figure 28 shows a simple arrangement consisting of a carbon and a zinc plate mounted upon a wooden strip. The strip is used to support the plates and rests across the top of the jar so that the plates hang below in the solution. Most chemicals attack wood and for that reason it is well to dip the strip in some hot paraffin. The carbon and zinc plates are fastened on opposite sides of the wooden strip by means of a round headed screw and a washer. A wire lead should be placed under the washer on each plate. If the screw and washer are then smeared with some hot paraffin or vaseline they will be protected from corrosion.
Care should be used so that the two screws employed to fasten the plates to the strip do not touch each other in the wood. If they should, the battery will be "short circuited" and the current will flow through the screws instead of the wires.
Figure 29 shows an arrangement consisting of two carbon plates mounted upon a wooden strip. The zinc element consists of a rod set in a whole in the strip between the two carbon plates.
It will be found that two carbon plates will form a better cell than one with only one plate or rod.
The arrangement illustrated in Figure 30 shows two carbon rods and one zinc rod clamped between two wooden strips. The zinc rod is placed in the center and the carbons to either side.
The wooden strips are cut away a bit at the points where they clamp the rods so as to form sort of a groove into which the rods fit without slipping or twisting. The strips are drawn together tightly at the ends by two wood screws.
When more than one carbon rod or plate is used in a cell, the carbons should all be connected together so as to form a single unit.
The drawing in Figure 30 shows a wire twisted around the carbons so as to connect them together but it would be a far better connection if the wire was clamped between the carbons and the wood so that it is held firmly.
Four carbon rods may be utilized by following the suggestion shown by the drawing in Figure 31.
This consists of a square piece of wood about 4 x 4 inches and one-half of an inch thick.
A zinc rod is set in a hole in the center. Four carbon rods are set in a circle around the zinc and held in place by screws. All the carbon rods should be connected together. The wooden top not only serves to support the carbon and zinc rods, but will also act as a cover for the cell and prevent the solution from evaporating.
It has already been shown how cells become "polarized" when the solution consists simply of sulphuric acid and water. An ordinary acid solution also has the further disadvantage that the zinc element is continually consumed by the acid when it is in the solution, regardless of whether current is being drawn from the cell or not. It is of course consumed more rapidly when the circuit is complete and current is flowing than when it is not, but the action is still nevertheless sufficiently rapid to entirely consume the zinc even in the latter case in a very short time. If an ordinary acid solution is used therefore as the liquid or electrolyte, as it is technically termed, it is always necessary to lift the elements out of their solutions whenever the cells are not in use. They should be lifted out and carefully washed so as to remove all traces of acid.
A milder chemical which does not attack the zinc so rapidly as an acid is often used wherever a battery is to be employed for ringing bells, operating sounders, telephoning, etc., and only a small amount is required.
Sal-ammoniac or chloride of ammonium, as it is also called, is a good chemical for this purpose. It is very cheap and only requires to be dissolved in water. A good strong solution should be made and an element consisting of several carbons and one zinc such as those shown in Figures 29, 30 and 31 used.
Such a cell will give about 1.5 volts and 3 or 4 amperes. If the current is drawn from the battery continuously or too rapidly, it will also polarize and the current will begin to fall off. The advantage of a sal-ammoniac cell is that the elements may be left in the solution when the cell is not in use, without appreciable waste of the zinc.
A very powerful cell of the non-polarizing type capable of delivering a heavy current and having an E. M. F. of two volts can be made by adding some potassium bichromate to a sulphuric acid solution.
An electrolyte of this sort may be prepared by dissolving four ounces of bichromate of potash in sixteen ounces of water. Add to this, four ounces of sulphuric acid. The acid should be added slowly and the solution stirred at the same time.
This solution will be found an excellent one to use with cells having carbon and zinc elements. The current and voltage are much higher than those of an ordinary acid solution.
This type of cell also has the disadvantage that the zincs waste away rapidly when in the solution, regardless of whether current is being drawn or not. This can be partly overcome by amalgamating the zincs with mercury. In order to amalgamate your battery zincs, procure a little mercuric nitrate from a druggist or chemical house. Dissolve the mercuric nitrate in a small amount of water and then rub the zincs with a wad of cotton or cloth which has been dipped in the mercuric nitrate solution.
The arrangement shown in Figure 32 is a very convenient one to follow in arranging a battery of three or more cells. The elements of three cells are all mounted upon a strip of paraffined wood and connected in series. The three battery jars are placed in a row so that each pair of elements will dip into their proper jar when the strip is laid across the tops.
Such an arrangement is not only more compact than one having the elements composing each cell mounted upon separate strips, but will be found very convenient when an electrolyte composed of bichromate of potash and acid is used, because all the elements may then be raised out of the solutions at the same time.
It is possible to place the jars in a frame and arrange a windlass fitted with a crank so that the elements may be easily raised or lowered from and to the solution. Such an arrangement is called a "plunge battery."
Cells may be connected either in series, in multiple, or in series-multiple, depending upon the number of cells to be used and the amperage and voltage desired.
Cells are in series when they are connected with a wire leading from the negative pole of one of the positive pole of another, so that the current flows through each one in turn. Figure 33 shows six cells connected in series. Cells are placed in series when voltage is the most important factor. The total voltage of the battery is then equal to the sum of the voltages of the cells. For example, the voltage of the ordinary dry cell is about 1.5 and therefore if four dry cells are connected in series the total voltage of the battery will be six. If six dry cells are connected in series the voltage at the terminals will be about nine.
When a heavy amperage is desired, cells are connected in multiple. Figure 34 shows six cells connected in multiple. It will be noticed that all the negative poles are connected together to form one terminal, while all the positive poles form another. The amperage of the average dry cell is about 20. The amperage of a battery of cells connected in multiple is equal to the sum of the amperages of the separate cells. The amperage of four cells connected in multiple will be about 80 and about 120 in the case of six cells.
The life of the average dry cell is about twenty ampere hours under normal conditions. If however the cell is discharged at a high rate, say for instance, five amperes, it will be found that the life is less than twenty ampere hours. On the other hand, if the discharge rate is very low, as for example, one-quarter of an ampere, the capacity of the cell will be greater. In order to get the most economical service from a battery it is therefore advisable to lighten the load as far as possible, and cells are consequently often connected in series-multiple with that result in view. In a case, for illustration, where it might be desirable to secure a current 4 1/2 volts and five amperes from dry cells, the series-multiple arrangement could be recommended. Three dry cells connected in series will furnish 4 1/2 volts and five amperes, but by using two sets as in Figure 35, the load is divided between them and each set will only have to furnish amperes to the circuit. Two sets of cells used in series-multiple will therefore last more than twice as long as either set would alone.
The series-multiple arrangement is recommended where cells are to be used for operating toy trains, induction coils, motors, etc., as being the most economical.
Always be sure to use large wire in connecting cells. Fine wire offers considerable resistance to the electrical current and the full benefit of the batteries cannot be secured when it is used.
Use care to scrape all connections so that they are clean and bright. Tighten the binding posts with a pair of pliers so that there is no chance of their becoming loose.
Another wise precaution is to always arrange batteries so that there is a small space between two cells and no likelihood of any of the wires or binding posts coming into contact with one another so as to form a short circuit.
After the connections have been carefully made a little vaseline smeared over them will prevent corrosion.
Storage or secondary cells (also sometimes called accumulators), differs from primary cells in that they will not give forth an electric current until they have been charged by passing an electric current through them.
The Storage Cell is therefore a very convenient means of taking electric energy at one time or place and storing it up for future use. From this it must not be implied that electricity is actually stored in such a battery. The energy of the electric current is really changed into chemical energy and this energy produces electricity when the cell is again discharged.
The superiority of the storage cell over any other form of battery is universally recognized. The dry cell has an E. M. F. of only 1.5 volts and deteriorates rapidly with age. The E. M. F. of a storage cell is 2 volts, or 33 1/3 per cent higher. Storage cells will operate almost any electrical device with increased power over any other form of battery. A wireless set will send farther, lamps will turn steadier and a motor will give more power.
If properly cared for, a storage cell will last indefinitely. It may be recharged an unlimited number of times and is exactly as good as new each time. A dry cell must be thrown away when discharged.
Storage cells are rated by their output in Ampere Hours. An Ampere Hour is the amount of current represented by one ampere flowing for one hour. A 10 ampere hour cell will give 2 amperes for five hours, 1 ampere for 10 hours, 1/2 ampere for 20 hours, etc. The ampere hour capacity of a cell divided by the amount of current being used will determine how long that current can be drawn before recharging is necessary.
Storage cells may be recharged from any source of direct current, that is, from the lighting circuit, in series with a lamp, from a small shunt wound dynamo, from dry cells or other primary batteries, or from alternating current by using a Rectifier.
Storage cells consist of lead plates immersed in an electrolyte of dilute sulphuric acid.
Cut two strips, one inch wide and five inches long, out of sheet lead about one-eighth of an inch thick.
Attach a wire to each one of the plates and then immerse them in a jar full of electrolyte composed of:
Ten parts of water.
One part of sulphuric acid.
Connect the wire leading from the plates to a voltmeter and you will notice that the pointer will not move away from zero.
Disconnect the wires and mark one plate as the positive, by means of a little cross; mark the other plate negative, with a straight line.
Connect two good bichromate cells in series and lead the positive terminal to the lead plate marked with a cross. Connect the negative pole of the battery to the other lead plate. Bubbles of gas will immediately begin to arise from the lead plates. Let the batteries remain connected for about five minutes and then remove them. If you then connect the two lead plates to the voltmeter again you will find that the needle now swings nearly to two volts.
You will also find that your storage cell, for the two lead plates are now a storage cell, will also ring a bell or run a small motor for a few seconds.
The two lead plates became charged when the current from the bichromate cells was passed through them. This little experiment illustrates the principle of the storage cell very well.
A storage cell made of lead plates in the manner just described would not possess sufficient capacity to make it worth while as a practical cell. It has been found that if instead of a solid flat plate, a framework or grid is used, consisting of a set of bars crossing one another at right angles, leaving spaces between, which are filled with a paste made of lead oxides, there will be a considerable gain in the capacity of the cell.
The storage cell illustrated in the accompanying illustrations is very simple to make and a battery of them capable of delivering six or eight volts will prove a very convenient source of current for performing all sorts of electrical experiments.
The plates are cut from sheet lead from one-quarter to five-sixteenths of an inch thick. The height and width will depend upon the size of the jars used. There are several sizes of rectangular glass storage cell jars on the market, and if the plates are made about three inches wide and three and one-half inches high, they will fit the smallest size of jar. A lug about one inch and one-half long and three-quarters of an inch wide is left projecting at the top.
Three plates are used in each cell. Each cell will have an E. M. F. of two volts when fully charged. In order therefore to have a battery capable of delivering six volts, three cells will be necessary. Nine plates will be required for three cells.
The body of the plates should then be drilled full of holes about one-eighth of an inch in diameter as shown by B in Figure 39.
The plates are now ready for pasting. Select three of the plates and mark them with a small cross. These are to be positive plates when finished. The paste for these plates is made by mixing red lead with diluted sulphuric acid. The paste should form a good stiff mixture. Lay the three plates upon a smooth board and press the paste carefully into the holes with a flat stick. They are then laid aside to dry and harden.
The six remaining plates are to be negatives when finished and they are pasted in identically the same manner as the positives except that the paste is made of a mixture of yellow lead and dilute sulphuric acid instead of red lead.
A pasted plate is shown at the right in Figure 39.
Cut six rectangular pieces, three by three and one-half inches, of heavy blotting paper or thin whitewood. The thin wood used in the construction of fruit baskets may be used for this purpose. These rectangles are to be used as "separators" between the plates.
The plates should then be assembled in groups of three, as shown in Figure 40. The positive plate is placed in the centre with a separator on either side. Two negative plates are then placed on the outside. The lugs on the negative plates should come opposite to each other. A square lead block having a hole bored through the centre may be placed between the two negative lugs. The lugs are then clamped together with a binding post and a screw. The plates are held in a compact bundle by two heavy rubber bands passing around them.
Each group of plates is then placed in its proper jar and the jar filled full of a mixture composed of:
Four parts of water, and
One part of sulphuric acid.
The plates are now ready for forming.
The cells are connected in series by leading a wire from the negative of one to the positive of another and so on.
The terminals of the battery are then connected to a steady source of direct current of at least ten volts. The positive pole of the battery should be connected to the positive of the current source and the negative to the negative.
The source of current may be (1) the 110 volt D. C. supply in series with a lamp bank as described in Chapter IV; (2) the 110 volt A. C. supply after it has passed through a rectifier; (3) another battery, or (4) a shunt wound dynamo.
The current passed through the storage cells during the forming process should be about one ampere for cells of the size described above. As soon as the positive plates of the storage cells have changed to a dark chocolate-brown color and the negatives to a gray-slate, disconnect the storage battery from the source of current and proceed to use it just as you would any ordinary battery. Use it until it is exhausted and then connect to the charging current again, taking care to make certain that the positive pole of the battery is connected to the positive pole of the current source.
After the cells have been recharged and discharged in this manner about ten times they will be completely "formed" and ready for permanent service.
Complete directions for recharging storage cells and instructions for their care and maintenance will be found further on.
The only objection to the storage cells just described is that the paste is liable to fall out of the plates in time. The plates or "grids" as they are called used in commercial storage cells are cast in elaborate moulds which make it possible to overcome this difficulty. Such grids cannot however be made by the experimenter.
Jars, pasted plates and empty grids may be purchased from well known firms dealing in apparatus for the experimenter, and with their aid it is possible to construct a very substantial and durable storage cell at home.
The empty grids or fully formed plates may be purchased in the following sizes:
Positive or Negative Plate, size |
2 7/8 x 2 1/2 |
" |
3 1/8 x 2 7/8 |
" |
3 5/8 x 5 3/4 |
" |
4 3/4 x 2 7/8 |
" |
4 3/4 x 5 3/4 |
Glass jars will be found satisfactory for stationary batteries. Rubber jars are however advisable for portable batteries. Jars of the following sizes may be easily obtained:
Glass Jar, outside |
3 3/4 x 4 x 1 1/2 inches |
Glass Jar, outside |
3 3/4 x 5 x 1 1/2 inches |
Hard Rubber Jar, outside. |
6 1/2 x 3 1/2 x 1 1/2 inches |
Hard Rubber Jar, outside. |
6 1/2 x 6 1/2 x 1 1/2 inches |
If the empty grids are purchased, they should be pasted in the same manner as those plates just described. An empty grid of this type is shown in Figure 42. A pasted plate is shown along side of it.
The two negative plates in cells of this type are fastened together by "burning" into a lug, The lugs for this purpose may also be purchased and will be found inexpensive.
The long lugs on the negative plates are cut off so that they will only just project through the rectangular holes in the "connecting lug" when the latter is in place, as shown by A in Figure 43.
The plates are "burned" into the connecting lug by using a red hot soldering iron to melt the lead until they flow together at those points. This is a job requiring a little skill and the experimenter had better practice burning some odd bits of lead together first so as to avoid all possibility of spoiling his plates.
The positive plate is placed in position, as shown in Figure 44.
Wooden separators of the same size as the plates are placed between the plates and the whole strapped together with heavy rubber bands near the top and bottom.
The cells are then placed in their jars and the latter poured full of electrolyte, providing that the batteries are to be of the stationary or open type.
If it is desirable that they be portable and arranged so that the acid will not easily spill, it will be necessary to seal them at the top.
The sealing is accomplished by cutting a "cover" strip out of thin wood which will slip down over the lugs into the jar so that it comes about one-half an inch below the top. A small hole should be bored in the centre of the cover strip to receive a short piece of hard rubber or lead tubing, which will act as a vent and permit the gases formed during charging to escape or the electrolyte to be emptied at will.
The cover strip should fit into the jar tightly so that when the sealing mixture is poured in it will not run down around the plates or into the jar.
The top of the battery is then poured full of a molten compound of asphaltum and pitch.
No attempt should be made to seal the batteries when they contain acid. The inside of the jar should be clean and dry.
After the cells are sealed and filled with electrolyte they are ready for either forming or charging, depending upon whether the empty grids were purchased and pasted by the experimenter or the plates were bought already pasted and formed.
If they require forming, they must be put through the same forming process which has already been described.
The finished cells when sealed will appear like those shown in Figure 45, according to the sizes of plates and jars used.
Storage cells are especially affected by the usage given them. If they are mistreated they will quickly go to pieces, whereas, on the other hand if well treated they will last indefinitely.
It is important that the electrolyte used in the cells should always be of the proper strength. The only accurate method of preparing the electrolyte is with the aid of a hydrometer. A hydrometer is an instrument for determining the specific gravity of solutions.
It is a little device which looks somewhat like a thermometer. It is placed in the solution and allowed to float. There is a numbered scale along the upper part of the hydrometer and the specific gravity or strength of the solution is indicated on the scale by the point which is level with the surface of the solution.
The normal specific gravity for a storage battery solution should be about 1.250. The strength can be increased by adding more acid and decreased by adding water.
Ordinary commercial or technical grades of sulphuric acid and ordinary water are satisfactory for primary batteries, but the acid and water used in making the electrolyte for storage cells must be chemically pure if you wish to obtain good results and desire your batteries to hold their charge while standing.
Storage cells can be recharged with DIRECT current only. A dynamo for recharging storage cells must be SHUNT wound. The voltage of the charging current must be greater than that of the storage cells. About three volts of charging current will be required for each cell of the storage battery. Cells may be connected in multiple when recharging so as to bring the voltage of the cells below that of the charging current. It will of course, however, take much longer to recharge cells connected in multiple than the same cells connected in series, provided that the amperage of the current is the same.
Storage cells must not be recharged too rapidly. It is better to recharge them slowly rather than too rapidly. Two amperes is plenty for small cells of 10-15 ampere hours capacity. Three amperes is sufficient for cells of 15-25 ampere hours capacity. Five to six amperes is the right charging rate for a 40 ampere hour battery and 8 amperes in the case of a 60 ampere hour battery.
Storage cells should never be allowed to stand discharged for any length of time or the plates are liable to become hardened and "sulphated." They turn white when they are sulphated. It will take a great deal of charging and recharging to get them back in shape when once they get in that condition.
Never short circuit a storage cell or discharge it too rapidly.
Whenever any great amount of sediment collects in the bottom of the jars, pour out the acid solution and wash the cell out thoroughly with some pure water.
The plates of a storage cell should always be raised up off the bottom of the jar, so that any sediment which collects will fall below.
It is a very good plan to keep the terminals of a storage cell or battery smeared with vaseline so that they will not become corroded.
You can tell when a storage cell or battery is fully recharged by the color of the plates. The positives will in that case be a dark chocolate brown and the negatives a light slate gray color.
A cell which is fully recharged will indicate 2 1/2 volts on a voltmeter connected across its terminals while the charging current is still on.
It is often desirable to operate experimental apparatus and other electrical devices from the 110 volt lighting circuit. Such a circuit may be either direct or alternating, commonly spoken of as D.C. and A.C. The easiest method of reducing the voltage of the 110 volt circuit to a value where it can be used in place of an ordinary battery is to use a step-down transformer. A transformer will, however, operate only on alternating current and it is impossible to use it on a direct current circuit.
It is therefore necessary to secure the desired result by placing an adjustable resistance in the circuit and the most practical method of accomplishing this is to use a "lamp bank."
A Lamp Bank consists of a number of incandescent lamps arranged on a board so that any desired number may be quickly included in or withdrawn from the circuit.
Figure 48 illustrates such an arrangement. It consists of a number of Edison sockets of the type known as "flat-base porcelain receptacles", mounted in two rows upon a suitable baseboard. Six or ten receptacles will usually prove sufficient for the ordinary lamp bank.
The lamps are connected in "series-multiple." The diagram in the upper left hand corner of Figure 48 shows just how this is done. Four binding posts should be mounted upon one end of the board and marked A, B, B and C as shown. B and B are connected together, or to use an electrical term, are "in common."
The 110 volt supply is connected to the posts B and C. If any electrical device is then connected to A and B and a lamp placed in each one of the receptacles, the lamps will be in series with the apparatus and lower the voltage of the 110 volt circuit to a value where it may be used for recharging storage cells, operating toy motors, electroplating, lighting miniature lamps, running toy railways, etc.
110 volt carbon lamps should be used on a lamp bank operated on a 110 volt circuit. Carbon lamps consume more current than tungsten lamps and it will therefore not be necessary to use as many. Each 16 c.p. 110 volt lamp used will allow about one-half of an ampere to pass through the circuit. Thirty-two candle power bulbs of the same voltage will pass about one ampere, while an 8 c.p. bulb will only permit one-quarter of an ampere to flow.
It is therefore very easy to regulate the amount of current flowing by using lamps of different sizes and screwing them in or out of the receptacles.
A lamp bank such as this may of course be used on either the 110 volt A. C. or D. C. circuit.
Oftentimes the only source of electrical energy for experimental work is the 110 volt alternating current supply. This may be reduced to a voltage suitable for operating small battery motors, trains, lamps, etc., by means of a "lamp bank" resistance or a step-down transformer.
Direct current is necessary however in order to recharge storage batteries and to operate many other devices. The electrolytic rectifier is a device for changing alternating current into direct current and will be found satisfactory for this purpose, provided too much is not demanded of it. It is fairly efficient if used only to rectify small amounts of current. It is not efficient when large amounts of currents are passed through it and quickly becomes very hot in such a case.
An electrolytic rectifier consists of an electrode of iron or lead and one of aluminum immersed in a solution of sodium phosphate.
An ordinary glass battery jar may be used to hold the solution, preferably one measuring 5 x 7 inches. The electrodes are supported by a wooden cover which also serves to prevent the solution from evaporating. The cover may be circular in form and simply rest on the top of the jar or may have a groove turned on the underside so that it fits the rim of the jar snugly.
It is a wise precaution to thoroughly saturate the cover with paraffin by immersing it in a molten bath of that material. If the cover is allowed to remain in the molten paraffin until all bubbles have ceased to rise, the paraffin will thoroughly permeate the wood and protect it from the action of the Chemical solution used in the rectifier.
As stated above, one electrode may be made of iron or lead. The other should be aluminum. The electrode may be cut out of sheet metal and made in the form of a strip about one and one-half inches wide and six inches long. The top of each electrode is bent over at right angles and bored with a small drill and an 8-32 brass machine screw is passed through the hole and through the cover into the bottom of the binding post mounted on the top of the cover, thereby serving not only to fasten the electrode securely in place to the underside of the cover, but also to establish connection between the electrode and the binding post itself.
Electrodes which are cut out of sheet metal possess the disadvantage that they are not quite as efficient and will not last as long as electrodes which are cast.
Cast electrodes are much heavier and far more efficient in many other ways. They cannot be easily made by the young experimenter, but may be procured from any one of several firms dealing in supplies for experimenters.
The right hand sketch in Figure 52 shows how the electrodes should appear when they are mounted in position on the underside of the cover. They are placed about two and one-half inches to three inches apart.
The solution is formed by dissolving sodium-phosphate in water until a "saturated solution" is formed, that is, until the water will not dissolve any more. Sodium-phosphate dissolves rather slowly and it will be necessary to stir the solution and crush the lumps which form with a stick or glass rod.
Fill the jars nearly to the top and then place the electrodes into position.
The action of the electrolytic rectifier, in changing alternating current into direct current, is interesting and peculiar. The rectifier acts much like a valve which opens one way and closes the other.
If a battery is connected to the electrodes of a rectifier, the positive pole of the battery being connected to the lead or iron electrode and the negative of the battery to the aluminum electrode of the rectifier, the current from the battery will flow through the rectifier and nothing unusual will happen. If, however, the poles are reversed so that the positive pole is connected to the aluminum electrode, oxygen gas will form on the aluminum. The action of the oxygen gas is to combine with the aluminum and form a coating of aluminum oxide all over the electrode. Aluminum oxide is an insulator and it therefore quickly forms an insulating coating which shields the electrode from the solution and stops the passage of the current. This action is almost instantaneous.
If the rectifier is connected to an alternating current supply it will act just like a valve permitting the current to flow in one direction but stopping it whenever the aluminum electrode is positive. The resulting current is therefore, under proper conditions, an intermittent current flowing only in one direction.
An alternating current may be represented by a wavy line drawn above and below a straight line. Every time that the wavy line crosses the straight line it represents an alternation or a reversal of the direction in which the current flows.
The direct current from an electrolytic rectifier working under proper conditions is practically one-half of the alternating current wave and may be represented by the series of waves marked by "C" in the lower part of the illustration in Figure 53.
It will be noticed that these lines do not cross the straight line and the current therefore does not reverse but flows in one direction only.
When a single cell of rectifier is used on the 110 volt current supply, it should be placed in series with a lamp bank or a step-down transformer so that the current is reduced to lower voltage.
Figure 54 shows how to connect a storage cell in series with a single cell of rectifier and a lamp bank so that the storage cell may be recharged from the alternating current. A step-down transformer will be found more efficient and not quite so wasteful of current as a lamp bank. The rectifier and the storage cell are simply connected in series with the secondary of the step-down transformer in order to secure this result.
The negative pole of the storage cell must always be connected to the aluminum electrode of the rectifier.
The series of little curved lines at the bottom of Figure 53 which represent the alternating current after it has been changed into direct current by the action of the rectifier, have a space between each two, showing that there are periods during which no current flows but that the current is intermittent and made up of a number of short impulses. One-half of the alternating current is therefore really wasted.
It is possible, by means of four cells of rectifier, to so connect them that "both halves of the alternating current wave are utilized" and the spaces are filled up as shown in the lower part of Figure 55.
The current which would normally be in a reverse direction, and therefore below the straight line, has been completely reversed so that it flows in the same direction as that above the line.
Figure 56 shows how to connect four cells of rectifier in order to secure this result.
An electrolytic rectifier composed of cells approximately 5 x 7 inches, as described, will not efficiently handle a current of over two to two and one-half amperes. A four cell rectifier will operate to the best advantage on a voltage over 50, and for that reason it is always best to use a lamp bank or step-down transformer in connection with it.
When the solution in a rectifier becomes hot it will not operate as efficiently as when cold. The solution becomes exhausted after a certain amount of usage and requires renewal. This condition will be indicated by the failure of the rectifier to operate properly. The old solution should then be thrown away and the jars and electrodes washed and cleaned thoroughly before the new solution is poured in.
A Step-Down Transformer will reduce the 110 volt alternating current to a low voltage. These low voltage currents are still alternating but will operate almost all sorts of direct current apparatus with the exception of permanent magnet type motors which are now practically obsolete.
A suitable step-down transformer may be used to operate electrical toys, such as small fans, motors and miniature electric railway trains, ring bells, light small lamps, operate spark coils, etc., in fact the different uses are practically unlimited, depending only upon the ingenuity of the experimenter.
A step-down transformer cannot be used to recharge storage cells or for electro-plating unless the current is first passed through a rectifier.
A transformer is both in principle and construction really very simple.
It consists simply of two coils of wire wound around an iron core. One coil consists of many turns of fine wire and is connected to the 110 volt alternating current. This coil is called the primary. The other coil consists of a smaller number of turns of larger wire and is called the secondary. The lower voltage currents are obtained from the secondary.
The first step to take in making a transformer is to procure some sheet iron of the sort used for making stove pipes. It is called stove pipe iron.
This iron will have to be cut into a number of pieces like A and B in Figure 58.
The exact shape and dimensions are most easily understood from the illustration. A somewhat resembles a three-pronged fork, while B is simply a strip 2 5/8 inches long and 1/2 inch wide.
A sufficient quantity of each piece will be required to make a pile three-quarters of an inch thick when tightly compressed.
The best method of procedure is to lay out one piece like "A" very accurately and then cut it out. Hammer it out perfectly flat and use it as a pattern to lay out the other pieces with. The cutting can be done with a pair of ordinary tin snips. The pieces should all be cut very accurately and truly so that they will match when piled up. The rough edges of the iron can be smoothed up with a file.
Figure 60 shows how the core should look when it is assembled. It should form a rectangle three and three-quarters inches long and two and five-eighths inches wide.
The method of piling up the laminations, as the pieces forming the core are called, is illustrated in Figure 59. One of the strips B is placed against the open end of A. The next set of strips is arranged in the same manner except that the position is reversed so that the strip B is at the opposite end of the pile. This method is continued, reversing each alternate set of strips until the pile is complete as shown in Figure 60. After the core has been assembled, examine it carefully and make certain that none of the strips are of the wrong size so that some protrude farther than others.
The next step in the work is to make the windings, The windings are each made on a cardboard tube having an inside diameter of about 1 1/16 inches. The tubes may be made by rolling a strip of wrapping paper around a piece of broom handle or some other round object of the proper size. The edges of the tube should be glued so that it cannot unroll.
The secondary winding is an inch and nine-sixteenths long and one and thirteen-sixteenths of an inch in diameter.
It is composed of 120 turns of No. 17 B. S. gauge single cotton covered wire wound in six layers.
A tap is led out at the end of the second layer.
The primary is one and nine-sixteenths inches in diameter and one and one-sixteenth long. It is composed of 1040 turns of wire wound in 13 layers.
The windings must be carefully made and every care taken to see that they are properly insulated. It is a very good plan to insert a layer of paper between each two layers of wire.
After the windings are finished they are ready to assemble on the core. In order to put them in place, the core must be taken apart first. The primary and secondary go along side of each other on the centre tongue of the A strips.
The core is put together again with the windings in position by slipping each alternate "A" strip through from the opposite direction so that when it is all assembled the result is like that shown in Figure 62.
The transformer is now ready for mounting. The usual method of mounting a step-down transformer is to place it in an iron box or case. This is of course the best way because the windings and core are then protected. The experimenter who wishes to go to the trouble of building an iron box for his transformer will find it worth the time.
For the benefit of those however who may wish to mount the transformer on a switchboard or as part of some apparatus, the scheme shown in Figure 63 is suggested. The base consists simply of a rectangular piece of hardwood which has been given a coat of shellac.
The transformer core rests on two wooden strips marked "S" and "S" in the illustration. It is clamped to the base by two strips, "T" and "T," held in position by round head wood screws at each end.
The terminals of the primary winding are led to the two binding posts, marked "P" "P." The secondary terminals are connected to three binding posts, marked 1, 2 and 3.
The 110 volt A. C is connected to the primary posts P P by means of a flexible wire and plug which can be screwed into the nearest lamp socket.
The low voltage is secured from the binding posts 1, 2 and 3.
Binding Posts 1 and 2 will give 2 volts
Binding Posts 2 and 3 will give 8 volts
Binding Posts 1 and 3 will give 12 volts
The drawings in Figures 64, 65 and 66 will be of assistance to those who wish to enclose the transformer in an iron case instead of mounting it on a board.
The case is made of sheet iron. The sides are composed of a strip of sheet iron fifteen and seven-eighths inches long and two and three-quarters inches wide. The strip should be bent at four points so as to form a rectangular box, the sides of which are four and three-sixteenth inches long and the front and back, three and nine-sixteenths.
The ends of the strip should overlap about three-eighths of an inch and be riveted or soldered.
The bottom may be fastened to the sides with a couple of rivets or by soldering at one or two points.
The bottom and top of the case should both be the same. They are made from a rectangular shaped piece of sheet iron four and seven-eighths inches long and four and one-quarter inches wide.
A notch five-sixteenths of an inch square is cut out of each corner and the sides and ends then folded down along the dotted lines as indicated in Figure 65.
The transformer is laid in the case with a small block of wood under the core at either side so as to raise the windings up off the bottom. The secondary terminals are connected to binding posts marked 1, 2 and 3 in Figure 66. These binding posts are mounted on insulating bushings which pass through the holes marked No. 1, No. 2 and No. 3 in Figure 64. The insulating bushings consist simply of fibre washers so that the binding posts will not short circuit on the metal case.
One end of a piece of double conductor lamp cord is led through a hole in the back of the case and soldered to the two primary coil terminals. The other end of the lamp cord is connected to an attachment plug which may be screwed into a lamp socket.
The transformer case is then poured full of molten coil wax so that the space around the transformer is entirely filled. After the wax has cooled, fasten the cover on and it is complete.
Arts and Science Series No. 8
Home-made
Electrical Apparatus
A Practical Handbook for Amateur
Experimenters
In Three Parts
Volume II
Second Edition
BY
A. M. Powell
PUBLISHED BY
COLE & MORGAN, Inc.
Publishers of the Arts and Science Series
P.O. BOX 473 CITY HALL STATION
NEW YORK, N. Y.
Printed in U. S. A.
Copyright 1918
by
COLE & MORGAN, Inc.
If several turns of wire are wrapped about a compass, and a current of electricity sent through the coil, the compass needle will be deflected. Such an instrument is called a galvanometer and may be used for detecting very feeble currents.
Figure 67 shows a very simple form of galvanometer which may be made by winding about fifty turns of No. 36 B. & S. Gauge single silk covered wire around an ordinary pocket compass. The compass is set on a block of wood and the wire wound around both the compass and the block. The terminals of the wire are connected to two binding posts.
A galvanoscope of this sort may also be used for a polarity indicator to distinguish between positive and negative poles. Connect an ordinary dry cell to the galvanometer and the needle will immediately swing to one side or the other, depending upon which way the current flows. The carbon of the dry cell is positive and the zinc is negative. Note which way the needle swings, whether toward the binding post connected to the positive pole or the one connected to the negative pole. It will swing towards the corresponding pole when any other source of current is connected to it and by knowing whether it points towards positive or negative it is very easy to determine the polarity.
The experimenter will find a voltmeter and an ammeter to be very useful instruments about the workshop and laboratory. A voltmeter is an instrument designed to measure electro-motive force or electrical pressure. An instrument designed to measure rate of flow of current is called an ammeter.
Ammeters and voltmeters are really, in principle, galvanometers, the scales of which have been calibrated to read in amperes or volts, as the case may be.
The little meters described below are very simple but quite sensitive.
The wooden bobbin which holds the wire is shown in Figure 68. The exact dimensions are best understood from the illustration. The wood can be easily secured from an old cigar box. In laying out the work, scratch the lines on the wood with the point of a darning needle. Pencil lines are too thick to permit of accuracy in small work. The bobbin should be perfectly square and true when finished. Finish by rubbing with fine sandpaper and then give it a coat of shellac. Two bobbins will be required, one for the voltmeter and one for the ammeter. Do not use any nails in putting the bobbins together. Use strong glue only.
The bobbin for the ammeter should be wound full of No. 14 B. & S. Gauge double cotton covered magnet wire. The voltmeter requires much smaller wire. No. 37 B. & S. Gauge single silk covered wire will serve the purpose satisfactorily, but a finer size such as No. 38 or 40, is better. Such fine sizes will probably, however, prove more difficult for the experimenter to obtain. Sufficient wire should be used to fill the bobbin up. The wire should be wound on carefully in smooth even layers.
A small hole should be bored in one of the flanges, through which to pass the end of the wire when starting the first layer. About six inches of wire should be left at both ends of the coils to make connection to the terminals with. The whole winding should be given a coat of shellac when finished.
The armature is a piece of soft steel, one and one-eighth inches long, and one-quarter of an inch thick. A one-sixteenth inch hole is bored, slightly above the centre of the armature, to receive the shaft. The centre of gravity is thus thrown below the centre of mass and the pointer attached to the armature will always return to zero if the instrument is level. The shaft is a piece of one-sixteenth inch bessemer steel rod, three-eighths of an inch long. The ends are filed to a sharp point as shown in the upper pert of Fig. 69. A small hole is bored in the top of the armature almost directly over the shaft as shown in Fig, 69 to receive the lower end of the pointer, which is a piece of No. 16 aluminum wire, three and one-quarter inches long. The other end of the pointer should be flattened slightly by tapping with a hammer and then filed into a shape resembling a spear head.
After all the holes have been bored and before the shaft and the pointer are in place, the armature must be tempered so that it will retain its magnetism. In order to temper the armature, heat it to a bright red and drop it immediately into a basin of strong salt water. It may then be magnetized by rubbing one end against the pole of a strong magnet.
The bearings are formed by two 6-32 brass screws, one-half an inch long and having a small hole in the end to accommodate the end of the shaft. These screws pass through the upper flange of the bobbin from the opposite sides. The holes in the flanges should be slightly smaller than the outside of the screw so that the latter will fit snugly and "take hold" as if the wood were threaded.
Figures 70 and 71 show two different methods of assembling and completing the instruments. In one, the bobbin is mounted on the base and the scale is at the top. In the other, this relation is just turned abound and the bobbin is at the top and the scale at the bottom. In the latter case the pointer must be attached to the bottom of the armature instead of the top.
Figure 73 shows the shapes and dimensions of the wooden parts which compose the case.
A glass front slides in two shallow grooves cut in the wooden sides, one-eighth of an inch from the front. Glue and brass screws should be used in putting the case together. Do not use iron or iron screws.
The two binding posts connected to the terminals of the wire on the bobbin should be mounted on the base. A small, round-headed brass screw, long enough to pass all the way through the base will serve to level the instrument and bring the pointer exactly at zero. If a little brass strip is placed in the slot in the screw head and soldered there so as to form what is known as a "winged screw", the adjustment may be made with the fingers and without the aid of a screw driver.
The scale is formed on a piece of stiff white cardboard directly under the pointer. The scale is supported by gluing it to two small wooden blocks. The various values are marked on the scale with a pen and ink. The glass front should therefore not be put in place until the instrument has been calibrated.
To properly calibrate the meters, they must be compared with a suitable standard.
The zero value on the meters is normally in the centre of the scale. When a current is passed through the bobbins, the armature tends to swing around at right angles. But since the armature is pivoted above its centre of mass, the centre of gravity is displaced when it swings and exerts a pull in opposition to that of the bobbin. The amount of swing will be greater as the current is correspondingly stronger. The pointer will swing either to the right or to the left, depending upon the direction in which the current passes through the coil of wire on the bobbin.
The zero point on the two instruments shown in the accompanying illustration is at the extreme left of the scales. The pointers are bent to the left so that the current may be passed through the meters in only one direction and the scales will have a greater range of values.
In order to calibrate the ammeter, place it in series with a standard ammeter having a calibrated scale which is known to be correct. A set of strong batteries and a rheostat should be included in the circuit. The arrangement is illustrated in Figure 74. The rheostat is adjusted so that various current readings are obtained. The positions of the pointer on the standard meter are carefully noted and corresponding graduations made on the scale of the other meter for each value.
In order to calibrate the voltmeter it must be compared to a standard voltmeter. The voltmeters must be placed in parallel or shunt with each other as shown in Figure 75.
A switch is connected to the battery so that the voltage of a varying number of cells may be passed through the meters. In order to secure a close adjustment of the voltage, a rheostat is placed across the battery and switch so that it shunts the cells which are in circuit. By adjusting both the rheostat and the switch, any voltage within the maximum range of the battery may be secured.
After the meters have been calibrated and assembled, they are ready for service and will form a very useful and valuable part of the experimenter's laboratory.
When using the meters remember that it is always necessary that the ammeter shall be in series and the voltmeter in parallel or shunt with the circuit.
The switch shown in Figure 76 is a very simple device which will be found very handy for many purposes. It consists of two brass levers mounted alongside of each other and connected together with an insulating strip or yoke bearing a handle so that they can both be moved together. The levers are pivoted at their back ends and provided with binding posts marked B. P. and B. P. in the illustration. The front ends of the levers swing over three switch contact points properly spaced so that the levers touch the adjoining contacts at the same time. The contacts are marked 1, 2, and 3.
We will suppose that the experimenter has some device operated by a battery and desires to arrange the apparatus so that he can quickly reverse the terminals of the battery so as to send the current through the device in either direction quickly and at will. The apparatus to be operated should be connected to the two binding posts mounted on the switch levers and marked B. P. and B. P. Connect the negative pole of the battery to the contact marked 2 (the center one), and the positive pole to both 1 and 3 (the outside ones). When the switch is thrown to the right so that the levers rest on the contacts 2 and 3, the right hand lever will be positive and the left hand one negative. When the switch is thrown to the left so that the levers rest on 1 and 2, the left hand lever will be positive and the right hand one negative. The current has been reversed.
A switch such as this makes it possible to quickly reverse the running direction of small motors. In order to accomplish this, connect the two brushes on the motor to the two switch levers. Connect the contracts 1 and 3 (the two outside ones) together and lead the wire to one terminal of the battery used for operating the motor. In case the motor is operated by a generator or from the 110 volt current, connect the wire to one terminal of the power source. The middle contact on the switch (marked 2) should be connected to one end of the field winding on the motor. The other end of the field winding should be connected to the remaining battery terminal or power source.
Moving the switch back and forth will send the current through the commutator in opposite directions and cause the motor to run in either direction as desired.
A Rheostat is a variable resistance for regulating the amount of current flowing in a circuit. It is a very useful device about the experimental laboratory. It may be used, for regulating the speed of small motors, the amount of current flowing into a storage battery when recharging, the brilliancy of a lamp, etc.
Figure 77 shows a form of small rheostat which may be easily built by the experimenter. It consists of a coil of German silver resistance wire wound around a fibre form and set in a groove in a wooden base. A brass lever slides over the edge of the resistance coil so that the portion included in the circuit may be increased or decreased easily at will.
The dimensions shown in the several drawings which follow are for a rheostat having a resistance of approximately ten ohms and suitable for general experimental work. It is possible to use the same plans and by doubling the dimensions, make a rheostat which is much larger and may be used to carry heavier currents or which possesses more resistance.
The details of the wooden base are given in Figures 78 and 79. The outside diameter of the base is four inches. It is five-eighths of an inch thick. The lower 7 part of Figure 78 shows a cross section of the base. The groove is three and one-eighth inches in diameter inside, five-sixteenths of an inch thick and five thirty-seconds of an inch wide. The hole in the centre of the base is to accommodate the shaft of the switch lever, Two holes, seven-eighths of an inch apart are drilled at the back of the base to accommodate the binding posts. The binding posts' holes and also the hole in the centre of the base for the shaft are countersunk at the bottom as shown in Figure 79.
The fibre strip which supports the German silver resistance wire is shown in Figure 80. It is eight inches long, three-eighths of an inch wide and one-eighth of an inch thick.
If the experimenter has access to a lathe it is possible to wind the wire on the fibre strip under tension with the aid of the screw feed so that the wire will go on very tightly and with a small air space between the turns. When a lathe is not available it will be necessary to groove the top and bottom of the fibre strip with the aid of a three-cornered file. The grooves should be evenly spaced and as close together as possible. They serve to prevent the wire from slipping and the adjacent turns becoming short circuited.
The wire used to wind the strip should be No. 24 B. & S. Gauge German Silver wire and should be bare. Wind the wire tightly into the grooves in the strip and fasten both ends by looping through a small hole bored in the ends of the fibre for that purpose.
The fibre strip can be bent so that it will fill in the groove in the wooden base by heating it in the flame of a bunsen burner. It should not, of course, be heated too hot or the fibre will burn. Warm it thoroughly and bend into a circle of the same diameter as the groove in the base. Then force the strip into the groove with the two ends opposite the two binding post holes. The strip should fit into the groove tightly so that there is no danger of it shifting or slipping out.
The details of the switch lever, knob and binding posts, are shown in Figure 81. The lever is made of sheet brass cut into the shape shown and is one and three-quarter inches long. The knob is similar to those used on typewriters for turning the paper roller. It is fitted with a threaded stem moulded into the head. These knobs may be obtained at almost any supply house carrying goods for experimenters. The lever is slipped over the stem and clamped tightly against the knob by a nut on the under side. The end of the stem or shaft fits into the hole in the centre of the wooden base. Slip a washer over the end and then thread on a brass washer. Tighten the nut up until the end of the lever makes firm contact with the resistance wire but is not so tight that it binds and cannot be easily moved by turning the knob. When the right position for the nut is found, solder it to the stem so that it cannot change its adjustment.
The completed rheostat is shown in Figure 82. The right hand terminal of the German Silver wire is connected to the right hand binding post. The other binding post is connected to the washer around the lever shaft on the under side of the base. The wires should be laid in grooves cut in the bottom of the base for that purpose.
Drive a brass headed upholsterer's nail into the base near the left hand terminal of the resistance so that when the lever is swung around in that direction as far as it will go, the tack will raise the lever up off the resistance wire and break the circuit completely. Two small nails should be driven into the base in such a position that they will limit the swing of the lever and prevent it from moving so far that it passes over the ends of the resistance unit.
The rheostat may be connected in a circuit by attaching two wires to the binding posts. It should be placed in series with any device which it is desired to regulate. The carrying capacity is limited to two amperes owing to the fact that a heavier current than this will cause the wire to overheat. Turning the knob so that the lever moves towards the upholsterer's nail, which raises it up off the wire, increases the amount of resistance in the circuit and cuts down the current, until the lever slides up on the nail when the circuit is broken entirely. Moving the knob in the other direction decreases the resistance and increases the current until the lever has moved as far as it may, when the current will be at a maximum.
The modern telegraph consists essentially of four things:
A battery which produces the electric current.
A wire to conduct the current from one point to another.
A key or switch for turning the current off and on.
An electro-magnetic receiving apparatus, which changes the pulsations of the electric current into sounds.
Its operation is not, as many suppose, complicated and difficult to understand, but is quite simple.
The key is really a form of switch and is simply a contrivance for controlling the electric current. It consists of a steel lever, pivoted in the centre, and provided with a rubber knob, which the operator grasps lightly with the thumb and forefinger. When the lever is pressed downwards, a platinum point on the under side is brought into contact with another similar point set into a rubber bushing in the base of the key, so that there is no electrical connection between the two points unless the key is pressed down or "closed" as it is usually termed.
The receiving device, or "sounder," consists of two electro-magnets mounted on a base under a flat strip or iron, called the armature, which is attracted by the magnetism of the electro-magnets when a current flows through them, and is withdrawn by a spring when no magnetism is produced by the windings.
The armature is usually mounted on a strip of brass or aluminum called the "lever". The lever strikes against an anvil and produces the clicks which form the dots and dashes of the telegraph alphabet.
Every time the key is pressed, an electric current goes through the line, causing the magnets to draw the armature downward and produce a click. When the key lever is released, the current is shut off and the lever flies up and clicks against the top of the anvil.
The time between the first and second clicks may be easily varied at will, by changing the length of time that the key lever is held down. Two clicks very close together, made by pressing the key and immediately releasing it, are called a "dot". A "dash" is made by pressing the key down and holding it down for a fraction of a second so that the interval between the first and second clicks is about three times as long as that between the clicks of a dot.
Any boy can make a simple telegraph set quite easily. The only drawback of such an apparatus, however, is that it is usually not practical for long lines but may only be used for ticking messages from one room to another.
It is equally possible for the young experimenter to make a perfectly practical telegraph outfit which will operate over a line a mile long, if he is willing to give the time and labor necessary to the work.
The telegraph set-described below is one which, because of its simplicity, particularly lends itself to construction by the young experimenter whose tools are rather limited.
In order to make a really practical telegraph outfit, it is almost essential that the key and sounder frame be made out of cast iron so as to give the instruments the requisite stiffness. It is easier to use castings than to attempt to bend the parts out of metal.
In order to secure the proper castings it will be necessary to first make a set of "patterns". This is not very difficult.
The key frame is shown in Figure 83 and the Sounder frame in Figure 84. The patterns should be cut out of wood according to the exact shape and dimensions shown in the illustrations. Omit all the holes, however, because no holes should appear in the patterns but only in the finished castings.
The patterns should be made perfectly smooth and be a good, clean job throughout. After they are finished, give them each a coat of shellac and they are ready for the foundry. Almost any iron foundry will make up the castings if supplied with the patterns. If a number of experimenters "chip in" and make up a set of patterns from which several sets of castings are ordered at the same time, the cost will be very slight.
After the castings are secured, they should be cleaned up with a file and drilled according to the illustration in Figures 83 and 84. Several of the holes should be tapped to receive an 8-30 machine screw. Such holes are marked in the illustrations.
The holes not marked "Tap" should be just large enough to allow an 8-32 screw to slip through.
The Electro-magnets are illustrated in Figure 85. The magnet core is made of a piece of 5-16 inch round iron rod an inch and a quarter long. A fibre washer, three-quarters of an inch in diameter is fitted over each end of the core. One end of the core is drilled and tapped to receive an 8-32 screw.
The magnet bobbin, before winding is shown at the left of the illustration and a finished magnet at the right. Two magnets are required. They should both be wound in the same direction with No. 25 single cotton covered wire. The wire should be wound in smooth, even layers and the terminals led out through two small holes in the fibre heads.
The Sounder Armature is a piece of steel or iron rod, five-sixteenths of an inch square and three and three-eighths inches long. It serves both as the armature and the sounder lever. The exact location of the holes is shown in Figure 86. The holes "h" and "i" should be tapped to receive an 8-32 screw. The hole "j" should pass a screw of the same size. This screw serves as the pivot for the armature. Figure 87 shows how the sounder frame should appear when the lever is in position. The screw A controls the distance which the armature moves on its upward stroke. The screw B strikes the "anvil" on the downward stroke and controls the distance between the armature and the electro-magnets.
The armature is pushed upwards and held away from the magnets against the screw A by a small spiral spring. The lower end of the spring sets in the hole "C" in the sounder frame and the upper end rests against the end of the screw C so that the tension of the spring can be regulated by moving the screw up and down. The armature should be free to move up and down on the pivot screw but should not move sideways.
The Base of the instrument is a rectangular piece of hardwood, four and one-half inches long, three and three-quarter inches wide and one-half inch thick. The sounder is mounted on the base in the position shown in Figure 88, which is a top view of the complete instrument. Two long 8-32 machine screws pass upwards through the wooden base, through the holes "e" and "f" in the sounder frame and into the bottom of the magnets, thus serving not only to hold the magnets in position but also the sounder frame to the base.
Figure 89 is a side view of the completed key. The key lever and the circuit closing lever are illustrated in Figure 90. The lever is four and three-eighths inches long and five-sixteenths of an inch wide. It should be made from spring brass. The circuit closing lever is a strip of brass of the same width. All the holes in both levers, with the exception of the centre hole in the key lever should be large enough to pass an 8-32 screw. The centre hole should be tapped to receive an 8-32 screw.
The key lever is fastened to the frame by means of a round headed 8-32 machine screw. The screw should be tightened so that the lever cannot move from side to side. The circuit closing lever is pivoted to the back end so that it can swing. The key lever should be fitted with a regular key knob and the circuit closing lever with a small knob such as is generally used for the purpose. Both of these styles of knobs can be purchased from almost any electrical supply house.
The contact points are best made of silver. Silver makes a better contact metal than almost anything else, with the exception of platinum. If silver cannot be obtained a piece of large german-silver wire may be used.
One contact is soldered to the under side of the key lever. The other contact should be mounted on the head of a screw and pass through a hole in the iron key frame and through the wooden base underneath. This lower contact should be directly underneath the upper contact and be thoroughly insulated from the base. Several thicknesses of well shellaced paper will form a first class insulating medium. The length of the contacts should be such that there is a distance of about 3-32 of an inch between them when the lever is horizontal.
The circuit closing lever should make contact with a small strip of spring brass under the lower contact point so that the contact is connected to the frame of the key through the circuit closing lever when the latter is "closed".
The adjustment screw on the key frame is used to regulate the upward stroke of the key lever.
The adjustment screw on the key lever is used to regulate the spring tension of the lever. The lower end rests against the top of a small spiral spring made of brass wire.
Connecting the outfit is a very simple mater. The two inside terminals of the sounder magnets should be connected together. One of the outside terminals is led to a binding post mounted on the back of the base. The other terminal is connected to the lower key contact. The frame of the key is connected to a second binding post at the back of the base. The connecting wires should pass through small holes and along the under side of the base.
The Morse Telegraph Code is shown in Figure 91.
A single dry cell will provide sufficient current for practising the Code. The cell should be connected to the two binding posts and the circuit closing lever should be kept open at all times or the battery will become exhausted.
The number of batteries required on a long line will depend upon the resistance of the line and cannot easily be pre-determined.
Figure 92 shows a circuit for connecting two instruments on a line. When the double contact switch is on point A the batteries are out of circuit. Throwing the switch on B puts the batteries into circuit. They should be kept out of circuit when the stations are not in use. The circuit closer at Station 1 must be kept closed when Station 2 is telegraphing and vice versa.
Not many years ago, the telephone was the wonder of the times just as the aeroplane and the wireless are to-day. The original telephone apparatus was an exceedingly crude and simple arrangement which has gradually developed into a wonderful and complex system which makes it possible to carry on a conversation with almost any other point in the United States as easily as it is face to face.
Many of my young readers have undoubtedly already constructed a set of telegraph instruments and rigged up a line with some nearby chum. Like the telegraph, the principle of the telephone is that of a current of electricity flowing over a line wire into a pair of electro-magnets, and it is not any more difficult to install a short telephone line than a telegraph. Of course there are many important differences between a telephone and a telegraph but they are not intricate or complex.
The telephone is exceedingly sensitive when compared to the telegraph. An ordinary telegraph relay requires about one hundredth of an ampere to operate it, whereas a telephone receiver will produce an audible sound on a current of less than one millionth of an ampere.
The telephone may be defined as an apparatus for transmitting speech to a distance by means of electricity. The part of the apparatus which takes up the sounds and changes them into electric currents is the transmitter. Where words are spoken into the mouth-piece of the transmitter, they strike a thin metal diaphragm, to the back of which is fastened a small cup-shaped piece of carbon. A second cup is mounted in a rigid position directly back of the first and the space between is filled with small polished granules of carbon. When the granules are undisturbed and are lying loosely together their resistance to an electric current is so great that they allow almost none to flow.
When the vibrations of the voice strike the diaphragm they move it back and forth and cause the carbon cup mounted on its back to move and exert a varying pressure on the granules. When the granules are compressed their resistance is greatly lowered and they permit current to pass.
That part of the apparatus which transforms the pulsating current back into sound waves is called the receiver. It consists of a thin iron disk, placed very near but not quite touching the end of a small permanent magnet about which is wound a coil of fine insulated wire.
If the transmitter and receiver are connected together in series with a battery and words are spoken into the transmitter, the little carbon granules are immediately thrown into motion, and being alternately compressed and released cause corresponding changes in the current flowing through the receiver from the battery.
The strength of the magnetic pull exerted by the combined permanent magnet and coil of wire varies with each change in the electric current and thus by alternately attracting and repelling the diaphragm causes it to vibrate and emit sounds.
This is the general principle of the telephone. The telephones in actual service to-day are complicated with bells, induction coils, condensers and relays, which render them more efficient, but the general principle of the transmission of the speech is the same.
I would not advise the young experimenter to attempt to build his own transmitter and receiver except for the knowledge and experience gained thereby. Homemade instruments of this sort are not likely to prove sensitive enough for practical purposes over a long line.
A first class telephone receiver can be purchased for 90 cents and an equally good transmitter for $2.25 These, together with an ordinary electric bell can be built into a first class telephone instrument which will give excellent service over a long line.
Any boys can easily build and install such an arrangement. When completed it will prove invaluable as a source of communication from one part of the house to another, from the house to the barn or between two chums living in the same neighborhood. Figure 93 shows the wooden back of the instrument. It is made from a piece of board 12 inches long and 7 inches wide, by cutting into the shape shown. This back serves to mount the transmitter, receiver, bell, etc.
The Bell is for the purpose of giving an audible signal so that the person hearing it will know that some one at the other end of the line wishes, to talk.
Figure 94 is a front view of the completed instrument. The bell is mounted on the upper part of the back as shown in the illustration.
The Receiver Hook is shown in detail in Figure 95. It should be cut out of heavy sheet brass and finished in the shape shown.
The receiver hook is mounted directly under the bell as shown in Figure 94. The hook should project out to the left beyond the edge of the back. The hook is mounted by a round headed brass screw passing through the hole in the right hand end.
The hook should move freely up and down between two contacts (marked 1 and 2 in Figure 94). These contacts are simply two small brass strips bent at right angles and fastened about an inch apart along the left hand edge of the wooden back by means of two small round headed brass wood screws. The position of the contacts should be such that the hook is in a horizontal position when it is half way between the two. A small spring is arranged so as to pull the hook up against the upper contact (No. 1) when the receiver is lifted off. When the receiver is hung on the hook, it should overcome the lift of the spring and pull the hook down against the lower contact (No. 2).
The Receiver may be purchased at almost any reliable electrical supply house. It should be provided with a ring so that it can be hung onto the hook.
The Transmitter is preferably of the "solid back" long distance type. It also can be purchased ready made from almost any electrical supply house.
The transmitter is mounted on the wooden back directly under the hook. It is marked T in Figure 94.
A Push Button, made out of two round headed brass wood screws and a strip of spring brass as shown in Figure 96, is mounted to the right of the transmitter.
One end of the spring is fastened down firmly with a screw, the other end is bent so that it is directly over but does not touch the second screw mounted about seven-eighths of an inch away.
Four binding posts should be arranged along the bottom of the wooden back and two more just to the left of the transmitter.
The set is now ready to "wire" or connect. The connections can be understood best by following the diagrams in Figures 94 and 97.
Starting with the four binding posts along the bottom of the back, mark the left hand one B1, mark the next one B2, the third E and the fourth L.
Connect a wire from binding post B1 to the post P1 directly above it. Run the wire from P1 to the brass strip on the push button. Connect binding posts B2 and E together and from E run a wire to the right hand binding post on the bell. Connect a wire from the left hand post on the bell to the lower contact 2. The hook should be connected to binding post L. The upper contact 1 is connected to one terminal of the transmitter. The other terminal of the transmitter goes to binding post P2. The telephone receiver should be connected to the posts P1 and P2 by means, of flexible wire. The contact on the push button should be connected to the upper hook contact 1.
The set is now complete, ready to connect to a similar outfit.
The battery is connected to the binding posts marked B1 and B2. E and L are the line posts to which the wires connecting the two sets are led.
The wire connecting the two outfits should not be smaller than No. 18 B. & S. gauge. No. 14 will prove better if the line is a long one.
The wire should be very carefully insulated. Ordinary porcelain knobs will serve as suitable insulators.
If desirable, only one wire need be used, the circuit being completed by connecting the post E on each instrument to the ground or earth. The gas or water pipes will form the most suitable ground connection.
The number of batteries required will depend upon the length of the line. The actual number necessary to ring the bell properly can be best ascertained by experiment. It should be noticed that the battery connections at each station are reversed so that the batteries will be series. The negative of the battery at one station is connected to E and the positive pole of the other battery at the other station to the similar post.
When the stations are not in use the receivers should be left hanging on the hooks. In order to call the other station, lift the receiver off the hook. This throws the transmitter, receiver and battery into the circuit. The resistance of the receiver and transmitter, however, are so great that they will prevent enough current from flowing to ring the bell at the other station. Pressing the push button will short circuit the transmitter and receiver and allow enough current to flow to ring the bell at the other station. The other person has merely to lift up his receiver in order that the two parties may talk back and forth.
When the receivers are on the hooks both bells are in circuit ready for either party to call up.
Medical coils and "shocking coils" are the same. The term "shocking coil" is usually applied to the low priced medical coils which most boys are familiar with for giving "shocks".
A medical coil is nothing more or less than a small induction coil for raising the voltage of a battery high enough to produce a shock. The human body possesses so much resistance that the voltage of one or two cells of ordinary battery is not sufficient to pass enough current through to be felt except under exceptional conditions, as for instance when contact is made directly with a nerve through an open cut or a metal filling in a tooth.
A small lathe will be of much assistance in making some of the parts and fittings for the medical coil, although it is not absolutely essential and the ingenious young experimenter can undoubtedly find some method of doing without it. It is not necessary to follow the dimensions given here exactly, and a very good coil can be built by adapting spools, binding posts, etc., which may already be on hand, although, of course, they should be used with some sense of proportion in mind so that nothing is carried to an extreme.
The first part which will be required is the bobbin. This is shown in Fig. 98 and consists of a wooden spool, two and seven-sixteenth inches long and one inch in diameter. It has a three-eighths inch hole running all the way through the center. The dimensions of the flanges, etc., can probably be best understood by referring directly to the illustration. The flanges are flattened slightly on one side so that when the bobbin is mounted the flat portion will rest on the base and give a better support.
The Primary Winding consists of two layers of No. 24 B. & S. Gauge single cotton covered wire. The terminals of the winding should be led out through two small holes in the right hand head of the bobbin. Cover the winding with two or three layers of thin shellaced paper and then wind on the secondary. The secondary is composed of ten layers of No. 36 B. & S. Gauge single cotton covered wire. The inside end of the secondary should be connected to the outside end of the primary. The outside terminal is led out through a small hole in the head at the opposite end from the primary leads.
The wire on both the primary and secondary should be wound on in smooth even layers. The illustration in Figure 99 shows the bobbin after the windings are finished.
The Core is made out of thin sheet iron rolled up into a cylinder two and three-sixteenths inches long and nine-thirty-seconds inches in diameter. The core should be rolled up just as tightly as possibly, because the more iron there is in the core, within of course reasonable limit, the better the coil will work. Thin tin plated iron cut from a cracker box may be used for the core. The thinner it is the better. A core of this sort, rolled up out of sheet iron will give much better results than a core composed of a solid bar of iron.
The end of the core is slipped into an iron "core" cap. This is shown in Figure 101. It consists of a small cylinder, seven-sixteenths of an inch in length, cut from a piece of iron rod, three-eighths of an inch in diameter. A hole nine-thirty-seconds of an inch in diameter and five-sixteenths of an inch deep should be drilled in one end. This cap is slipped over one end of the core. It should fit very tightly so that it will not pull out.
The core is then slipped into the bobbin with the outside end of the core cap projecting about one-sixteenth of an inch out of the end at which the primary terminals lead out. The cap should fit into the bobbin very snugly so that the core is held firmly in place.
Since the hole through the bobbin is three-eighths of an inch in diameter and the core is only nine-thirty-seconds of an inch in diameter there should be a space all around the core, except at the end where the cap is, so that a thin brass "regulator" tube can be slipped in and out over the tube.
The Regulator Tube should be two and seven-sixteenths inches long and have an inside diameter of five-sixteenths of an inch. In case the experimenter has any difficulty in securing a tube of this size he can easily make one by rolling a piece of sheet brass around a suitable sized rod and soldering the edges.
When the tube is slipped over the core and moved in and out of the bobbin, after the coil has been finished and set in operation, it will regulate the strength of the secondary or "shocking" current. When the tube is completely out of the bobbin, the current will be the strongest.
If a paper scale, divided into sixteenths of an inch and bearing numbers, is pasted around the tube it will act as an indicator of the current strength.
The base is wood and measures four and five-eighths inches long, two and three-quarters inches wide and is one-half an inch thick. The proper location of the various holes can be found by referring to the illustration in Figure 103. The corners of the base should be slightly rounded so as to improve the appearance.
Figure 104 is a top view of the coil after it has been assembled. The bobbin is mounted a little back of the centre of the base so that the core cap will be opposite the armature of the vibrator.
The Vibrator Parts are illustrated in Figures 101 and 106.
The vibrator spring is a piece of thin steel or phosphor bronze, one-quarter of an inch wide and one and three-sixteenths inches long. A soft iron armature, five-sixteenths of an inch in diameter and one-eighth of an inch thick is fastened to one end of the spring. A five-thirty-seconds inch hole is drilled in the other end and it is then mounted in the "vibrator posts". This consists of a small brass pillar, one-quarter of an inch in diameter and five-eighths of an inch long. The lower end is drilled, and tapped to receive a 4-36 screw which fastens it to the base. A saw slot one-quarter of an inch deep is made in the top to receive the vibrator spring.
The post which holds the adjustment screw is identical with that which supports the vibrator spring, except that a threaded hole is drilled through the saw slot, fifteen-thirty-seconds of an inch from the bottom, through which the screw passes. The end of the adjustment screw, which may be an ordinary knurled thumbscrew from a binding post, should be fitted with a "contact" point. The best contact point is a piece of platinum, but a small piece of silver can be made to serve the purpose very well.
The vibrator spring should also be fitted with a similar contact point.
The medical coil is very easy to connect. Run the inside primary terminal to the binding post on the rear left hand corner of the base. Connect the other terminal to the vibrator post. A wire should be led from the adjustment screw post to the binding post mounted on the forward left hand corner of the base.
One or two cells of battery should be sufficient to operate the coil. Connect the battery to the two binding posts. Adjust the thumbscrew until the contact on the end just touches the contact point on the vibrator spring. The current will then flow through the primary winding and magnetize the core. The magnetism of the core will draw the armature towards it, thus pulling the contacts apart and interrupting the current. The process will repeat itself very rapidly at a speed depending upon the adjustment of the thumbscrew and as long as the battery remains connected.
The handles for the coil are very easily made out of a piece of brass tubing about two and one-half inches long and five-eighths of an inch in diameter. They can also be made by rolling a piece of sheet brass or tin into a tube and soldering the edges together. The illustration shows two methods of making the handles and attaching the cords. The handle in the upper part of the illustration is made from a piece of tubing. A wooden plug or cork is fitted into one end. The wire passes through a hole in the centre of the plug and is turned back over the edge so that when the plug is forced into the tube, the wire will make contact with it. The handle in the lower part of the illustration is made from one of the brass cylinders in which the indelible ink for rubber stamps is supplied. A hole is bored in the bottom through which the wire passes. The end of the wire is soldered to a piece of stiff brass wire bent into the shape of a hairpin. The ends of the wire are spread apart so that they will spring against the inside of the tube. The connector is then pulled up inside of the handle.
The flexible wires or "cords" as they are sometimes called, attached to the handles, should be about eighteen inches long. The opposite ends to the handles should be led through two holes in the base, in front of the bobbin. The left hand cord should be connected to the vibrator post and the right hand cord to the outside secondary terminal.
The coil is now complete, ready for operation. Connect the battery to the binding posts. Start the interrupter and grasp one of the handles in each hand. Draw the regulator tube out of the bobbin gradually and the current will gradually grow stronger and stronger until it is impossible to hold the handles. When the regulator tube is all the way in the bobbin it is practically impossible to feel the current. Of course any intermediate strength between the two extremes can easily be secured. The shock from the coil is harmless. When the regulator is all the way out, the shock is very strong. The only result, however, is to make the person receiving it drop the handles. The current from medical coils is often prescribed by physicians for rheumatism and nervous disorders, but it must be properly applied in order to be of benefit.
A Spark Coil is one of the most interesting pieces of apparatus that an experimenter can possess. Not only can it be used to transmit wireless messages, but numerous and various experiments may be performed with its aid.
The purpose of a spark coil is to generate enormously high voltages which are able to send sparks across an air space which ordinary battery currents of low voltage could not possibly pierce.
It consists of an iron core surrounded by a coil of heavy wire known as the "primary" and a second outside winding of finer wire known as the "secondary." The primary is connected to a few cells of dry battery in series with an "interrupter."
Every time that the interrupter shuts off the battery current in the primary, currents are induced in the secondary which are of sufficiently high voltage or pressure to leap across a space in the shape of sparks.
A spark coil is not very hard to construct, but it requires careful workmanship and patience. It is not usually a job which can be finished in a day, but will take quite a little time, especially in winding the secondary.
In describing the construction of a spark coil in this chapter, directions and dimensions have been given for a one-quarter inch coil. The general method of procedure is the same for all sizes of coils, the dimensions only, are different. The experimenter may therefore easily build a larger coil than the one-quarter inch by consulting the tables of dimensions.
Parts for spark coils are for sale by many electrical houses and it is possible to purchase the complete parts for less than the separate materials would cost.
Such parts are made by special machinery and therefore are produced quite cheaply.
The Core is made of soft iron "core wire" about No. 20 or 22 B. & S. Gauge. Each piece should be four and three-quarters inches long. Iron wire may be bought already cut to length from various houses dealing in experimenter's supplies. Considering the amount of labor that is required to cut each piece to length arid then straighten it out, it is cheaper to purchase the wire already cut.
Size of Coil. |
O Length of Core |
P Diameter of Core |
Primary Wire |
|---|---|---|---|
1/4 inch |
4 3/4 inches |
1/2 inch |
18 B. & S. |
1/2 inch |
5 inches |
5/8 inch |
18 B. & S. |
1 inch |
7 inches |
5/8 inch |
18 B. & S. |
"Core wire" is a special grade of wire which is very soft and has been annealed.
If ordinary iron wire is used in making a core, it must first be annealed. This is accomplished by tying the wire in a compact bundle and placing it in a wood fire until it is red hot. After the wire is hot, cover it with ashes and allow the fire to die away.
When the fire has gone out and the wire has cooled the annealing process is complete. Enough wires each four and three-quarters inches long to form a compact bundle one-half inch in diameter will be required.
L Size of Coil |
L Length of Secondary |
M No. of Sections |
M Size of Hole |
No. of Turns per Section |
Wire |
|---|---|---|---|---|---|
1/4 in. |
2 3/8 in. |
1 |
1 1/18 in. |
5,000 |
37 en. |
1/2 in. |
2 3/8 in. |
1 |
1 1/8 in. |
10,000 |
37 en. |
1 in.1 |
2 2/8 in. |
1 |
1 1/8 in. |
10,000 |
37 en. |
| [1] | There are two sections of secondary used on the 1-inch coils. |
Cut a piece of tough wrapping paper about six inches long and four and one-half inches wide. Roll it up in the form of a tube so that it is six inches long and one-half inch in diameter inside.
Glue the inside and outside edges of the paper so that the tube cannot unroll and then slip the core wires into it until the tube is packed tightly and no more can be slipped in.
The core is now ready for the primary, which consists of two layers of No. 18 B. & S. Gauge cotton covered wire wound over the core for a distance of three and three-quarters inches. The winding should start five-eighths of an inch from one end of the core. The wire must be wound very smoothly and carefully. The inside end of the wire can be fastened so that it will not become loose by placing a short piece of tape lengthwise of the core and winding two or three turns over it. Then double the end back and complete the winding over it. The end of the wire can be fastened by imbedding a piece of tape under the winding with a small loop projecting and then passing the wire through the loop.
Figure 110 shows the complete core with primary winding in position.
The Secondary is a much more tedious job than the primary and must be very carefully made. Whenever it is possible for the experimenter to purchase a secondary already wound he is advised to do so.
The secondary consists of 5,000-6,000 turns of No. 37 B. & S. Gauge, enameled wire wound in smooth, even layers, with two layers of paper between every two layers of wire.
The primary winding is wrapped with six layers of "empire cloth or paper." Empire cloths and papers are a yellow insulating material made by treating linen or paper with linseed oil.
Roll up a paper tube of five or six layers of paper so that the finished tube is two and one-half inches long and of proper inside diameter to just slip over the primary winding when the empire cloth or paper is in position.
The secondary is wound over this paper tube. It will be necessary to mount the tube on a round wooden mandrel fitted with a small crank or handle so that the tube may be revolved. A "winder" may be very easily made by mounting a round wooden stick of the same diameter as the inside of the paper tube in a pair of wooden supports. Bore a hole in one end of the stick and bend a piece of stiff wire in it so as to form a crank.
Size of Coil |
Length of Paper |
Width of Paper |
Length of Tinfoil |
Width of Tinfoil |
No. of Paper Sheets |
No. of Tinfoil Sheets |
|---|---|---|---|---|---|---|
1/4 in. |
30 in. |
4 3/8 in. |
30 in. |
4 in. |
5 |
4 |
1/2 in. |
30 in. |
4 3/8 in. |
30 in. |
4 in. |
5 |
4 |
1 in. |
30 in. |
4 3/8 in. |
30 in. |
4 in. |
7 |
6 |
The paper placed between each two layers of the secondary winding should be the special waxed paper which is made for that purpose.
Start and end each layer of wire one-half inch from the edges of the paper. Wind the wire in smooth, even layers, permitting each turn to touch the other, but none to lap over. Wind on two layers of waxed paper between each layer of wire and the next. The paper must be put on smoothly and evenly so as to afford a firm foundation for the next layer of wire.
The wire should never come nearer to the edges of the paper than one-half inch or the insulation of the secondary will be weak and the coil not liable to give a long spark.
The utmost care should be used not to break the wire. If it should break, the ends must be very carefully connected. The number of turns that each layer averages should be carefully noted so that by keeping a record of the number of layers it is possible to tell how many turns have been wound on. When five to six thousand turns have been wound on the secondary it is sufficiently large, and the outside end of the wire should be fastened and prevented from unwinding by securing it with a drop of sealing wax.
When winding a secondary remember that if at any point in the work, you allow the winding to become irregular or uneven, the irregularity will be much exaggerated on the succeeding layers. For this reason do not allow any irregularities to occur and if the wire tends to go unevenly, wind on two or three extra layers of the waxed paper to smooth it out.
Size of Coil |
D |
K |
J |
|---|---|---|---|
1/4 in. |
3 in. |
2 1/2 in. |
1/2 in. |
1/2 in. |
3 in. |
2 1/2 in. |
5/8 in. |
1 in. |
3 1/2 in. |
3 in. |
5/8 in. |
The Condenser consists of alternate layers of tinfoil and paraffined paper piled on top of each other and then rolled up.
Four sheets of tinfoil, thirty-six inches by two and three-quarters inches wide will be required. Eight strips of waxed condenser paper, three and one-quarter inches wide and thirty-six inches long are necessary.
Lay one sheet of paper out flat on a table or board and place a sheet of tinfoil over it. The tinfoil should be along the centre of the paper strip so that there is a one-quarter inch paper margin along the sides. One end of the tinfoil should project over the end of the paper about two inches. Lay two sheets of waxed paper over the tinfoil making them line up with the first paper sheet all around. Then place another strip of tinfoil on the paper. It should be directly above the first sheet of tinfoil, but the end of the tinfoil must overlap the paper by two inches at the opposite end from the first sheet. Place two more sheets of paper over the tinfoil and on top of that a third strip of foil. The third strip of foil should line up exactly with the first strip. Then lay two more sheets of waxed paper over the third sheet of foil and place the fourth sheet of tinfoil in position making it exactly line up with the second sheet. Place a single sheet of paper on top.
The result should consist of four sheets of tinfoil insulated from each other with two strips of paper between each two strips of foil.
Connect the first and third sheets together with a wire and the second and fourth sheets likewise.
Cut out a piece of cardboard, one and one-quarter inches wide and three and one-quarter inches long. Lay the cardboard on one end of the condenser and roll the condenser up around it very tightly. Tie it with a piece of string to keep it from unrolling, and dip it in some melted paraffine. Then place it between two boards with a weight on top so as to press it out flat.
The Coil Heads are made from two hardwood blocks three inches square and one-half an inch thick. A circular groove, two and one-half inches in diameter and one-quarter of an inch deep is turned in each block to receive a cardboard tube of the same diameter. The two upper corners of each of the blocks are rounded slightly to improve their appearance. One of the heads has a round hole one-half inch in diameter bored through the centre so that one end of the core may be passed through. The core should project through about one-eighth of an inch. The other head is bored with a hole of the same diameter but the hole should not pass all the way through, and serves merely to receive and support the other end of the core.
Size of Coil |
A |
B |
C |
|---|---|---|---|
1/4 in. |
8 in. |
4 in. |
1 1/8 in. |
1/2 in. |
8 1/4 in. |
4 1/2 in. |
1 1/8 in. |
1 in. |
10 1/4 in. |
4 1/2 in. |
1 1/4 in. |
The Base of the coil is a box eight inches long, four inches wide and one and one-eighth inches deep. It is made in the form of a hollow box. Give the base a coat of stain, preferably some dark color, such as mahogany, and then a coat of shellac or varnish.
The wooden heads should be stained black.
The parts of the interrupter are shown in Figure 115. They cannot be made by every experimenter on account of the tools required, but can be purchased very cheaply from concerns dealing in material for experimenters.
The Standard is a piece of hexagonal brass rod one and three-sixteenths inches long and three-eighths of an inch in diameter. The lower end of the standard is tapped to receive an 8-32 machine screw. A hole is bored at right angles to the axis of the standard, one inch from the lower end and tapped to receive an 8-32 thumbscrew.
The Thumbscrew should be about seven-eighths of an inch long and be provided with a lock nut so that it can be fastened in position. The end of the thumb-screw is drilled with a small hole and a contact point driven in tightly. The contact point is usually a piece of platinum wire, but in the case of a small coil may be a piece of the special contact wire which is sold for just this purpose.
Size of Coil |
Length of Tube |
Diameter of Tube |
|---|---|---|
1/4 inch |
4 1/4 inch |
2 1/2 inch |
1/2 inch |
4 1/2 inch |
2 1/2 inch |
1 inch |
6 1/2 inch |
3 inch |
The Spring is a piece of thin steel, three-eighths of an inch wide and two and one-eighth inches long. Several holes are drilled in it. The illustration shows the exact location of these holes. The holes A and C should be just large enough to allow an 8-32 machine screw to slip through. The hole B is just large enough to receive a piece of contact wire.
The Contact wire should be about three-thirty-seconds of an inch long and be slipped in the hole and riveted in place.
The Armature is a piece of soft iron cut out of a rod one-half an inch in diameter. It should be about one-quarter of an inch thick, but should have a small stud left on one face so that the stud may be slipped into the hole marked C in the steel spring and the armature then riveted firmly to the spring by flattening out the stud.
Size of Coil |
E Length |
I Width |
|---|---|---|
1/4 inch |
4 7/8 inch |
3/4 inch |
1/2 inch |
5 1/8 inch |
3/4 inch |
1 inch |
7 1/8 inch |
3/4 inch |
The spring is bent at right angles about one-half inch from the end as shown by the dotted line in Figure 115.
A Cardboard Tube, two and one-half inches in diameter and four and one-quarter inches long, is used to inclose the primary and secondary windings when they are in position. The tube may be given a very fine appearance by gluing a single layer of black bookbinders' cloth over it.
The Bridge shown in Figure 117 is a strip of wood about one-eighth of an inch thick, four and seven-eighths inches long and three-quarters of an inch wide. It is stained to match the base and is then given a coat of shellac or varnish. Two holes are bored in, the bridge, one inch from each end.
The coil is now ready for assembling. Figure 118. shows a cross-section of the complete coil.
Slip the secondary over the insulating cloth or paper wrapped around the primary. Pass one end of the core through the hole in the coil head making sure that the groove is on the side towards the secondary. The secondary should be exactly in the centre of the primary.
Slide the cardboard tube over the primary and secondary into the groove. Lead the secondary terminals out through small holes in the cardboard tube at opposite ends so that the wires are separated as far as possible. Slip the other coil head over the end of the core and the tube and then mount the coil on the top of the base. The coil should be in the centre of the base when considered from front to back. It should be to the left of centre, however, when viewed from side to side.
The two primary heads should be four inches apart When the coil is assembled.
The primary wires are led down close to the wooden head and through the base under the coil. They should be kept as far away from the secondary as is possible.
The coil is fastened to the base by a wood screw passing through the base into each of the wooden heads.
Figure 122 will show best how the interrupter is arranged. The brass spring carrying the armature at its upper end is mounted in front of the core end projecting through the wooden head. The standard carrying the thumbscrew and the lock nut are mounted directly behind the spring in such a position that the contacts touch each other and line up perfectly.
Size of Coil |
B Width of Base |
D Width of Head |
|---|---|---|
1/4 inch |
4 inch |
3 inch |
1/2 inch |
4 inch |
3 inch |
1 inch |
4 1/2 inch |
3 1/2 inch |
A small brass washer is placed between the standard and the base so that it will not "bite" into the wood when the screw is tightened. The standard and the spring are both mounted by 8-32 brass machine screws passing through the base.
Two binding posts are mounted on the corners of the base near the interrupter.
Size of Coil |
A |
C |
D |
E |
F |
G |
H |
Q |
|---|---|---|---|---|---|---|---|---|
1/4 in. |
8 in. |
1 1/8 in. |
3 in. |
4 7/8 in. |
3 in. |
1 7/16 in. |
5/8 in. |
4 1/4 in. |
1/2 in. |
8 1/4 in. |
1 1/8 in. |
3 in. |
5 1/8 in. |
3 in. |
1 7/16 in. |
5/8 in. |
4 1/2 in. |
1 in. |
10 1/4 in. |
1 1/4 in. |
3 1/2 in. |
7 1/8 in. |
4 in. |
1 7/16 in. |
5/8 in. |
6 1/2 in. |
The condenser is fastened to the under side of the base by means of a wooden strip passing across it and secured to the base by means of two small wood screws.
One of the binding posts is connected to one of the primary wires. The other primary wire is connected to the spring. The other binding post is connected to the standard.
The condenser is connected directly "across" the interrupter, that is, one wire is connected to the spring and the other wire to the standard.
Two binding posts are mounted on the wooden bridge and then the bridge is fastened across the top of the coil by means of two brass nails. The secondary terminals are connected to these binding posts.
The Coil is now ready for operation. Connect two pieces of wire to the secondary binding posts and bring them toward each other until they almost touch. The space between should be about one-quarter of an inch long.
Connect three or four good dry cells to the primary posts and turn the thumbscrew until the contact point on the end touches the contact on the spring. The interrupter should immediately commence to "buzz" and if the coil has been properly constructed and connected, a stream of sparks will jump between the wires connected to the secondary.
It may be possible that the action of the interrupter and consequently the strength of the sparks at the secondary can be improved by bending the spring' either away or towards the core. A little experimenting will soon show just how much tension the spring should have. When the proper position of the thumb-screw is found, tighten the lock nut so that it cannot change its adjustment.
Details and instructions for building and experimenting with larger spark coils are given in our books "Experimental Wireless Construction" and "Induction Coils."
EXPERIMENTS WITH SPARK COILS.
Wrap a piece of copper wire around a small glass jar and connect it to one of the secondary terminals of the coil. Fill the jar up with water and dip a wire connected to the other secondary terminal into the water. If the coil is then set into operation, the entire outside of the jar will be covered with sparks starting from the wires and rushing upwards into the neck of the jar. If the coil used for this experiment is a very small one, the glass jar should also be very small, as for example, a small medicine vial. This experiment shows off the best when performed in the dark.
Grasp the bulb of an old incandescent electric light bulb in one hand and touch the base of the lamp to one of the secondary terminals of the coil. Set the coil in operation and the bulb will glow with a weird greenish light. This experiment will work best in the dark.
The most beautiful and wonderful effects may be obtained from Geissler tubes operated from a spark coil in a dark room. These tubes come in an almost endless variety of styles and shapes. They are exhausted of air and fitted with metallic wires, sealed into the ends, a portion of the wire projecting outside in the form of small rings, so that the connections are easily established.
Some of the tubes are of ordinary glass, while others are made of glass having in its composition certain metallic oxides. Some of the tubes are filled with various gases in a highly rarified state. Others have a double wall with the outside filled with a fluorescent liquid, such as an aqueous solution of sulphate of quinine or an alcoholic solution of strammonium, and other compounds.
The tubes are not very expensive. They can be obtained in a great variety of sizes. Most well stocked electrical houses carrying goods for the electrical experimenter have them on hand.
Such tubes are of necessity very fragile articles and should be handled with extreme care. It is a good plan to keep them wrapped in cotton and to put them away in a strong wooden box, so as to reduce the danger of breakage.
The very smallest coil, even the one-quarter inch size, will serve to light a large tube. . In fact, if too large a coil is used, there is danger of spoiling the tube.
The tubes are connected to the spark coil by running a wire from each of the small rings at the ends of the tubes to the secondary terminals. Several tubes may be connected in series when a or 1-inch coil is available.
To show the best effects, the room should be in perfect darkness and the tubes should be placed against a background of black velvet.
Spread your fingers out and move your hand rapidly back and forth over a lighted Geissler tube in a darkened room. Your hand will appear to have ten or twelve fingers instead of five. This is due to the fact that the light from a Geissler tube is flickering and not at all steady. Each time the interrupter of the coil opens, the current is sent through the tube and lights it momentarily. The flickering is almost too rapid to be perceived by the naked eye until you have something like the fingers or a pencil in front of it.
An extremely pretty effect can be secured by rotating a Geissler tube at high speed while it is lighted. This may be accomplished by means of an electric motor of small size. The tube is tied tightly to a stick of wood which has a hole drilled exactly in its center into which the motor shaft fits tightly. Two rings of metal are mounted on the motor shaft, and a wire is led from each to a terminal of the tube. A copper strip rests on each ring, and these two copper strips are connected to the secondary of the spark coil.
When the motor is started and the coil set into operation, the tube will appear like the spokes of a wheel. The intermittent light will make the tube visible for a fraction of a second in various positions around the circle as it rotates, and this gives the effect which is much like that of a pinwheel.
Dissolve some sulphate of quinine in water and then draw a picture or design or write a sentence on a piece of white paper with it, and allow it to dry. The writing will be invisible, but if you hold it up to a lighted Geissler tube in a dark room, it will appear as if written with a beautiful blue ink.
This is a very interesting experiment from which there is no danger if it is performed carefully.
The mortar is nothing more or less than a piece of wood which is hard and well seasoned, and has a small hole bored in its axis about three-eighths of an inch in diameter and an inch deep.
Two short lengths of stiff copper wire should be inserted through the sides near the bottom of the hole so as to form a small spark gap between the ends.
Put a little gunpowder in the mortar and connect two wires from the secondary terminals of the spark coil to the spark gap. Place a cork loosely in the muzzle of the mortar and then, standing well away, close the switch in the primary circuit of the coil, so that a spark passes through the mortar. The spark will ignite the powder and it will explode with a loud report.
Caution.—Do not use more than a pinch of powder at a time as this is sufficient to cause a sharp explosion.
If you are ever annoyed by dogs or cats that knock the cover off the garbage can in their search for canine and feline delicacies, you can give them the surprise of their lives with the aid of a spark coil upon the occasion of their next visit.
Set the can upon a thick piece of perfectly dry wood and run a wire from the can to one secondary terminal of the spark coil. Connect the other secondary terminal to the ground or to a water or gas pipe.
The next time you see a dog with his nose in the can, close the switch connected to the primary circuit. What happens will not hurt the dog, but he will travel for home as fast as four legs can carry him.
This experiment must be conducted in a dark room with the aid of a photographer's ruby lamp so that the photographic plates used will not become "light struck" and spoiled.
Place an ordinary photographic plate on a piece of sheet metal with the coated or sensitive side up. Connect the piece of sheet metal to one of the secondary terminals of the spark coil by means of a wire.
Then sift some dry starch powder, flour of sulphur or talcum powder through a thin piece of gauze on to the plate. Lead a sharp pointed wire from the other secondary terminal of the coil. Complete the primary circuit of the coil just long enough to make one single spark.
Wipe the powder off the plate thoroughly and develop it in the usual manner. The negative will show a peculiar electric discharge looking very much like sea moss. No two photographs will be alike. The test results are obtained when only one or two sparks are allowed to pass.
Arts and Science Series No. 9
Home-made
Electrical Apparatus
A Practical Handbook for Amateur
Experimenters
In Three Parts
Volume III
Second Edition
BY
A. M. Powell
PUBLISHED BY
COLE & MORGAN, Inc.
Publishers of the Arts and Science Series
P.O. BOX 473 CITY HALL STATION
NEW YORK, N. Y.
Printed in U. S. A.
Copyright 1918
by
COLE & MORGAN, Inc.
It is very difficult to construct a first class dynamo without resort to the materials and methods employed in the manufacture of commercial machines. The necessity for careful workmanship in every detail, can hardly be overestimated. Poor workmanship and poor materials will always result in an inefficient machine. Telegraph instruments, toy motors, etc., may be constructed from all sorts of odds and ends of materials, and they will work fairly well, but in order to make a real dynamo it will be necessary to use certain materials for which nothing can be substituted.
The field casting must be soft gray cast iron and the magnet wire should be of good quality.
Both the field and the armature of the small dynamo described in the following pages are cast iron and patterns will be necessary in order to form the moulds for the castings. It may be possible for several experimenters to club together and make the patterns, or have them made, for building this dynamo.
The dynamo described has an output of about ten watts. It may also be used as a motor and as such will develop considerable power. The castings for this machine are already on the market and may be obtained from the publishers of this book.
The Field is shown in Figures 123 and 124. The details in both illustrations are fully dimensioned and probably no comment in that direction will be necessary.
If the experimenter decides to make his own patterns he should use every care to make certain that they are carefully and accurately made. They should be made of wood and finished by rubbing with fine sandpaper until perfectly smooth and then given a coat of shellac. The parts should also be given a slight "draft" or taper toward one side so that the pattern may be easily withdrawn from the mould.
The easiest way to bore out the "tunnel" of the field is to perform the work on a lathe. If no lathe is handy, the work can be accomplished with nothing more than the aid of a file and a little patience. It should be cleaned out until it is perfectly round and measures one and five-sixteenths of an inch in diameter.
Any rough spots on the casting should be smoothed up with a file.
The Armature is illustrated in Figure 125. The centre of the armature should be bored out to fit a three-sixteenths inch shaft.
The shaft is a piece of steel rod four inches long. The outside of the armature should be turned down to a diameter of one and one-quarter inches, making it one-sixteenth of an inch smaller in diameter than the tunnel in the field.
The Commutator is illustrated in Figure 126. It has two sections and consists of a short piece of brass tubing fitted on a fibre core and split lengthwise on two opposite sides so that each section is insulated from the other.
It is not very difficult to make such a commutator. A hole is drilled through the fibre, which fits very tightly on the shaft. The shaft is then placed in a lathe with the fibre in position and the latter turned down until a piece of seven-sixteenths inch brass tubing can be driven on. The tube should be five-eighths of an inch long. Then mark two lines along the tube at points diametrically opposite. Bore two small holes to receive two small screws, a short distance away from each side of these lines and on each side of them. Make certain that the screws do not go into the fibre far enough to touch the shaft. The commutator may then be split along each side of the lines with a hacksaw, continuing the cut right through the brass and slightly into the insulating core. The heads of the screws should be filed off flush with the surface of the commutator and the latter trued up and made perfectly smooth.
If each section of the commutator is provided with a small brass machine screw near the back edge as shown in Figure 126, it will greatly facilitate connection with the ends of the armature windings.
The armature, shaft and commutator, as they should appear when assembled are shown in Figure 127.
Those portions of the armature and shaft which will come into contact with the armature wire should be insulated with shellaced paper. Soak the paper in the shellac until it is soft and it can be very easily pressed into proper shape to fit the armature. Allow the shellac to dry and harden before winding on the wire.
The armature will not need to be fastened on the shaft if it is a tight fit and cannot be twisted. If it is loose, it may be fastened by means of a small set screw or pin. The commutator should fit the shaft very tightly so that it will not slip or twist.
The Armature Winding is No. 20 B. & S. Gauge single-cotton covered magnet wire. Sufficient wire should be put on to fill up the winding space completely. Do not, however, put on too much wire or it will interfere with the field magnets and prevent the armature from revolving. Test the winding after it is finished to see that the wire is not "grounded" or connected to the armature at any point. If the insulation is perfect, give the winding a good coat of shellac and allow it to dry. The ends of the winding are each connected to one of the commutator sections as shown in Figure 127.
The Field Winding is No. 20 B. & S. Gauge single cotton covered wire. The wire should be wound on in smooth, even layers, and the winding space between the flanges completely filled up. The winding space in the field frame should be insulated with shellaced paper by covering the core and the flanges. The flanges are best insulated with paper disks cut in two halves so that they will slip around the core.
The details of the wooden base are shown in Figure 128. It is a rectangular shaped piece of wood, five inches long, four inches wide and five-eighths of an inch thick. The corners are slightly rounded.
The Bearings are small brass castings. They are both alike. The details are illustrated in Figure 129. It will be necessary to make a wooden pattern and send it to a brass foundry for castings. The castings should be smoothed up with a file and then drilled. The shaft hole should be three-sixteenths of an inch in diameter and the screw holes just large enough to pass an 8-32 screw. The bearings are fastened to the projecting arms on the field casting by means of round headed 8-32 brass machine screws. The armature should revolve exactly in the centre of the tunnel in the field and should be free in the bearings so that it runs easily and without binding.
The Brushes are illustrated in Figure 131. They are cut out of spring copper and bent according to the shape and dimensions shown.
The field is fastened to the base by means of two large machine screws passing upwards through the base into threaded holes in the bottom of the casting. The brushes are bent at right angles and mounted on the base on either side of the commutator with small round headed wood screws. They should bear firmly against the commutator. The commutator should be in such a position on the shaft, in relation to the armature, that the dividing lines between the two sections are directly opposite the centre of the iron faces of the armature as shown in Figure 127.
The shaft should be fitted with a small grooved pulley to accommodate a small round belt. The completed dynamo is shown in Figure 132. The dynamo is connected in what is known as "shunt." One terminal of the field magnet is connected to one brush and the other terminal to the other brush. A wire is then led from each one of the brushes to a binding post.
Before the dynamo will generate current it will be necessary to magnetize the field by connecting the terminals to several strong batteries and allowing the current to flow through for several seconds. A shunt wound dynamo will only generate when run in a certain direction. In order to make it generate when run in the opposite direction, it is necessary to reverse the field connections to the brushes.
The dynamo will be found to operate as a very powerful little motor, but on account of having only a two pole armature, it must be started when the current is turned on by giving the shaft a twist.
The dynamo may be driven by a small water motor or from the driving wheel of a sewing machine. It may be used as a generator for lighting lamps, ringing bells, electroplating, etc.
AN electric motor has two essential parts. These are a field magnet for furnishing a strong magnetic field and a revolving armature.
It is an easy matter to make a strong electric motor suitable to operate on batteries by the exercise of a little careful workmanship.
The field frame and armature of the motor shown in Figure 133 are laminated, that is, built up of separate sheets of iron. They may be made out of sheet tin or ordinary stove pipe iron. The cheapest and simplest method of securing good flat material is to get some old scrap from a tinner's or plumbing shop.
The Details of the Field are shown in Figure 134. The exact shape and dimensions can be understood by reference to the illustration. Lay out one lamination very carefully as a pattern. Cut it out and smooth up the edges, making certain that it is perfectly true to size and shape. Then use it as a template to lay out the other laminations by placing it on the metal and scribing a line around the edges with a sharp pointed needle. Enough laminations should be cut out to make a pile five-eighths of an inch high when tightly pressed together.
The Armature is made in exactly the same manner as the field frame, that is, by cutting out a pattern according to the shape and dimensions shown in Figure 136 and using it as a template to lay out the other laminations. Enough should be cut to make a pile five-eighths of an inch high when tightly squeezed together.
The armature is one and three-sixteenths inches in diameter. The hole in the field frame which accommodates the armature is one inch and one-quarter in diameter so that there is a space in between for the armature to revolve in.
The hole through the center for the shaft should be of such diameter that the laminations will force very tightly on a shaft one-eighth of an inch in diameter. The laminations should be very carefully flattened and then forced over the steel shaft which is two and one-eighth inches long. Clean up all the rough edges with a file and smooth the outside so that it will revolve properly in the field without scraping.
Figure 137 illustrates the armature assembled on the shaft and ready to be wound.
The Armature Windings consist of four layers of No. 22 B. & S. Gauge double cotton covered magnet wire wound around each leg. The iron should be very carefully insulated with shellaced paper before the wire is put in position so that there will not be any danger of short circuit due to the sharp edges of the metal cutting through the insulation. Each leg should contain the same number of turns of wire and all should be wound in the same direction.
The Commutator is illustrated in Figure 138. It consists of a piece of brass tubing seven-sixteenths of an inch long, five-sixteenths inside and three-eighths of an inch outside. It should be forced onto a piece of fibre five-sixteenths of an inch in diameter and seven-sixteenths of an inch long. Split the tube into three equal parts by dividing it longitudinally with a hack-saw. Make a fibre ring which will force onto the tube very tightly when it is in position on the fibre core and so hold the three commutator sections firmly in position. The sections should be so arranged that there is a small space between each two and they are perfectly insulated from each other. The fibre core should have a one-eighth inch hole through the centre so that it may be forced tightly onto the shaft and up against the armature after the windings are in position. The commutator should be in such a position that the split between each two sections come directly opposite the centre of each winding. Suppose that the windings are lettered A, B, and C, the commutator section between A and B is numbered 1, that between A and C is No. 2, and the one between C and B is No. 3. Then the inside terminal of B is connected to the outside terminal of A and soldered to the end of commutator section No. 1 close to the winding. The inside end of B is connected to the outside terminal of C and to commutator section No. 2. The inside end of winding C is connected to the outside of B and to commutator section No. 3. The connection of the armature windings to the commutator are represented by the diagram in Figure 139.
The Field Winding consists of five layers of No. 18 B. & S. double cotton covered wire. A much neater job may be made of this part of the work if two fibre heads are cut to slip over the field and support the ends of the winding as shown in the illustration in Figure 133.
The Bearings are illustrated in Figure 140. They are made out of three-eighths inch brass strip one-sixteenth of an inch thick by bending and drilling as shown in the illustration. The location of the holes is best understood from the drawing. The larger bearing is assembled on the field at the side towards the commutator.
Assembling the motor is a comparatively easy matter if it is done properly and carefully. The bearings are mounted on the field frame by screws passing through the holes B and B into a nut on the outside of the bearing at the opposite side of the field.
The armature should revolve freely without binding and without any danger of scraping against the field. Slip some small fibre washers over the ends of the shaft between the armature and the bearings so as to take up all end play.
The Brushes are made of spring copper according to the shape and dimensions shown in Figure 141. They can be cut out with a pair of snips.
Each brush is mounted on a small fibre block supported on the large motor bearing. The holes marked A and C in the illustration should be threaded with a 4-36 tap. The hole B should be made one-eighth of an inch in diameter and drilled all the way through the block.
The holes A and C are used to fasten the blocks to the bearing. The brushes are fastened to the blocks by means of a 6-32 screw with a nut on the lower end.
The Base is a rectangular block, three inches wide, three and one-half inches long and three-eighths of an inch thick. The motor is fastened to the base by four small right angled brackets bent out of strip brass and secured to the field frame by two machine screws passing through the holes H and H into a nut at the opposite end.
One terminal of the field winding is connected to a binding post mounted on the base. The other terminal of the field is connected to the right hand brush. The end of the wire should be placed under the head of the screw which holds the brush to the fibre block. The brush should be on the under side of the block so that it bears against the under side of the commutator.
The left hand brush bears against the upper side of the commutator and is connected to a second binding post on the base of the motor. This makes it a "series" motor, that is, the armature and the field are connected in series.
The motor is now ready to run. Put a drop of oil on each bearing and make certain that the curved portion of the brushes bear firmly against the centre of the commutator on opposite sides. The armature having three poles, should start without assistance and run at high speed as soon as the current is applied. Two cells of dry or other battery should be sufficient. The motor may be fitted with a small pulley so that its power may be utilized for driving small models.
An Electric engine is really a form of electric motor but differs from the most common form of the latter in that the armature, instead of revolving, oscillates back and forth, like the piston of a steam or gasoline engine. Electric engines are not as efficient as electric motors from the standpoint of the amount of power delivered in proportion to the current used, but they make very interesting models and the young experimenter will derive fully as much pleasure in constructing one as from the construction of an electric motor. Various forms of electric engines were made before the first practical electric motor was invented. They amounted to little more than curiosities, however, and could only be used where the expense of electric current was not to be regarded.
The engine illustrated in Figure 143 is of the double action type. It is provided with two electromagnets arranged so that one pulls the armature forward and the other pulls it back. The motion of the armature is transmitted to the shaft by means of a connecting rod and crank. It is very simple to build and the design is such that it will operate equally well whether it is made large or small. If you do not happen to have all the necessary materials to build an engine according to the dimensions shown in the drawings you can make it just one-half that size and it will work equally well although it will of course not give as much power.
The complete engine is shown in Figure 143. All the various parts have been marked so that you can easily identify them in the other drawings. It is well to study this illustration carefully first so that you will understand just how all the parts are arranged.
The Base is illustrated in Figure 144. It is made of a piece of hardwood, seven inches long, three and one-half inches wide and one-half an inch thick.
The Magnets. The size of the electromagnets will largely determine the dimensions of the rest of the engine. The magnets shown in Figure 145 are made of three-eighths inch round iron, two and one-half inches long, provided with two fibre washers one and one-eighth inches in diameter. One end of each of the steel cores is drilled and tapped to receive an 8-32 iron screw. The experimenter may possibly be able to secure some old magnet cores fitted with fibre heads from an old telephone bell or "ringer" as they are sometimes called. A suitable bolt can be made to serve the purpose by cutting it off to the right dimensions with a hack saw. If a drill and a tap are not available for drilling and tapping the end so that the core can be properly mounted in the frame of the engine it is possible by the exercise of a little ingenuity to use the threaded portion of a bolt to good advantage. The hole in the frame should then be made larger so that the end of the bolt will slip through instead of an 8-32 screw and the core clamped in position by a nut on each side.
The fibre washers are spaced two and one-sixteenth inches apart. The space in between should be wound full of No. 18 B. & S. Gauge cotton covered magnet wire. Before winding in the wire, cover the core with a layer of paper so that the wire does not touch the metal. The ends of the wire should be led out through small holes in the fibre heads.
It is not absolutely necessary to use No. 18 B. & S. Gauge wire in winding the magnets but this is the size which will give the best results on the average battery.
If you use larger wire, the engine will require more current from the battery. If you use finer wire, a battery of a higher voltage will be necessary. The current consumption will, however, be less.
The Frame.—The electromagnets are mounted in the frame of the engine by means of two screws passing through the holes E and D. The details of the frame are illustrated in Figure 146. It is made of a strip of wrought iron or cold rolled steel, nine and one-quarter inches long, an inch or an inch and one-eighth wide and one-eighth of an inch thick. The material for making this part of the engine and also the bearings can probably best be obtained at some blacksmith shop or hardware store. Heavy galvanized iron can be used but it is not usually thick enough and it may be necessary use two thicknesses. The ends of the strip are rounded and bent at right angles so as to form a U-shaped piece with sides one and three-quarters inches high. The holes D and E should be large enough to pass an 8-32 screw. The holes A, B and C should be about one-eighth of an inch in diameter. They are used to pass the screw which hold the frame of the engine to the wooden base.
The Bearings are shown in Figure 147. They are U-shaped and are made out of a strip of iron or steel in the same manner as the frame of the engine but are three-quarters of an inch wide instead of an inch and one-eighth. The dimensions will be understood best by referring to the drawing. The 3/32 inch holes near the top of each side are the bearing holes for each end of the shaft. The one-eighth inch holes below are used to fasten the brush holder in position. The holes in the bottom serve to fasten the bearings to the base.
The Shaft will probably prove the most difficult part of the engine to make properly. The details are given in Figure 148. It is made of a piece of one-eighth inch steel rod bent so that it has a "throw" of one-half an inch, that is, is offset one-quarter of an inch so that the connecting rod moves back and forth a distance of one half an inch. The finished shaft should be three inches long. The piece of steel used should be longer than this, so that it can be cut off to exact dimensions after the shaft is finished. A second crank should be bent in one end of the shaft so as to form an offset contact for the brushes. This second crank will have to be at right angles to the first one and should be much smaller. The ends of the shaft are turned or filed down to a diameter of three-thirty second of an inch for a distance of about the same amount so that they will fit in the bearing holes and turn freely but not allow the whole shaft to slip through. The work of making the shaft will require a small vice, a light hammer, files and a couple of pairs of pliers. One pair of pliers should be of the round nosed type and the other a pair of ordinary square jawed side cutters. It may require two or three attempts before a perfect shaft is secured. When finished it should be perfectly true and turn freely in the holes. The bearings can be adjusted slightly by bending so that the shaft will fit in the holes and be free but yet not be loose enough to slip out.
The Armature is a strip of soft iron, two and one-eighth inches long, seven-sixteenths of an inch wide and three-sixteenths of an inch thick. A one-sixteenth inch slot, three-eighths of an inch long is cut in one end. A one-sixteenth inch hole is drilled through from one side to the other, one-eighth of an inch from each end. The hole which passes through the slot is used to pass the pin which pivots the armature to the connecting rod. The other hole is used to mount the armature in its bearing. The armature bearing is a small edition of the one which is used to support the engine shaft. The details and the dimensions are given in the lower left hand side of Figure 149. The armature is shown in the centre of the same illustration. The connecting rod is illustrated at the right. This is made from a strip of three-sixty-fourths inch brass, three-sixteenths of an inch wide and one and five-eighths inches long. A one-eighth inch hole should be drilled close to one end and a one-sixteenth inch hole close to the other.
The Brushes are two strips of thin phosphor bronze sheet, two and three-sixteenths inches long and nine-thirty-seconds of an inch wide. They are illustrated in Figure 150. The block upon which they are mounted is hard fibre. It is one and five-eighths inches long and three-eighths of an inch square.
The Flywheel. It may be possible to secure a flywheel for the engine from some old toy. It should be about three and one-half inches in diameter. A flywheel can be made out of sheet iron or steel by following the suggestion in Figure 151, which shows a wheel cut out of one-eighth inch sheet steel. It is given the appearance of having spokes by boring six three-quarter inch holes through the face as shown. The hole in the centre of the wheel should be one-eighth of an inch in diameter. The wheel is slipped over the shaft and fastened in position by soldering.
The parts are now all ready to assemble into the complete engine. Mount the electromagnets in the frame and fasten the frame down to the wooden base so that one end of the frame comes practically flush with the left hand edge of the base. Fasten the bearing across the frame at right angles by a screw passing through the centre hole in the bottom of the bearing, through the hole A and into the base. The bottom of the bearing should be bent slightly so as to straddle the frame. The bearings should be secured and prevented from turning or twisting by two screws passed through the other two holes in the bottom. Use round-headed wood screws in mounting the bearing and the frame. The armature bearing should be mounted on the frame directly between the two electromagnets. Then place the armature in position by slipping a piece of one-sixteenth inch brass rod through the bearing holes and the hole in the lower part of the armature.
Solder the flywheel in position on the shaft and snap the latter into the bearings. Adjust the bearings so that the shaft will turn freely. The connecting rod should be slipped over the shaft before it is placed in the bearings. Fasten the other end of the connecting rod to the armature by means of a piece of one-sixteenth inch brass rod which passes through the small holes bored for that purpose. When the flywheel is spun with the fingers, the armature should move back and forth between the two electromagnets and almost but not quite touch the two magnet poles. All the moving parts should be fitted firmly together but be free enough so that there is no unnecessary friction and so that the engine will continue to run for a few seconds when the flywheel is spun with the fingers.
The brushes, supported on their fibre block should be mounted on the bearing by means of two screws passing through the holes in the bearing into the block. The position of the brushes should be such that the shaft passes between the two upper ends but does not touch them unless the small contact crank mentioned above is in proper position to do so. The proper adjustment of the brushes, so that they make contact with the shaft at the proper moment, will largely determine the speed and power which the finished engine will develop.
Two binding posts should be mounted on the right hand end of the base so that the engine can be easily connected to a battery. Connect one terminal of the right hand electromagnet to one of the binding posts. Run the other terminal of the electromagnet to the brush on the opposite side of the shaft. Connect one terminal of the left hand electromagnet to the other binding post and run the other terminal to the brush on the opposite side of the shaft. Save for a few minor adjustments, the engine is now ready to run. Connect two or three cells of dry battery to the two binding posts and turn the flywheel so that it moves from right to left across the top. Just as the crank passes "dead centre" and the armature starts to move back away from the left hand magnet, the small contact crank should touch the left hand brush and send the current through the right hand magnet. This will draw the armature over to the right. Just before the armature gets all the way over to the right, the contact should break connection with the left hand brush and interrupt the current so that the inertia of the flywheel will cause it to keep moving and the armature to start to move over towards the left hand magnet at which point the contact on the shaft should commence to bear against the right hand brush, thus throwing the left hand magnet into circuit and drawing the armature over to that side. If the brushes and the cranks are in proper relation to each other the engine will continue to repeat this operation and gradually gain speed until it is running at a good rate.
The appearance of the engine can be improved by painting the metal parts black and the flywheel red. The magnets can be wrapped with a piece of bright red cloth to protect the wire against injury and brighten the appearance of the engine.
The tungsten lamp has opened wonderful possibilities in the field of electric lighting by means of miniature lamps operated from batteries.
The tungsten lamp uses less than one third the amount of current required by the old-fashioned carbon filament lamps in producing the same candle power. This means that the battery will last three times as long.
Miniature lighting is one of the most practical phases of experimental electricity to which the experimenter can apply his time. Battery operated lamps will be found invaluable in many places for lighting dark corners, hallways, barns, garages, camps, bungalows, workshops, etc.
Tungsten Battery Lamps are made in a great many different styles and sizes.
The smallest sizes are used for flashlights, hand-lanterns, etc. These are not rated according to their candlepower, but to the voltage which they should be operated on. Flashlight lamps will be found satisfactory as a means of illuminating closets, cellars, stairways, etc., but do not give sufficient light for reading or any purpose of that sort. The light which they give varies from one to three candle-power according to the size of the lamp. They are made for 1.5, 2.8, 3.8 and 5.8 volts or respectively one, two, three and four dry cells. Flashlight lamps are provided with what is known as a miniature base only.
A very simple lighting arrangement which will prove exceedingly useful for illuminating a dark closet, a coal bin or the face of a clock, etc., consists of a 1.5 volt lamp, a single cell of dry battery and a suitable switch and wire. Such an installation may be made at a cost of less than seventy-five cents.
The lamp is mounted in what is known as a miniature porcelain base receptacle. The switch may most conveniently be the type termed a "wood base" switch. In case the lamp is installed for illuminating a clock, a "pear push" and a flexible cord may be substituted for turning the light off and on in place of the switch. It can then be suitably hung alongside of the clock or bed as desired.
The wire should not be smaller than No. 18 B. & S. Gauge or else it will offer too much resistance to the electric current and full benefit of the candle-power of the lamp will not be secured. Annunciator wire is preferable. It has good insulation and at the same time is not too large to be easily run through corners, cracks, etc.
The diagram in Figure 153 shows how to connect the lamp to the battery and switch. Figure 156 shows two dry cells connected in series for use with a 2.8 volt lamp.
When more illumination is desired than that furnished by flashlight lamps greater candle-power will be required. The following table shows the voltages and candle-powers of those lamps which are most suitable in such an instance:
G6....4 volts 4 candle-power
G6....6 volts 4 candle-power
G8 6 volts 6 candle-power
They may also be operated from dry cells. If they are intended to be in use for other than a few minutes at a time it will be well to use a battery consisting of two sets of cells connected in series multiple. The method of connecting cells in series multiple has already been illustrated in Figure 35. This will lighten the strain on the battery and it will be found that two sets of batteries used in series multiple will last more than twice as long as one set used alone.
Six volt lamps of more than six candle-power are best operated on storage batteries because the current required is too great for dry cells to give efficient service in such a case.
The tungsten lamps made for automobiles are ideal for miniature lighting plants operated by storage batteries. The list below shows some of the sizes on a current of six to eight volts.
The bases are made of brass and come in four different styles, miniature, candelabra, single Ediswan and double Ediswan. The single and double Ediswan are used on automobiles because the construction of the base and the socket or the receptacle into which it fits is such that the lamp cannot jar loose.
The candelabra base is probably the type best adapted to miniature lighting elsewhere than on an automobile.
The letter "G" and the number in the first column indicates the size of the glass globe or bulb of the lamps.
You can compute the approximate amount of current drawn from a battery by a tungsten lamp, by dividing the candle-power by the voltage. The result is the current in amperes. For example, a 6 volt, 12 candle-power lamp will consume 12 divided by 6, or 2 amperes.
Storage batteries are rated by their output in ampere hours. An ampere hour is the amount of current represented by one ampere flowing for one hour. A forty ampere hour cell will deliver one ampere for forty hours, 4 amperes for ten hours or 5 amperes for eight hours. The ampere hour capacity of a storage cell divided by the amount of current being used will determine how long that current can be drawn before recharging is necessary.
The maximum amount of current it is safe to draw from a storage cell without impairing its life and efficiency is the maximum current which that cell can deliver continuously for eight hours. In order to determine this current simply divide the manufacturer's rating of the battery in ampere hours by eight. The answer is the maximum current you should require from the battery if you wish to obtain good service from it. For example, the maximum safe discharge rate of a 40 ampere hour battery is 40 divided by 8 or 5 amperes.
The method of computing the current required by a lamp and the method for determining the maximum safe discharge rate of a battery will enable you to figure the size of the smallest battery it is desirable to use in a lighting plant.
Suppose that you intend to use three 6 volt 12 candlepower lamps. Each lamp will require two amperes or a total of six when all three lamps are burning at the same time. Six amperes multiplied by eight ampere hours equals 48 ampere hours. This is the smallest size of battery which should be used. If it is larger, it will be advantageous, because it will supply the lamps a correspondingly longer time without recharging.
Figure 155 shows some of the sockets or receptacles which are on the market. The illustration to the left is a "flat base receptacle." It will be found most useful when the lamp is to be mounted directly on the wall or ceiling. The weatherproof type of socket may be secured with either a fibre or a porcelain shell.
The brass shell socket is the best wherever appearance counts. It is patterned after the standard Edison sockets and is made so that it will screw onto several different sizes and styles of brackets which may be mounted on either the ceiling or the wall. This type of socket is also made with a small switch built inside so that the lamp may be turned on or off directly at the socket.
The Wire used to connect the system will depend upon where the lamps are located. Annunciator or office wire as it is sometimes called will serve in most cases where the wires are to be run entirely indoors. The largest size made is No. 16 B. & S. Gauge. This is the size which should be used. Annunciator wire is made in various colors so that it can be more easily concealed.
If the wires are run outdoors, or somewhat exposed to the weather, as on a porch or in a barn, it is advisable to use weatherproof or rubber covered wire. Lead covered twin conductor is recommended for use aboard boats or wherever the wire is liable to abrasion.
If the lamps are larger than eight candle-power, or several are to be used on the same line, the wires should be larger than No. 16. When a battery is connected to a system of wires, the voltage at the end of the line is much lower than it is at the battery terminals. This is due to the resistance of the wire and is called "voltage drop." The lamps at the end of the line will not burn as brilliantly as those close to the battery. This can be partially overcome by using large wire.
The lamps may be either connected in series or in multiple. When a six volt battery is used, it will be necessary to connect them in multiple. Figure 159 shows how several lamps may be connected in multiple and controlled by one switch. Figure 160 shows the same lamps with three separate switches so that each lamp may be turned on or off individually.
It is possible to arrange a lamp and two switches so that it can be turned on or off at either switch independently of the other. This is a very convenient method of installing a light on a stairway or in a hall. One switch may be placed at the top of the stairs and the other at the bottom. A person going either up or down stairs can light the lamps ahead and turn it out as he passes the last switch regardless of its position at the other end.
The switches must be of the type called "two point" or "double throw single pole" and the levers must always rest on one of the contacts and never be left in between.
Making a Coherer. How to Adjust the Instruments.
MANY experimenters desire some device by which wireless signals may be made clearly audible without the necessity of holding a telephone receiver to the ear. It is not possible for the amateur to make such an arrangement which will receive signals over long distances. It is, however, possible to arrange a "coherer" so that signals coming from a nearby station may be indicated by the ringing of a bell.
Such a "coherer" outfit will receive messages coming within a radius of one mile and may also be used for demonstrating the principles of wireless telegraphy when both the receiving and transmitting station are located in the same room or building.
In order to secure these results it will be necessary to substitute a device called a "coherer" for the detector in the receiving apparatus.
A coherer consists essentially of a few metal filings between two metal plugs. The filings are made part of a circuit which includes a relay and a battery. Under ordinary conditions the filings lie loosely together and their resistance to an electric current is so great that they will not allow enough energy to flow to operate the relay. If, however, the two plugs are connected to the aerial and ground so that the currents of the incoming wireless signals also pass through the filings, they will suddenly "cohere" or stick together and permit sufficient current to pass to operate the relay.
A "tapper," or as it is also sometimes called a "decoherer," is also arranged in the circuit so as to automatically shake the filings up and restore them to their loose state as soon as each signal is received. The decoherer consists simply of an ordinary bell mounted so that the hammer will strike the coherer and jar it.
The first thing required in order to make a coherer is a pair of double binding posts. These should be mounted on a wooden base six inches long and four inches wide as shown in Figure 163.
A piece of glass tubing about one and one-half inches long and one-eighth of an inch in diameter inside together with some brass rod which will just slip into the tube tightly will be required.
Cut two pieces of the brass rod one and three-quarters inches long and face off the ends perfectly square and smooth.
Slip these rods through the upper holes in the binding posts and into the glass tube as shown in Figure 163. Be sure that everything lines up perfectly and then remove one of the plugs.
Before putting the plug back in place put some nickel and silver filings in the tube so that when the rods are pushed almost together, with only a distance of three-sixty-fourths to one-sixteenth of an inch between, the filings will about half fill the space.
The filings are a mixture of silver and nickel and must be very carefully prepared. The mixture should be nine-tenths nickel and one-tenth silver. The filings may be secured by holding a five cent piece over a clean sheet of paper and filing it with a coarse file. The silver filings are made in the same way by using a ten cent piece or a quarter in place of the nickel.
Do not use the fine dust and powder which is formed, but only the coarse filings.
The success of the coherer will depend upon its adjustment and it will probably be necessary for the beginner to experiment considerably to find out just the right amount of filings to place in the tube and how far apart the brass plugs should be placed.
The decoherer is made by removing the gong from an old electric bell and mounting the bell on the base in the position shown in Figure 163. The hammer should be bent so that it will tap the coherer lightly when a battery is connected to the bell binding posts.
The only thing required to complete the apparatus is a relay.
A relay of the "Pony" type such as that shown in Figure 164 will serve for ordinary work. It should be wound to at least 150 ohms, for to a certain extent, the higher the resistance, the more sensitive it will be.
When it is desired to secure the maximum possible distance with the coherer a "polarized" relay will be necessary. A polarized relay is much more sensitive than the ordinary sort. The polarized relay should be wound to 1000 ohms.
Figure 165 illustrates how the coherer, decoherer and relay should be connected. Two wires connected to the coherer posts lead to the magnets of the relay in series with a single dry cell. The contact posits of the relay are connected to the decoherer in series with another dry cell.
When wireless signals pass through the relay they will cause the resistance to drop and allow sufficient current from the dry cell to pass through the coherer to energize the magnets of the relay and draw the armature in, thus closing the decoherer circuit. When the armature of the relay is drawn in towards the magnets the relay contacts are brought together. This closes the decoherer circuit and starts the hammer to tapping the coherer, thus restoring the filings to their former loose state. The decoherer will tap the coherer as long as the incoming signals continue. By breaking the signals up into dots and dashes of the telegraph code a message may be easily transmitted and read from the tapping of the decoherer.
The best results are secured from a coherer outfit if it is connected to the aerial and ground by substituting it for the detector in a circuit employing a double slide tuning coil and a fixed condenser. The two wires that would ordinarily be connected to the detector terminals are simply connected to the coherer posts.
When the apparatus is to be used for demonstration or experiment and the transmitting and receiving stations are both located in the same room or house it will not be necessary to use an aerial and ground but merely to attach two copper wires about 18 or 24 inches long to the opposite sides of the coherer as shown in Figure 163.
In such a case the transmitter should be arranged as in Figure 167.
A spark gap made especially for this purpose is illustrated in Figure 168. Some of the details of the gap are shown in Figure 169.
The ball may be made in the form of a complete sphere or else consist simply of half of one as illustrated. It should have a radius of about five-eighths of an inch and arranged so that it may be mounted upon the end of a "catch-wire."
The "catch-wires" are mounted in two standards similar in construction to a large binding post three and one-quarter inches high. The standards should be mounted by screwing them on top of the secondary terminals of the spark coil. The spark balls should be adjusted so that the distance between them is not over one-eighth of an inch.
The coherer apparatus will probably require to be very accurately adjusted before it will work properly.
Patience and a little experience will soon enable one to overcome the difficulties and to put the apparatus in sensitive condition without much trouble.
The coherer will be found to be the most sensitive when only a very few filings are used.
The adjustment desired in the relay is the one in which the armature is given the smallest possible amount of motion and the spring which pulls the armature away from the magnets, the least tension.
The best method of finding the most sensitive adjustment for the apparatus is to place the transmitting and receiving stations only a few feet apart from each other in the same room. After you learn how to adjust the coherer and relay properly you will then find that you can move the transmitter quite a distance away from the coherer and it will still operate.
Of course a coherer outfit is not very satisfactory and reliable for the regular reception of wireless signals even over short distances because of its irregular working. It is, however, very useful for sort of a calling or signal outfit. It may be connected to the tuning coil by means of a double-pole, double-throw switch and left in the circuit so as to indicate by the working of the tapper when any of the other stations in the near neighborhood are sending. The detector can then be quickly inserted in the circuit in place of the coherer by throwing the switch in the opposite direction and the signals read in the telephone receiver.
IF the discharge from a Leyden jar or a condenser is passed through a coil of wire acting as a primary and the primary is provided with a secondary coil of a larger number of turns, a peculiar current known as high frequency electricity is generated in the secondary. Such a device is known as a Tesla Coil or Transformer.
When a Leyden jar or a condenser discharges through a coil of wire, the spark which takes place does not consist simply of a single spark passing in one direction only, but is really made of a number of separate sparks passing alternately in opposite directions at the tremendous rate of from one hundred thousand to one million times per second.
A Tesla high frequency coil opens a field of wonderful possibilities to the amateur experimenter and brings innumerable weird and fascinating experiments within his reach.
The Tesla coil described in the following pages will give sparks of high frequency electricity two or three inches long from the secondary, when used in connection with a two inch spark induction coil. If used in connection with a small high potential wireless transformer, the high frequency discharge can be increased to six or eight inches.
A Tesla coil, suitable for use with a smaller spark coil, say one capable of giving sparks from one-half to one inch in length can be made by following the same plans but cutting all of the dimensions in half. Make the secondary six inches long and one and one-half inches in diameter instead of twelve inches long and three inches in diameter, etc.
The Secondary winding consists of a single layer of No. 28 B. & S. Gauge double cotton covered wire wound over a cardboard tube, twelve inches long and and three inches in diameter. The tube must be thoroughly dried before using it, by baking in an oven. A coat of shellac, both inside and out, will avoid the possibility of having to rewind the tube because of the wire becoming loose, due to drying out of the tube later. The wire should be wound on in a smooth, even layer to within about one-quarter of an inch from the ends and given a coat of hot paraffine when finished. The ends of the tube are fitted with circular wooden heads having a half inch flange.
The Base is a rectangular piece of wood, fifteen inches long and six inches wide.
The secondary is supported in position by two hard rubber uprights, four inches high, seven-eighths of an inch wide and one-half an inch thick. A round-headed brass wood screw is passed through the top part of each of the supports into the centre of each one of the wooden secondary heads. High frequency currents are very hard to insulate and wood does not possess sufficient insulating value to fit it for use as supports. Hard rubber or glass are the most satisfactory materials for the supports.
The secondary terminals are connected to two brass rods, five inches long and having a small brass ball at the upper end, mounted on the top of each of the hard rubber supports.
The lower ends of the hard rubber supports are fastened to the base by means of screws passing upwards through the base into a threaded hole in the bottom of each support.
The secondary passes through the centre of the primary. The primary consists of eight turns of heavy copper wire wound around a wooden drum or frame. The wire should be No. 8 or No. 10 B. & S. Gauge. Flat copper or brass ribbon one-quarter of an inch wide can be used in place of the wire. The stranded copper wire, consisting of seven No. 22 B. & S. Gauge wires twisted together and commonly employed for wireless aerials can be used to good advantage in winding the primary, the idea of using a large wire, stranded wire, or ribbon being to obtain a conductor having as much surface as possible. High frequency currents travel only on the surface of wires and conductors. A hollow tube is just as good a conductor for high frequency currents as a solid rod of the same diameter.
The heads of the primary drum are wooden rings, seven inches in diameter outside, four and one-half inches inside and one-half an inch thick. Six cross bars, two and one-half inches long, three-quarters of an inch thick and one-half an inch wide are required to support the wire. They are spaced equidistantly around the rings and held in position by means of brass screws passing through the rings. Do not use iron screws, because iron is magnetic and should be entirely avoided in the construction of a Tesla coil. Small notches should be cut in the outside edge of the cross bars to accommodate the wires. The wires should pass around the drum in the form of a spiral with one-quarter to five-sixteenths of an inch space between the turns. The completed drum will somewhat resemble a squirrel cage. The ends of the primary winding should terminate in two large binding posts mounted on the primary heads. The heads are fastened to the centre of the base by a couple of large wood screws passing upwards though the bottom.
The illustration in Figure 177 shows how to connect the Tesla coil. The primary should be in series with a condenser and a spark gap. The condenser should consist of two or three Leyden jars or several glass plates coated with tinfoil. It is impossible to determine just how much capacity the condenser should have in advance, because the length of the conducting wires, adjustment of the spark gap, etc., will have considerable effect. The condenser is connected directly across the terminals of the spark coil. The spark gap may consist of two one-eighth inch brass rods supported by two double binding posts mounted on a small wooden block.
The induction coil should be as large as possible. When the coil is set in operation it will charge the condenser and a white, snappy spark should pass across the gap. If the fingers are brought near to one of the secondary terminals of the Tesla coil, a small, reddish purple spark will jump out to meet them. It will be necessary to adjust the apparatus very carefully before a spark of any considerable length can be obtained. Changing the length of the spark gap and the size of the condenser will undoubtedly produce results. It may also be possible to lengthen the high frequency spark by disconnecting one of the wires from the primary binding posts on the Tesla coil and connecting the wire directly to some one of the primary turns. A very small change in some one of the connections may produce considerable result. The purpose of the adjustments is to tune the circuit in the same manner that a wireless outfit is tuned by altering the capacity of the condenser or varying the number of turns in the helix.
There are many interesting experiments which may be performed with the aid of a Tesla coil which space does not permit of describing here. The weird and strange beauty of the Tesla discharge is most evident when it takes place in the dark.
High frequency currents do not produce a shock. If you hold a piece of metal in your hand and bring it near one of the secondary terminals, you can take the shock of a high-frequency coil, throwing a spark several inches long without feeling any sensation except that of a slight warmth.
Many of the readers of this book are probably "wireless experimenters" who have constructed their own wireless telegraph apparatus, but not many have ever built a wireless telephone set. The arrangement described in the following chapter may be built by almost any boy and will prove a very interesting and instructive piece of apparatus. It is of no real practical value as a wireless telephone, owing to the fact that the distance over which it will transmit intelligible speech is limited to 150 to 300 feet. However if you have a chum who lives next door or across the street or within the distance named above, it is easily possible for you to construct a wireless telephone which will enable you to remain in your own rooms and hold a conversation with each other, without any connecting wires.
The instruments depend for operation upon what is known as magnetic induction. Michael Faraday, who was a famous English scientist, discovered in 1831 that if a magnet is suddenly plunged into a hollow coil of wire, a momentary current of electricity is generated in the coil. You can try this experiment for yourself by connecting a galvanometer with a hollow coil of wire and then suddenly plunging a bar magnet into the coil.
If you observe closely you will notice that the needle of the galvanometer is deflected, this indicating that a current has passed through the circuit. The galvanometer should of course be far enough away so that the needle is not affected directly by the magnetism of the bar magnet itself.
As long as the bar magnet is motionless, it will not induce any current in the coil. As soon as it is moved however, the currents are set up. The mechanical work done in moving the magnet is really the source of electrical energy. The medium which changes the mechanical energy into electricity is called the magnetic field. The real nature of a magnetic field is very hard to explain and not easily understood. It is a peculiar state or condition of the space in the immediate neighborhood of a magnet. It is possible to show its existence by placing a sheet of cardboard over a magnet and then sprinkling iron filings over the surface of the cardboard. If the cardboard is tapped slightly, the filings will settle down in curving lines, forming a magnetic "phantom." The curved lines into which the filings form themselves, represent the paths of the lines of force which make up the magnetic field. The illustration in Figure 180 shows the magnetic phantom about a bar magnet.
When the space in the neighborhood of a wire or a coil of wire through which a current of electricity is passing is examined by means of some iron filings sprinkled on a sheet of cardboard, it is found that a similar state of affairs exists there and that it also possesses a magnetic field.
This can be readily shown by punching a small hole in the centre of a sheet of cardboard or stiff paper and passing a wire which is carrying a strong current of electricity through the hole at right angles to the surface of the cardboard. Sprinkle some iron filings on the cardboard and they will arrange themselves in circles around the wire, forming a magnetic phantom giving definite proof to the eyes of the existence of the magnetic field.
Some of my readers may have begun to wonder what a magnetic field has to do with the operation of the wireless telephone. It has already been explained that this particular type of wireless telephone depends upon magnetic induction for its operation. It is necessary to have some sort of a conception of the magnetic field before you will be able to understand magnetic induction.
In order that you may gain an idea of how the instruments work, suppose that two coils of wire, A and B, are connected as shown in Figure 182. The coil A is connected in series with a set of batteries and a telegraph key. The other coil B is connected to a telephone receiver. The coils are placed parallel to each other and only a few inches apart. When the key is pressed so that the circuit is complete and the battery current flows through the coil A, it creates a magnetic field in the vicinity of the coil and lines of force are set up in the immediate neighborhood.
The lines of force will travel through and about coil B and induce in it a current of electricity. The electric current will cause a sound like a click in the telephone receiver. When a telephone transmitter is substituted for the key and words are spoken into the mouthpiece, the current passing through the coil from the battery will be varied in accordance with the vibrations of the voice. The changes in the current will produce changes in the magnetic field set up by the coil and the changes in the magnetic field will produce a varying current in the coil B so that the words will be distinctly repeated by the receiver connected to B.
This experiment is very easy to perform and may be carried out by almost any boy with the materials he probably already has around his shop. Twenty-five to thirty turns of magnet wire of almost any size wound around one end of a cardboard tube three or four inches in diameter will serve as the coil A. A similar coil wound around the tube five or six inches away, an ordinary telephone transmitter and receiver and two or three dry cells form all the rest of the equipment desired. Words spoken into the transmitter connected to the coil A will be distinctly heard in the telephone receiver connected to the coil B, although there is no connection between the two coils other than the magnetic field. Such an outfit as this is of course only experimental and intended solely for the purpose of demonstrating the principles of operation of the larger outfit. If it is desired to make a practical set for talking over a considerable distance it will be necessary to make coils much larger in diameter and to build them so they contain a larger number of turns.
Large coils can be made by drawing a circle about four feet in diameter on the floor of your shop. Then drive a number of small nails around the circle about three inches apart. This arrangement will serve as a form to wind the coil. After the winding is completed you can pull a few of the nails out and lift it off and you will have a circular coil four feet in diameter. Two coils will be required. They should be made of No. 20 B. & S. Gauge cotton covered wire. Each coil should contain about seventy-five turns of wire. About three pounds of wire will be required for each coil. After winding the coils should be tied with string or tape about every six inches so that they will not come apart. The nails can then be pulled out of the floor and the coil is ready for use. If it is intended to subject the coils to any amount of handling, it is a good idea to secure two large hoops such as girls use for rolling along the sidewalk, about four feet in diameter. Then make the coils exactly the same diameter as the hoops and when they are finished bind them to the hoops with tape. Two binding posts may be mounted on each of the hoops and the terminals of the coil connected to them.
Two coils are required in order to establish a complete wireless telephone system, one at each station. Each coil may be used for both sending and receiving messages. Each station should be arranged as in Figure 184. The transmitter should be of the type known as "long distance." The switch is a two point switch.
It is a good plan to use two telephone receivers mounted on a head band so that both ears can be used and the hands left free to manipulate the switch. If a set of telephone receivers wound to a high resistance for wireless telegraph purposes is used it will greatly increase the range of the outfit.
Six to eight first class dry cells will be required to form the battery. A push button is placed in series with the transmitter so that the battery current will be consumed only when the button is pressed. This makes it necessary to push the button when sending a message. When the lever of the two point switch rests on the contact A the circuit is completed for transmitting. When the lever rests on B the telephone receivers are connected to the coil and the apparatus is ready for receiving a message.
If the apparatus is used only for demonstrating purposes, a camera tripod will be found very convenient for supporting the coils. The transmitter and switch can be fastened to the top of the tripod and the batteries placed in a box on the ground. It is absolutely necessary that the coils be perfectly parallel to each other when messages are being transmitted back and forth. It is well to start with the coils comparatively close to each other, say ten or twelve feet at first, and then gradually increase the distance.
Coils approximately four feet in diameter and containing about seventy-five turns of wire will transmit and receive messages about one hundred and fifty feet. The range can be increased slightly by using more batteries. If too much battery is used, however, the telephone transmitter will become very hot and is liable to burn out.
It is impossible, of course, to "call up" over a set of wireless phones such as these. If you succeed in getting your set to work satisfactorily with your chum across the street and wish to talk to him it will be necessary for you to arrange some predetermined time.
In order to operate your phone place the switch lever on the contact A. Hold your finger tightly against the push button so that the circuit is completed and talk slowly and distinctly into the transmitter. The transmitter will operate the best when the mouthpiece points on a level with your mouth. The lips should be about one inch away from the mouthpiece. Speak in a low even tone. The switch at your friend's station should be resting on B. When you finish speaking throw your switch to B and listen in your telephone receivers. The operator at the other station should throw his switch to A and push the button. He may then talk to you.
Liquid which will conduct a current of electricity is called an electrolyte. All electrolytes are compounds, that is, they consist of more than one substance. When an electric current passes through a liquid it decomposes it. This process of decomposition is called electrolysis.
Pure water is not a conductor of electricity. If sulphuric acid is added to water, the mixture become an electrolyte and will conduct. If an electric current is passed through water containing sulphuric acid, it will decompose the water.
Water is composed of oxygen and hydrogen and so bubbles of oxygen and hydrogen gas will rise from the liquid.
Figure 185 illustrates a very simple arrangement for decomposing acidulated water into oxygen and hydrogen gases.
It consists of a bottle with the bottom broken out, and provided with a cork fitted snugly into the neck. Two glass tubes pass through the cork. A small piece of platinum wire is sealed into the inside end of each glass tube. The platinum wires are connected to copper wires leading out of the lower ends of the tubes.
If the bottle is inverted and filled with a dilute solution of sulphuric acid, the current from two or three dry cells will decompose the water. The battery should be connected to the wires running through the glass tubes.
Bubbles of gas will rise from the platinum wires. Oxygen gas will rise from the positive wire or electrode and hydrogen gas from the negative electrode.
If two test tubes are filled with acidulated water and then inverted over the wires, the tubes will collect the gas. In a few minutes it will be noticed twice as much hydrogen as oxygen has been generated.
If copper or brass electrodes &re used the acid will attack the positive one and a chemical action will take place which will prevent the liberation of any appreciable amount of oxygen, unless an excessive amount of current is passed through.
Electroplating consists of coating bodies with metal by means of an electric current.
The proper chemicals, a small tank and a suitable source of current are the only apparatus required. The process may be outlined as follows: Thoroughly clean the article to be electroplated so as to remove all grease and dirt. Attach it to the negative pole of the battery and suspend it in an electrolyte composed of some chemical salt of the metal to be deposited. In order to maintain the strength of the solution, a piece of metal of the kind to be deposited is attached to the positive electrode.
A tank for plating small articles such as keys, rings, knives, etc., may be made out of a square glass battery jar by providing it with a wooden moulding fitted around the top edge to support the conductor rods. The rods are made of brass or copper and are threaded at one end so as to be provided with binding posts. The centre rod is the one from which the articles to be plated are suspended. They should be attached to it by means of a thin copper wire. The two outside rods support the anodes. The anodes are sheets of metal of the kind to be deposited which, in the case of copper plating, would be copper, in a case of silver plating silver, nickel for nickel plating, etc.
Objects which are to be plated must be free from all traces of dirt or grease or the plating will not be uniform because it will not stick to the dirty spots.
Articles made of plaster, wax, etc., which are not conductors of electricity can be plated by first covering with powdered graphite. Articles of iron, steel, zinc and tin cannot be silver or gold plated unless first covered with a thin coating of copper.
A single storage cell is an excellent source of current for electroplating. A rheostat should be placed in the circuit so that the current can be regulated. The negative pole should be connected to the centre rod from which the articles are suspended. The positive pole is connected to the rods supporting the anodes.
The tank should be filled with electrolyte to within about an inch of the top. The articles to be plated and also the anodes should be completely submerged.
The electrolyte used for copper plating is simply a solution of copper sulphate in water. The electrolyte for nickel plating is composed of one part of nickel sulphate dissolved in twenty parts of water to which one part of sodium bisulphate is added.
Articles which have been electroplated must be buffed to give them a bright polish.
If the point of contact between two dissimilar metals is heated, a current of electricity will be generated.
This principle was discovered nearly one hundred years ago by a scientist named Seebeck, and has resulted in many attempts on the part of inventors to utilize the heat of the sun's rays in producing electricity.
An interesting experiment illustrating the production of electricity by heat can be easily performed with very simple apparatus. An alcohol lamp, candle or source of heat, a piece of copper, a steel needle and a galvanometer or a telephone receiver are all that are necessary.
The galvanometer or the telephone receiver, whichever is used, is for the purpose of detecting the electric current.
Connect the needle and the piece of copper, which should preferably be a small sheet, to the galvanometer or telephone receiver. Hold the copper sheet over the flame of the alcohol lamp until it is quite hot and then touch the hottest portion with the point of the needle. Enough current will be generated to produce a click In the telephone receiver or to cause the galvanometer needle to move. The needle should be pressed against the copper tightly enough so that the point cuts through the scale or oxide on the surface and makes a good electrical contact with the metal underneath.
Various devices for the production of electricity consisting of a large number of strips of dissimilar metals in contact with one another and arranged so that they can be easily heated have been invented. They are called "thermopiles."
Figure 188 shows a simple and handy form of light which utilizes the current from a home made primary cell. It consists of a glass fruit jar, fitted with a tight wooden top. A miniature porcelain socket and a 1.5 volt tungsten lamp are mounted on top.
The battery is arranged so that the zinc element can be drawn up out of the solution when the light is not in use and any waste thereby prevented. The zinc electrode consists of a strip of that metal fastened onto the lower end of a brass rod by means of two threaded nuts. The upper end of the rod passes through a small metal collar on the top of the cover, provided with a thumb-screw so that when the electrode is lifted up out of the solution it may be clamped firmly in that position.
The zinc strip should not be so long that it will not clear the solution when raised up if the jar is about half filled.
The positive electrode is a battery carbon mounted on the lower end of a brass rod. The brass rod in this case is not movable because the carbon can remain in the solution indefinitely without any waste.
The joint between the brass rods and the electrode should be coated with paraffine so that the chemicals in the solution will not cause any corrosion. The rods should be connected to the lamp socket. When the zinc is lowered into the solution, the lamp will be lighted by the current generated.
The electrolyte should be that described as the "bichromate" solution on page 34 of Vol. I of this book.
An arc lamp is operated by causing an electric current to pass between two carbon rods. If the voltage is high enough, carbon vapor will form between the rods when they are separated a short distance. It requires an E. M. F. of approximately fifty volts to produce and maintain an arc.
A six volt storage battery will heat a pair of sharp pointed carbons to incandescence and produce a light somewhat similar to the electric arc.
Ordinary carbon rods such as those used in flashlight batteries will serve very nicely for a "battery arc lamp." The ends should be filed to sharp points. Figure 189 shows a simple method of mounting the carbons. The lower one is soldered to a piece of brass strip by taking advantage of the brass cap pressed over the upper end of flashlight battery carbons.
The upper carbon is mounted on the forward end of a brass lever which is pivoted near the back end so that an adjustable counterweight may be used to regulate the pressure on the point of contact between the two carbons.
If the carbons are touching lightly and are connected to a strong battery of six volts or more, the point of contact will be heated to incandescence and will produce a dazzling white light.
A real arc lamp for operation on the 110 volt current, in series with a bank of lamps, may be constructed on this same scheme by using larger carbons and eliminating the counterweight. The upper arm should be pivoted in the same manner but should move stiffly so that it will remain in any position in which it is set.
If the 110 volt current is used, the carbons should be brought together and then separated a short distance. The current will continue to flow across and will form an arc producing a very powerful purplish white light. The arc will consume the carbons quite rapidly and also generate a great deal of heat. Therefore if it is intended to use the light for any length of time it is advisable to fasten the carbons by means of a clamp so that they may be easily replaced.
This is a mystifying piece of apparatus to those who do not know its secret. The little diver apparently travels up and down from the bottom of a jar full of water to the surface at a word of command.
The diver consists of a small glass test tube about two inches long having the figure of a man painted upon it. The lower end is closed by a very small cork through which is pushed a large iron tack with the head on the outside. The test tube contains just enough water to float head up even with the surface of the water. The exact amount of water required to just permit enough buoyancy for the diver to rise again to the surface after he has been to the top will have to be determined by careful experiment.
The jar containing the diver should be set on a table having a drawer in which a pair of powerful electromagnets can be placed directly under the jar. The electro-magnets are connected to a strong battery and a switch located under the rug or carpet and so arranged that it may be closed by stepping on it lightly and without attracting attention. If the diver does not have too much bouyancy the attraction between the tack and the electro-magnets when the switch is closed should be sufficient to cause him to descend to the bottom of the jar. When the current is turned off the diver should rise again.
The same sort of a scheme employed in the Magnetic Diver may be used for producing a magnetic fish which will swim around and around a pan of water.
It consists of a small wooden fish having a magnetised sewing needle attached to the under side. The fish is placed in a bowl of water on a table having a drawer in which a pair of electro-magnets mounted on a rotating wooden arm may be placed so that they swing around directly underneath. A piece of strong twine wrapped around an empty spool and attached to the centre of the arm makes it possible to rotate the magnets by pulling on the string. When the magnets are connected to a battery they will exert a strong magnetic pull upon the needle fastened to the fish and if slowly rotated will cause the latter to follow slowly around the bowl.
Small figures of men or animals cut out of sheet iron will perform many amusing acrobatic feats when under the influence of a magnet.
Such figures are easily cut out of an old tin cracker box with a pair of snips or strong shears. A realistic appearance may be secured with the aid of a little paint.
A tin clown having a sharply pointed hat, hands and feet will do all sorts of stunts when hanging from the poles of a horseshoe magnet. If several clowns are made they can be caused to hold hands, stand on each others heads, jump up in the air, etc.
If a sewing needle is connected to one of the discharge rods of a static machine and the point of the needle is presented to the flame of the candle while the machine is in operation, the flame will be repelled just as if a breeze or current of air were issuing from the needle. This is caused by the "brush" discharge which takes place whenever high voltage electricity has a chance to escape from a sharp point or edge. The brush discharge will be much more marked if the condensers or Leyden Jars are not connected to the discharge rods. The "electric breeze" can be felt if the point of the needle is brought near to the side of the face. It is necessary that the needle and the wire connecting it to the static machine be very carefully insulated from all surrounding objects which might dissipate the electricity before it has an opportunity to escape from the needle point.
This is a motor operated by the electricity from a static machine. It does not possess any appreciable amount of power and must be very carefully built and balanced in order to operate.
It consists of four celluloid "ping-pong" balls, B, B, B, B, covered with tinfoil and mounted on opposite ends of two wooden spokes. The balls should be at right angles to each other as shown in the illustration. The spokes pass through a cork. The cork is mounted on a wire spoke or knitting needle passing through its centre and supported in small notches in the top of two upright wooden bearings. The device must be very carefully balanced so that the slightest impulse will cause it to spin and so that there will not be any dead centre.
The upright bearings are mounted on a wooden base. Two other tinfoil covered balls A, A, are supported on glass or rubber insulating rods at opposite ends of the base on a level with the axle and in such a position that the balls B, B, B, B, almost touch A and A as they swing past.
Connect A and A each to one discharger rod on the Wimshurst machine. Start the machine and give the axle of the static motor a twist. As the balls B, B go past A and A they will receive a charge of electricity which will cause them to repel each other until they have swung past the other ball on the opposite side and discharge their electricity in return for a charge of the opposite sign.
Any of the Following
Practical Books
will be sent At Once, Post-paid on receipt of price.
There is very little danger of losing currency in a letter if the following directions are observed:
Cut a circular hole the diameter of
the coin in a piece of cardboard, of
sufficient size to fit closely in the
envelope. The cardboard should
be no thicker than the coin.
Insert the coin in the hole and paste
a piece of paper on both sides of
the cardboard to prevent the coin
from falling out.
COLE & MORGAN
Publishers of the Arts and Sciences Series
P.O. Box 473 New York, N. Y.
The Boy Electrician
Practical Plans for Electrical Toys and Apparatus, with an Explanation
of the Principles of Everyday Electricity.
By ALFRED P. MORGAN.
Author of "Wireless Telegraph Construction for Amateurs" and "Wireless
Telegraphy and Telephony," etc.
With full-page Illustrations and 324 Working Drawings and Diagrams
by the author. 8vo., Cloth, Net Price, $2.00.
This is the age of electricity. The most fascinating of all books for a boy must therefore be one dealing with the mystery of this ancient force and modern wonder, even a mere list of whose services is impossible. The best qualified of experts to instruct boys, Alfred P. Morgan, has in a book far superior to any other of its kind told not only how to make all kinds of motors, telegraphs, telephones, batteries, etc., and to do so economically, but has explained the principles upon which these depend for operation, and how the same thing is done in the every-day world be well presented and so attractive is this really great book that it will be an education for any bright boy to have it, as well as the best kind of a moral safeguard, by leaving no time or thought for evil, and a means of future benefit beyond the power of any one to reckon. Glancing over the pages of this book, one cannot but be impressed by the excellent illustrations, clearness of expression and the large number of subjects that are covered. It is beyond doubt the best book in this line that has ever been written or published. It is a book that will delight every boy who has a leaning towards electrical experiments. The author writes in a clear and chatty style and while he has a thorough technical knowledge of his subject he has succeeded in treating it in a simple manner so that it is readily intelligible to his young readers.
Among the Chapter Headings and Contents are:
Magnets and Magnetism—Static Electricity—Static Electric Machines—Cells and Batteries—Electro-Magnetism and Magnetic Induction—Electrical Units—Electrical Appurtenances—Electrical Measuring Instruments—Bells, Alarms and Annunciators—Electric Telegraphs—Microphones and Telephones—Induction Coils—Transformers—Wireless Telegraphy—Wireless Telephony—Electric Motors—Dynamos—An Electric Railway—Miniature Lighting—Miscellaneous Electrical Apparatus.
READ WHAT HAS BEEN SAID OF IT.
"Even a casual glance through the many pages of the book does not fail to emphasize the fact that Mr. Alfred P. Morgan has indeed succeeded well in giving the juvenile electricians a work that has long been sought."—Popular Electricity.
"We have no hesitation in commending the book to the attention of the juvenile audience for which it is intended."—Boston Post.
"A great book for enterprising boys. Bright boys will highly appreciate it and feel like thanking the wideawake publishers for putting such a reliable and interesting work in the field."—New Haven Journal.
"The book covers the subject of electricity thoroughly in all its phases and is a splendid acquisition to any boy’s library."—Detroit Times.
"In this age of electricity a book like the present one is both fascinating and valuable especially to boys. The book is attractive with its many illustrations and will prove of much educational value for any bright boy."—Zion’s Herald.
"This is an admirably complete and explicit handbook for young boys who fall under the spell of tinkering with electrical apparatus."—Boston Transcript.
"Well presented and attractive this book will be a source of great benefit and delight for any bright boy."—New Orleans Times-Picayune.
Price, $2.00, Postpaid
COUNTLESS OTHER MAGAZINES, NEWSPAPERS AND LIBRARIES HAVE
ENDORSED THIS GREAT BOOK. SEND FOR A COPY NOW.
If you are interested in this great book, write for our 8-page special
descriptive circular.
Experimental Wireless Construction
EIGHTY-SIX PAGES NINETY-THREE ILLUSTRATIONS
Only 25 Cents, Postpaid
Here at last is the book which every young experimenter interested in constructing his own wireless apparatus has been looking for.
A book which tells how to build apparatus which anyone would be proud to own. It is a more advanced book than "Wireless Construction and Installation for Beginners," and describes apparatus which is much more elaborate and sensitive. The instruments have all been the subject of considerable experimental work and study. All the apparatus has been put to practical test and carefully improved by clever experts. By purchasing this book you get the benefit of vast knowledge and experience and are enabled to build far better instruments than by following your own designs and haphazard methods.
THE TREMENDOUS POPULARITY OF THIS VALUABLE LITTLE BOOK IS ONLY AN INDICATION OF ITS GREAT WORTH.
It has only been on the market a short time, yet the sales will undoubtedly soon reach a point which would indicate that experimenters unquestionably consider, that in proportion to its size, it is the best book on the market.
It does not describe any old or obsolete forms of wireless apparatus but only the latest types of aerials, spark coils, keys, gaps, condensers, helixes, oscillation transformers, loose couplers, tuning coils, detectors, loading coils, variable condensers, aerial switches, etc.
IT IS ONE OF THE MOST DETAILED AND THOROUGH BOOKS EVER PUBLISHED.
The information is all intensely practical. Complete directions and dimensions are given. Nothing is left to be guessed at. The book must really be seen to be appreciated.
Partial Contents
Chapter I.—THE AERIAL. The Location of the Station. The Construction of an Operating Bench. The Aerial and Ground. The Supports or Masts. Types of Aerials. How to Erect an Aerial. Protection from Lightning, Etc.
Chapter II.—SPARK COILS. The Construction of Spark Coils. A 1/4-inch Spark Coil. A 1/2-inch Spark Coil. A 1-inch Spark Coil. A 1 1/2-inch Coil. A 2-inch Coil. Sources of Current. Dry Cells. Storage Cells. Wireless Keys, Etc.
Chapter III.—TRANSMITTING APPARATUS AND ITS CONSTRUCTION. Step-down Transformers. Spark Gaps. The Oscillation Condenser. Leyden Jars. Helixes. Oscillation Transformers, Etc.
Chapter IV.—THE RECEIVING APPARATUS AND ITS CONSTRUCTION. A Silicon Detector. A Galena Detector. The Double Slide Tuning Coil. How to Make a Fixed Condenser. Building a Loose Coupler. The Loading Coil. How to Make a Variable Condenser, Etc.
Chapter V.—ARRANGEMENT AND OPERATION OF THE APPARATUS. Aerial Switches. The Buzzer Test. Using More Than One Detector. Shunting the Detector. Complete Outfits. Portable Sets. The Operation of the Station, Etc.
LESSONS IN WIRELESS TELEGRAPHY
FOURTH EDITION
72 Pages 66 Illustrations
A systematic course in the elementary principles. Written so you can understand it. In 35 lessons.
1.—Magnetism. 2.—Magnetic Induction. 3.—Primary and Secondary Cells. 4.—Electric Currents. 5.—Electromagnetism. 6.—Dynamo-Electric Machinery. 7.—The Induction Coil. 8.—The Transformer. 9.—Leyden Jars and Condensers. 10.—Electromagnetic Theory. 11.—Electric Waves. 12.—Principles of Wave Telegraphy. 13.—The Aerial. 14.—The Wireless Coil. 15.—The High Potential Transformer. 16.—The Oscillation Condenser. 17.—The Helix. 18.—Spark Gaps. 19.—The Key. 20.—Aerial Switches. 21.—Anchor Gaps. 22.—Detectors. 23.—Tuning Coils. 24.—Loose Couplers. 25.—Fixed Condensers. 26.—Variable Condensers. 27.—Telephone Receivers. 28.—Hot Wire Ammeter. 29.—Potentiometer. 30.—Dead End Losses and Switches. 31.—Distributed Capacity. 32.—Poulsen Arc. 33.—Receiving Undamped Waves. 34.—The Audion Amplifier. 35.—Hook-Ups.
Price, 25 Cents, Postpaid
If you want to understand your apparatus and how it works, you will need this book—over 15,000 copies in use.
Price, 25 Cents, Postpaid
Model Flying Machines
HOW TO BUILD AND FLY THEM
Will prove interesting and valuable.
Have you ever built and flown a Model Racer?
If not, you have missed something.
Price, 25 Cents, Postpaid.
Model Aeroplaning is one of the most fascinating and instructive of sports.
Thousands of young men and boys have formed Model Aero Clubs and organized Flying Contests throughout the country.
"MODEL FLYING MACHINES" of the Arts and Sciences series is the only book giving reliable data and instructions for the construction of practical Model Aeroplanes.
IF YOU ARE A BEGINNER, this is the book that you ought to have. It will start you right. It tells how to build seven different types of machines, starting with the simplest Monoplane and finishing with several Long Distance Racing Models.
IF YOU ARE INTERESTED IN MODEL AEROPLANING, this book will prove the one you have been looking for. Gives valuable "Kinks". Tells how to carve propellers, make winders, adjust and fly machines, etc. Fully illustrated with large size, detailed working drawings, showing the exact size of each part. Twelve full-page plates.
Printed on first-class paper. Heavy cover in three colors.
Sent postpaid by return mail upon receipt of 25 cents.
EVERY MODEL AVIATOR OUGHT TO HAVE A COPY
Wireless Construction and Installation for Beginners
SEVENTY-THREE PAGES SIXTY-SEVEN ILLUSTRATIONS.
(Second Edition.)
A Practical Handbook giving detailed instructions for the Construction and Operation of a Boy’s Wireless Outfit.
Only 25c. Prepaid
An indispensible book for the young wireless experimenter. It not alone shows how to build the various instruments but describes their actual workings and tells how to operate them.
EVERY BOY IS ADVISED TO
SEND FOR A COPY
Written in a very clear and simple style, the book is invaluable to a beginner. He will be able with its aid to construct simple apparatus of the latest and approved type. The instruments described in the book have been the subject of considerable experimental work and special study. They are modeled along simple lines so that they will be easy and inexpensive to construct, but at the same time combine features which make them very sensitive and capable of receiving or transmitting messages greater distances than some more complicated apparatus.
THIS BOOK, CONSIDERING ITS WORTH, IS A GIFT AT 25c.
There are no old or obsolete forms of wireless apparatus discussed, but only the latest types of tuning coils, receiving transformers, fixed condensers, keys, spark coils, detectors, etc. The book is illustrated by numerous detailed working drawings giving all dimensions. Several full-page views of the apparatus enable the beginner to fully comprehend the text.
THE MOST THOROUGH AND COMPLETE ELEMENTARY WIRELESS
CONSTRUCTION BOOK PUBLISHED
The pages on the construction and installation of aerials will be found to be of considerable help to the experimenter, for it is here that the most trouble is experienced by the beginner. The practical and helpful information on this subject is alone worth several times the cost of the book.
PARTIAL CONTENTS
Chapter I.—WIRELESS TELEGRAPHY. An intensely interesting subject; amateur wireless telegraphy; the purpose of the aerial and ground; the apparatus used to send messages; the apparatus used to receive messages.
Chapter II.—AERIALS AND GROUNDS. Where to put up the aerial; types of aerials; the "T" aerial; the masts; the wire; insulators; leading in the wires; the ground.
Chapter III.—HOW TO BUILD AND OPERATE THE SIMPLEX DOUBLE SLIDE RECEIVING OUTFIT. The tuning coil; the tube; the sliders; the fixed condenser; the detector parts; assembling the set; connecting the instruments; operation.
Chapter IV.—HOW TO BUILD THE SIMPLEX LOOSE COUPLER, DETECTOR AND CONDENSER. The base; the primary; the secondary; the pillar; the switch; How to make the Simplex cat whisker detector; How to make the Simplex fixed condenser; How to connect the apparatus; How to tune with the loose coupler; How to adjust the detector.
Chapter V.—TELEPHONE RECEIVERS AND HEADBANDS.
Chapter VI.—HOW TO BUILD THE SIMPLEX SPARK COIL. The core; the secondary; the condenser; the coil heads; the base; the interrupter parts; the bridge.
Chapter VII.—HOW TO MAKE THE SIMPLEX KEY.
Chapter VIII.—HOW TO CONNECT AND OPERATE THE APPARATUS. How to connect and operate a complete wireless station; How to operate; the code, etc.
Three New Books on Home Made
Electrical Apparatus
The Book you are now reading is only the first volume of "Home-made Electrical Apparatus." Written in a very clear and simple style, the other volumes are invaluable to the young experimenter. There are no old or obsolete forms of apparatus described but only the latest electrical devices, making them
The Most Thorough and Complete Books for
the Young Electrical Experimenter Published
The partial Table of Contents below only gives a small idea of the interesting matter contained in these volumes.
VOLUME II
72 Pages 55 Illustrations
Table of Contents
Chapter VI—ELECTRICAL MEASURING INSTRUMENTS. Galvanometers, Ammeters, Voltmeters, etc.
Chapter VII—CURRENT CONTROL DEVICES. How to Make a Pole Changing Switch or Current Reverser. How to Reverse Small Motors. Battery Rheostats.
Chapter VIII—HOW TO MAKE A TELEGRAPH KEY AND SOUNDER. How to Install a Telegraph Line and Learn to Operate. Learning the Morse Code.
Chapter IX—HOW TO MAKE AND INSTALL A TELEPHONE.
Chapter X—MEDICAL COILS AND SHOCKING COILS.
Chapter XI—THE CONSTRUCTION OF SPARK COILS. A one-quarter inch Coil, a one-half inch Coil, a one inch Coil. Experiments with Spark Coils.
VOLUME III
80 Pages 73 Illustrations
Chapter XII—HOW TO MAKE A DYNAMO-MOTOR.
Chapter XIII—HOW TO MAKE A TOY BATTERY MOTOR.
Chapter XIV—HOW TO BUILD AN ELECTRIC ENGINE.
Chapter XV—MINIATURE BATTERY LAMP LIGHTING.
Chapter XVI—COHERER OUTFITS FOR WIRELESS TELEGRAPHY.
Chapter XVII—HOW TO BUILD A TESLA HIGH FREQUENCY COIL. Experiments with High Frequency Currents.
Chapter XVIII—AN EXPERIMENTAL WIRELESS TELEPHONE.
Chapter XIX—MISCELLANEOUS APPARATUS. Electrolysis of Water. Electro-Plating. Electricity from Heat. A Handy Light. An Experimental Arc Lamp. A Magnetic Diver. Magnetic Fish. A Magnetic Clown. An Electric Breeze. A Static Motor.
Price Postpaid, 25 Cents per Volume
All three volumes can be supplied bound together with handsome cloth cover for $1.25 postpaid.
Parts and Materials
For Building the Apparatus Described in this Book
We have received so many requests from our customers for information as to where they may obtain some of the materials required to build the apparatus described in this book, that we have made arrangements to supply same. Our business is essentially publishing, and we do not intend to go into the manufacture of, or to push the sale of apparatus or parts. Knowing, however, that many of our customers live where they are remote from cities or suitable supply houses, where they might obtain the necessary materials, we believe that the value of our books will be increased ten fold to the reader if we are in a position to furnish parts, etc.
Complete Set of Parts for Dynamo illustrated in Figure 132 $3.75
Shipping Weight, 5 lbs.
Complete Set of Parts for Tesla Coil 4.50
Shipping Weight, 4 lbs.
Completed Tesla Coil 6.00
Shipping Weight, 10 lbs.
Complete Tesla Coil Outfit, consisting of Tesla Coil, two-inch Spark Coil, Spark Gap and Leyden Jars 25.00
Shipping Weight, 25 lbs.
Please use list number when ordering. Include postage to pre-pay mailing charges, or we will ship by Express Collect. No parts supplied other than listed above. All prices subject to change without notice. Send for latest price list.
COLE & MORGAN, Inc.
P.O. Box 473, City Hall Sta. New York, N. Y.
*** END OF THIS PROJECT GUTENBERG EBOOK HOME-MADE ELECTRICAL APPARATUS ***
Please read this before you distribute or use this work.
To protect the Project Gutenberg™ mission of promoting the free distribution of electronic works, by using or distributing this work (or any other work associated in any way with the phrase “Project Gutenberg”), you agree to comply with all the terms of the Full Project Gutenberg™ License available with this file or online at https://www.gutenberg.org/license.
1.A. By reading or using any part of this Project Gutenberg™ electronic work, you indicate that you have read, understand, agree to and accept all the terms of this license and intellectual property (trademark/copyright) agreement. If you do not agree to abide by all the terms of this agreement, you must cease using and return or destroy all copies of Project Gutenberg™ electronic works in your possession. If you paid a fee for obtaining a copy of or access to a Project Gutenberg™ electronic work and you do not agree to be bound by the terms of this agreement, you may obtain a refund from the person or entity to whom you paid the fee as set forth in paragraph 1.E.8.
1.B. “Project Gutenberg” is a registered trademark. It may only be used on or associated in any way with an electronic work by people who agree to be bound by the terms of this agreement. There are a few things that you can do with most Project Gutenberg™ electronic works even without complying with the full terms of this agreement. See paragraph 1.C below. There are a lot of things you can do with Project Gutenberg™ electronic works if you follow the terms of this agreement and help preserve free future access to Project Gutenberg™ electronic works. See paragraph 1.E below.
1.C. The Project Gutenberg Literary Archive Foundation (“the Foundation” or PGLAF), owns a compilation copyright in the collection of Project Gutenberg™ electronic works. Nearly all the individual works in the collection are in the public domain in the United States. If an individual work is unprotected by copyright law in the United States and you are located in the United States, we do not claim a right to prevent you from copying, distributing, performing, displaying or creating derivative works based on the work as long as all references to Project Gutenberg are removed. Of course, we hope that you will support the Project Gutenberg™ mission of promoting free access to electronic works by freely sharing Project Gutenberg™ works in compliance with the terms of this agreement for keeping the Project Gutenberg™ name associated with the work. You can easily comply with the terms of this agreement by keeping this work in the same format with its attached full Project Gutenberg™ License when you share it without charge with others.
1.D. The copyright laws of the place where you are located also govern what you can do with this work. Copyright laws in most countries are in a constant state of change. If you are outside the United States, check the laws of your country in addition to the terms of this agreement before downloading, copying, displaying, performing, distributing or creating derivative works based on this work or any other Project Gutenberg™ work. The Foundation makes no representations concerning the copyright status of any work in any country outside the United States.
1.E. Unless you have removed all references to Project Gutenberg:
1.E.1. The following sentence, with active links to, or other immediate access to, the full Project Gutenberg™ License must appear prominently whenever any copy of a Project Gutenberg™ work (any work on which the phrase “Project Gutenberg” appears, or with which the phrase “Project Gutenberg” is associated) is accessed, displayed, performed, viewed, copied or distributed:
This eBook is for the use of anyone anywhere in the United States and most other parts of the world at no cost and with almost no restrictions whatsoever. You may copy it, give it away or re-use it under the terms of the Project Gutenberg License included with this eBook or online at https://www.gutenberg.org . If you are not located in the United States, you'll have to check the laws of the country where you are located before using this ebook.
1.E.2. If an individual Project Gutenberg™ electronic work is derived from texts not protected by U.S. copyright law (does not contain a notice indicating that it is posted with permission of the copyright holder), the work can be copied and distributed to anyone in the United States without paying any fees or charges. If you are redistributing or providing access to a work with the phrase “Project Gutenberg” associated with or appearing on the work, you must comply either with the requirements of paragraphs 1.E.1 through 1.E.7 or obtain permission for the use of the work and the Project Gutenberg™ trademark as set forth in paragraphs 1.E.8 or 1.E.9.
1.E.3. If an individual Project Gutenberg™ electronic work is posted with the permission of the copyright holder, your use and distribution must comply with both paragraphs 1.E.1 through 1.E.7 and any additional terms imposed by the copyright holder. Additional terms will be linked to the Project Gutenberg™ License for all works posted with the permission of the copyright holder found at the beginning of this work.
1.E.4. Do not unlink or detach or remove the full Project Gutenberg™ License terms from this work, or any files containing a part of this work or any other work associated with Project Gutenberg™.
1.E.5. Do not copy, display, perform, distribute or redistribute this electronic work, or any part of this electronic work, without prominently displaying the sentence set forth in paragraph 1.E.1 with active links or immediate access to the full terms of the Project Gutenberg™ License.
1.E.6. You may convert to and distribute this work in any binary, compressed, marked up, nonproprietary or proprietary form, including any word processing or hypertext form. However, if you provide access to or distribute copies of a Project Gutenberg™ work in a format other than “Plain Vanilla ASCII” or other format used in the official version posted on the official Project Gutenberg™ web site (https://www.gutenberg.org), you must, at no additional cost, fee or expense to the user, provide a copy, a means of exporting a copy, or a means of obtaining a copy upon request, of the work in its original “Plain Vanilla ASCII” or other form. Any alternate format must include the full Project Gutenberg™ License as specified in paragraph 1.E.1.
1.E.7. Do not charge a fee for access to, viewing, displaying, performing, copying or distributing any Project Gutenberg™ works unless you comply with paragraph 1.E.8 or 1.E.9.
1.E.8. You may charge a reasonable fee for copies of or providing access to or distributing Project Gutenberg™ electronic works provided that
You pay a royalty fee of 20% of the gross profits you derive from the use of Project Gutenberg™ works calculated using the method you already use to calculate your applicable taxes. The fee is owed to the owner of the Project Gutenberg™ trademark, but he has agreed to donate royalties under this paragraph to the Project Gutenberg Literary Archive Foundation. Royalty payments must be paid within 60 days following each date on which you prepare (or are legally required to prepare) your periodic tax returns. Royalty payments should be clearly marked as such and sent to the Project Gutenberg Literary Archive Foundation at the address specified in Section 4, “Information about donations to the Project Gutenberg Literary Archive Foundation.”
You provide a full refund of any money paid by a user who notifies you in writing (or by e-mail) within 30 days of receipt that s/he does not agree to the terms of the full Project Gutenberg™ License. You must require such a user to return or destroy all copies of the works possessed in a physical medium and discontinue all use of and all access to other copies of Project Gutenberg™ works.
You provide, in accordance with paragraph 1.F.3, a full refund of any money paid for a work or a replacement copy, if a defect in the electronic work is discovered and reported to you within 90 days of receipt of the work.
You comply with all other terms of this agreement for free distribution of Project Gutenberg™ works.
1.E.9. If you wish to charge a fee or distribute a Project Gutenberg™ electronic work or group of works on different terms than are set forth in this agreement, you must obtain permission in writing from both the Project Gutenberg Literary Archive Foundation and The Project Gutenberg Trademark LLC, the owner of the Project Gutenberg™ trademark. Contact the Foundation as set forth in Section 3. below.
1.F.
1.F.1. Project Gutenberg volunteers and employees expend considerable effort to identify, do copyright research on, transcribe and proofread works not protected by U.S. copyright law in creating the Project Gutenberg™ collection. Despite these efforts, Project Gutenberg™ electronic works, and the medium on which they may be stored, may contain “Defects,” such as, but not limited to, incomplete, inaccurate or corrupt data, transcription errors, a copyright or other intellectual property infringement, a defective or damaged disk or other medium, a computer virus, or computer codes that damage or cannot be read by your equipment.
1.F.2. LIMITED WARRANTY, DISCLAIMER OF DAMAGES – Except for the “Right of Replacement or Refund” described in paragraph 1.F.3, the Project Gutenberg Literary Archive Foundation, the owner of the Project Gutenberg™ trademark, and any other party distributing a Project Gutenberg™ electronic work under this agreement, disclaim all liability to you for damages, costs and expenses, including legal fees. YOU AGREE THAT YOU HAVE NO REMEDIES FOR NEGLIGENCE, STRICT LIABILITY, BREACH OF WARRANTY OR BREACH OF CONTRACT EXCEPT THOSE PROVIDED IN PARAGRAPH 1.F.3. YOU AGREE THAT THE FOUNDATION, THE TRADEMARK OWNER, AND ANY DISTRIBUTOR UNDER THIS AGREEMENT WILL NOT BE LIABLE TO YOU FOR ACTUAL, DIRECT, INDIRECT, CONSEQUENTIAL, PUNITIVE OR INCIDENTAL DAMAGES EVEN IF YOU GIVE NOTICE OF THE POSSIBILITY OF SUCH DAMAGE.
1.F.3. LIMITED RIGHT OF REPLACEMENT OR REFUND – If you discover a defect in this electronic work within 90 days of receiving it, you can receive a refund of the money (if any) you paid for it by sending a written explanation to the person you received the work from. If you received the work on a physical medium, you must return the medium with your written explanation. The person or entity that provided you with the defective work may elect to provide a replacement copy in lieu of a refund. If you received the work electronically, the person or entity providing it to you may choose to give you a second opportunity to receive the work electronically in lieu of a refund. If the second copy is also defective, you may demand a refund in writing without further opportunities to fix the problem.
1.F.4. Except for the limited right of replacement or refund set forth in paragraph 1.F.3, this work is provided to you ‘AS-IS,’ WITH NO OTHER WARRANTIES OF ANY KIND, EXPRESS OR IMPLIED, INCLUDING BUT NOT LIMITED TO WARRANTIES OF MERCHANTABILITY OR FITNESS FOR ANY PURPOSE.
1.F.5. Some states do not allow disclaimers of certain implied warranties or the exclusion or limitation of certain types of damages. If any disclaimer or limitation set forth in this agreement violates the law of the state applicable to this agreement, the agreement shall be interpreted to make the maximum disclaimer or limitation permitted by the applicable state law. The invalidity or unenforceability of any provision of this agreement shall not void the remaining provisions.
1.F.6. INDEMNITY – You agree to indemnify and hold the Foundation, the trademark owner, any agent or employee of the Foundation, anyone providing copies of Project Gutenberg™ electronic works in accordance with this agreement, and any volunteers associated with the production, promotion and distribution of Project Gutenberg™ electronic works, harmless from all liability, costs and expenses, including legal fees, that arise directly or indirectly from any of the following which you do or cause to occur: (a) distribution of this or any Project Gutenberg™ work, (b) alteration, modification, or additions or deletions to any Project Gutenberg™ work, and (c) any Defect you cause.
Project Gutenberg™ is synonymous with the free distribution of electronic works in formats readable by the widest variety of computers including obsolete, old, middle-aged and new computers. It exists because of the efforts of hundreds of volunteers and donations from people in all walks of life.
Volunteers and financial support to provide volunteers with the assistance they need, is critical to reaching Project Gutenberg™'s goals and ensuring that the Project Gutenberg™ collection will remain freely available for generations to come. In 2001, the Project Gutenberg Literary Archive Foundation was created to provide a secure and permanent future for Project Gutenberg™ and future generations. To learn more about the Project Gutenberg Literary Archive Foundation and how your efforts and donations can help, see Sections 3 and 4 and the Foundation web page at http://www.pglaf.org .
The Project Gutenberg Literary Archive Foundation is a non profit 501(c)(3) educational corporation organized under the laws of the state of Mississippi and granted tax exempt status by the Internal Revenue Service. The Foundation's EIN or federal tax identification number is 64-6221541. Its 501(c)(3) letter is posted at https://www.gutenberg.org/fundraising/pglaf . Contributions to the Project Gutenberg Literary Archive Foundation are tax deductible to the full extent permitted by U.S. federal laws and your state's laws.
The Foundation's principal office is in Fairbanks, Alaska, with the mailing address: PO Box 750175, Fairbanks, AK 99775, but its volunteers and employees are scattered throughout numerous locations. Its business office is located at 809 North 1500 West, Salt Lake City, UT 84116, (801) 596-1887, email business@pglaf.org. Email contact links and up to date contact information can be found at the Foundation's web site and official page at http://www.pglaf.org
For additional contact information:
Project Gutenberg™ depends upon and cannot survive without wide spread public support and donations to carry out its mission of increasing the number of public domain and licensed works that can be freely distributed in machine readable form accessible by the widest array of equipment including outdated equipment. Many small donations ($1 to $5,000) are particularly important to maintaining tax exempt status with the IRS.
The Foundation is committed to complying with the laws regulating charities and charitable donations in all 50 states of the United States. Compliance requirements are not uniform and it takes a considerable effort, much paperwork and many fees to meet and keep up with these requirements. We do not solicit donations in locations where we have not received written confirmation of compliance. To SEND DONATIONS or determine the status of compliance for any particular state visit https://www.gutenberg.org/fundraising/donate
While we cannot and do not solicit contributions from states where we have not met the solicitation requirements, we know of no prohibition against accepting unsolicited donations from donors in such states who approach us with offers to donate.
International donations are gratefully accepted, but we cannot make any statements concerning tax treatment of donations received from outside the United States. U.S. laws alone swamp our small staff.
Please check the Project Gutenberg Web pages for current donation methods and addresses. Donations are accepted in a number of other ways including checks, online payments and credit card donations. To donate, please visit: https://www.gutenberg.org/fundraising/donate
Professor Michael S. Hart is the originator of the Project Gutenberg™ concept of a library of electronic works that could be freely shared with anyone. For thirty years, he produced and distributed Project Gutenberg™ eBooks with only a loose network of volunteer support.
Project Gutenberg™ eBooks are often created from several printed editions, all of which are confirmed as not protected by copyright in the U.S. unless a copyright notice is included. Thus, we do not necessarily keep eBooks in compliance with any particular paper edition.
Each eBook is in a subdirectory of the same number as the eBook's eBook number, often in several formats including plain vanilla ASCII, compressed (zipped), HTML and others.
Corrected editions of our eBooks replace the old file and take over the old filename and etext number. The replaced older file is renamed. Versions based on separate sources are treated as new eBooks receiving new filenames and etext numbers.
Most people start at our Web site which has the main PG search facility:
This Web site includes information about Project Gutenberg™, including how to make donations to the Project Gutenberg Literary Archive Foundation, how to help produce our new eBooks, and how to subscribe to our email newsletter to hear about new eBooks.